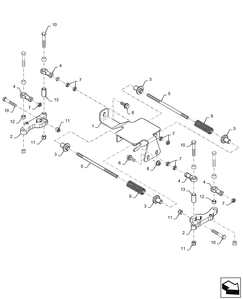
Запчасти Case SR175 (29.200.AM[03]) - MANUAL CENTERING, HAND CONTROLS (29) - HYDROSTATIC DRIVE

Схема запчастей Case SR175 - (29.200.AM[03]) - MANUAL CENTERING, HAND CONTROLS (29) - HYDROSTATIC DRIVE
7
5
11
3
13
4
10
1
3
7
6
3
2
5
4
13
2
7
7
10
10
11
12
9
4
11
12
10
8
7
6
4
9
11
3
FIT
1:1
100%

Артикул

Название

Примечание

Количество

1

84333820

PLATE

Manual Pump Centering

1шт.

2

47727947

PLATE

Pintle Arm

2шт.

3

84374870

BUSHING,10.31mm ID x 31.75mm OD x 34.1mm L

4шт.

4

86500348

BALL JOINT HEAD,3/8" - 24

4шт.

5

47802780

ROD,Zinc, 9.53mm OD x 215mm L

Centering

2шт.

6

9706726

BOLT,Hex Flg, 3/8" - 16 x 1"

3шт.

7

87319446

JAM NUT,Hex, 3/8" - 24, Gr 5

12шт.

8

247780

SERRATED NUT,Flg, USR, 3/8"-16

2шт.

9

D70304

COMPRESSION SPRING,0.955" OD x 4.00" L

2шт.

10

86575418

BOLT,Hex, 3/8" - 16 x 2 1/4", Gr 8

6шт.

11

88902

NUT,3/8"-16

4шт.

12

47948081

SPACER,10mm ID x 14mm OD x 8mm L

2шт.

13

47803084

SPACER,10.34mm ID x 15.88mm OD x 31.75mm L

2шт.

Выбрано товаров: 0