Запчасти Case SR175 (55.302.AG) - BATTERY & CABLE (55) - ELECTRICAL SYSTEMS

Схема запчастей Case SR175 - (55.302.AG) - BATTERY & CABLE (55) - ELECTRICAL SYSTEMS
home
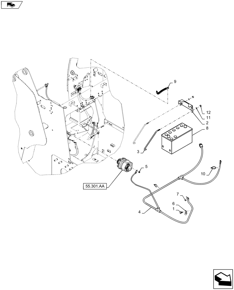
8
12
9
2
4
3
10
55.301.aa
1
11
5
6
7
FIT
1:1
100%

Артикул

Название

Примечание

Количество

1

15976921

BOLT,Hex, M14 x 1.5 x 22mm, Cl 8.8, Full Thd

1шт.

2

84420303

STRAP

Battery Mount

1шт.

3

84381823

HOOK

Battery Tie Down

2шт.

4

84605004

POS BATTERY CABLE

ISM

1шт.

5

86505868

SERRATED NUT,Hex, M8 x 1.25, Cl 8

1шт.

6

86598598

CLAMP,19mm, Insulated, 13.5mm Bolt Hole - P Type

1шт.

7

86619802

FLANGE NUT,M10 x 1.5, Cl 8

Hex, M10 - 1.5, Class 8.8, ZND

1шт.

8

BNH31925SW

WET BATTERY

12V, 925 CCA

1шт.

9

D140369

GROUND STRAP,260mm L

Ground Strap

1шт.

10

L11541

CABLE TIE,203.2mm L, Nylon

7" Nylon Strap

1шт.

11

86624144

WASHER,0.41" ID x 0.75" OD x 0.12" Thk

2шт.

12

86625064

NUT,Prev Torque, 3/8" - 16, Gr B

2шт.

Выбрано товаров: 12