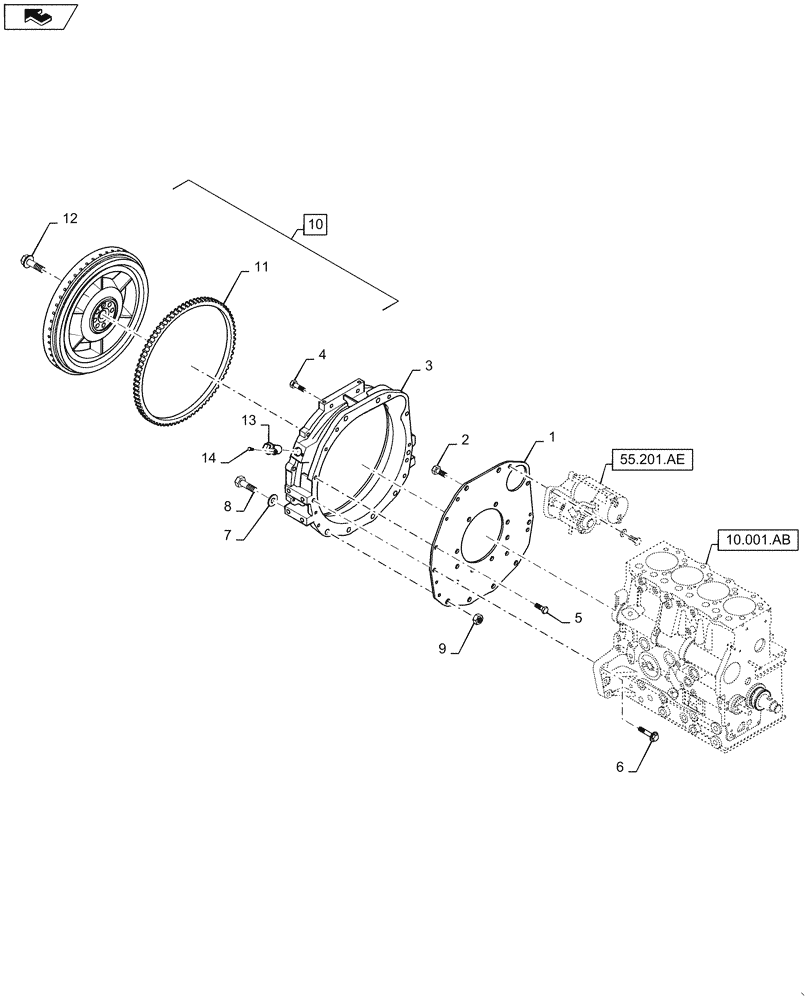
Запчасти Case SR175 (10.103.AH) - FLYWHEEL & HOUSING (10) - ENGINE

Схема запчастей Case SR175 - (10.103.AH) - FLYWHEEL & HOUSING (10) - ENGINE
10
14
2
3
home
9
6
13
10.001.ab
55.201.ae
7
1
11
4
12
5
8
FIT
1:1
100%

Артикул

Название

Примечание

Количество

1

SBA110367580

PLATE

Mounting Gasket, Flywheel Housing

1шт.

2

SBA011510816

BOLT

10шт.

3

SBA110447830

COVER

Flywheel Housing

1шт.

4

SBA011511235

BOLT,M12 x 35

2шт.

5

SBA011511020

BOLT,M10 x 20

2шт.

6

SBA011511045

BOLT

6шт.

7

SBA027100010

WASHER

4шт.

8

SBA010311030

BOLT

4шт.

9

SBA020500010

NUT

4шт.

10

SBA115351191

FLYWHEEL

Flywheel, Incl 11

1шт.

11

SBA115376160

RING GEAR

1шт.

12

SBA010109341

BOLT

6шт.

13

SBA185746180

SENSOR

Engine Speed

1шт.

14

SBA011310612

CAPTIVE WASHER SCREW,Hex, M6 x 12, Cl 8.8

1шт.

Выбрано товаров: 14