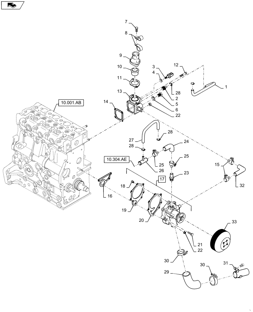
Запчасти Case SR175 (10.400.BB) - WATER PUMP & RELATED PARTS (10) - ENGINE

Схема запчастей Case SR175 - (10.400.BB) - WATER PUMP & RELATED PARTS (10) - ENGINE
29
12
10
30
2
3
30
13
25
19
24
28
27
9
18
26
10.001.ab
23
31
7
5
1
17
11
8
6
33
22
32
16
14
4
home
28
10.304.ae
21
15
20
22
25
28
FIT
1:1
100%

Артикул

Название

Примечание

Количество

1

SBA145537770

HOSE

1шт.

2

SBA198481140

PIPE FITTING

1шт.

3

SBA385720530

SENSOR

Water Temperature

1шт.

4

SBA140996410

GASKET

Water Temperatuer Sensor

1шт.

5

SBA010109576

BOLT

1шт.

6

SBA025100016

WASHER,16.4mm ID x 27mm OD x 2mm Thk

1шт.

7

SBA010800820

BOLT

2шт.

8

SBA399111040

CLAMP

2шт.

9

SBA145226340

COVER

Thermostat

1шт.

10

SBA145206220

THERMOSTAT,71 Degrees C (160 Degrees F)

, Serial Range: -ESN 105539

1шт.

10

SBA145206330

THERMOSTAT

, Start Serial: ESN 105540

1шт.

11

SBA145996051

GASKET

Thermostat

1шт.

12

SBA011310655

BOLT,Hex, M6 x 55, Cl 8.8

, Serial Range: -ESN 105539

2шт.

12

SBA011310645

CAPTIVE WASHER SCREW,Hex, M6 x 45, Cl 8.8

, Start Serial: ESN 105540

2шт.

13

SBA145216560

HOUSING

Thermostat, Serial Range: -ESN 105539

1шт.

Also Must Order Adapter PN SBA198481360

1шт.

13

SBA145216400

THERMOSTAT

Thermostat, Start Serial: ESN 105540

1шт.

14

SBA145996710

GASKET

Thermostat Housing

1шт.

15

SBA067100022

HOSE CLAMP

2шт.

16

SBA145996990

GASKET

Water Pump

1шт.

17

SBA145017730

WATER PUMP

Incl 18 - 20

1шт.

17

SBA145017730R

REMAN-WATER PUMP

1шт.

17

SBA145017730C

CORE-WATER PUMP

Return Number

1шт.

18

SBA015300614

SCREW

3шт.

19

SBA145146320

PLATE

Water Pump

1шт.

20

SBA145996681

GASKET

Water Pump

1шт.

21

SBA011310635

CAPTIVE WASHER SCREW,Hex, M6 x 35, Cl 8.8

4шт.

22

SBA023100006

NUT

3шт.

23

SBA198486940

FITTING

1шт.

24

SBA145537720

HOSE

Water Pump

1шт.

25

SBA067100025

HOSE CLAMP

2шт.

26

SBA145986460

PIPE FITTING

1шт.

27

SBA145537760

HOSE

1шт.

28

SBA067200130

CLAMP

4шт.

29

SBA145537750

HOSE

Water Pump

1шт.

30

SBA067100043

BAND

2шт.

31

SBA145986450

PIPE

1шт.

32

SBA145536051

HOSE

Water Pump To Thermostat

1шт.

33

SBA145337170

PULLEY

Fan

1шт.

Выбрано товаров: 39