Запчасти Case SR175 (10.501.AA) - EGR SYSTEM (10) - ENGINE

Схема запчастей Case SR175 - (10.501.AA) - EGR SYSTEM (10) - ENGINE
8
10
16
11
6
13
8
15
7
9
8
10.001.ab
3
home
4
8
14
5
1
2
10
12
FIT
1:1
100%

Артикул

Название

Примечание

Количество

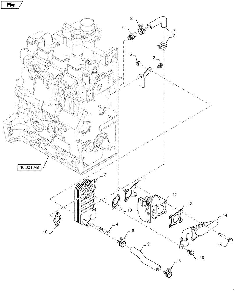
1

SBA145977510

BRACKET

EGR Cooler

1шт.

2

SBA011510816

BOLT

1шт.

3

SBA145806020

COOLER

EGR

1шт.

4

SAB010310850

Bolt

1шт.

5

SBA023100008

NUT

1шт.

6

SBA198486940

FITTING

1шт.

7

SBA145537730

HOSE

EGR Cooler, In

1шт.

8

SBA067100023

BAND

Hose Clamp

4шт.

9

SBA145537740

HOSE

EGR Cooler, Out

1шт.

10

SBA135997220

GASKET

EGR Cooler

2шт.

11

SBA135997250

GASKET

EGR Valve, Out

1шт.

12

SBA120806020

VALVE

EGR

1шт.

13

SBA135997260

GASKET

EGR Valve, In

1шт.

14

SBA135956030

PIPE

EGR

1шт.

15

SBA011510870

BOLT,M8 x 70mm

4шт.

16

SBA011510816

BOLT

2шт.

Выбрано товаров: 0