Запчасти Case SR200 (55.404.CY[01]) - EU ROAD LIGHTS MED RAD CASE (SR175,SR200) (55) - ELECTRICAL SYSTEMS

Схема запчастей Case SR200 - (55.404.CY[01]) - EU ROAD LIGHTS MED RAD CASE (SR175,SR200) (55) - ELECTRICAL SYSTEMS
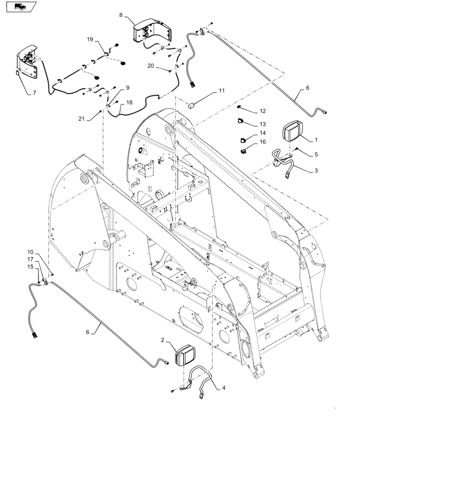
3
18
7
8
10
20
12
1
14
13
6
11
4
15
6
21
9
16
2
5
home
19
17
FIT
1:1
100%

Артикул

Название

Примечание

Количество

1

87572860

LAMP

EU Boom, Left, Incl. Ref. 22 & 23

1шт.

2

87572859

LAMP

EU Boom, Right, Incl. Ref. 22 & 23

1шт.

3

84306583

BRACKET

Light, LH, Tan

1шт.

4

84306585

BRACKET

Light, RH, Tan

1шт.

5

280476

SELF-TAP SCREW,HWH, 3/8"-16 x 1"

4шт.

6

84262451

WIRE HARNESS

Front End, Boom RD

2шт.

7

84416164

FOAM INSULATION

Upper Chassis Short

2шт.

8

84384439

REVERSING LAMP ASSY

Work, Rear Assy

1шт.

9

86625035

CLAMP,12.7mm, Coat, 7.1mm Bolt Hole, P Type

8шт.

10

86589143

SPACER,9.5mm ID x 15.9mm OD x 12.7mm L

2шт.

11

9821783

FLASHER UNIT

Assembly

1шт.

12

86604657

INDICATOR, TURN SIGN

1шт.

13

87634133

SWITCH

Hazard Lights

1шт.

14

84263153

SWITCH

Rocker, Loader Lockout

1шт.

15

87016557

SELF-TAP SCREW,Hex, M8 x 1.25 x 25mm

2шт.

16

131691A1

ROCKER SWITCH

Turn Signal

1шт.

18

84262455

WIRE HARNESS

Rear, Road Jumper

1шт.

19

87668737

CABLE TIE,203.2mm L, Nylon, Black

W/Push-in Fastener

4шт.

20

9804255

BOLT,Hex, M6 x 1 x 16mm, Full Thd, Cl 8.8

6шт.

21

9804276

FLANGE NUT,Hex, M6 x 1, Cl 8

6шт.

22

139119A1

BULB,#886, 12V, 50W

Head Lamp (Not Shown)

2шт.

23

87642985

BULB,3157, 12V, 26.5W, Clear

Turn Signal (Not Shown)

2шт.

Выбрано товаров: 22