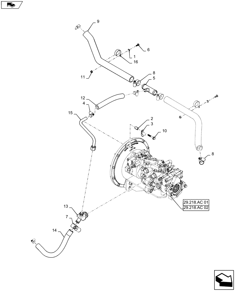
Запчасти Case SR200 (29.204.AB[02]) - HYDROSTATIC PUMP, SUPPLY LINES, MECHANICAL CONTROLS (29) - HYDROSTATIC DRIVE

Схема запчастей Case SR200 - (29.204.AB[02]) - HYDROSTATIC PUMP, SUPPLY LINES, MECHANICAL CONTROLS (29) - HYDROSTATIC DRIVE
4
11
8
3
9
1
5
29.218.ac 02
8
7
29.218.ac 01
12
15
16
2
14
home
6
13
10
FIT
1:1
100%

Артикул

Название

Примечание

Количество

1

87655042

SPECIAL WASHER,8.8mm ID x 17.5mm OD x 2.2mm Thk

, Years: -06-APR-14

1шт.

Washer Not Used Starting 07-APR-2014

1шт.

2

87022737

SPACER,11.1mm ID x 15.9mm OD x 25mm L

1шт.

3

86637999

CLAMP,19mm, Coat, 11.9mm Bolt Hole, P Type

1шт.

4

86625021

HOSE CLAMP,17.5mm - 31.7mm, Worm Gear

2шт.

5

84511713

TEE,-24 Bead x -24 Bead x -12 Bead

-24 Bead x -24 Bead x -12 Bead

1шт.

6

308761

CARRIAGE BOLT,M8 x 1.25 x 25mm, Cl 8.8

, Years: -06-APR-14

2шт.

6

86511841

BOLT,Flng, M8 x 1.25 x 16mm, Full Thd, Cl 8.8

, Start Year: 07-APR-14

2шт.

7

507586

HOSE CLAMP,20.6mm - 44.4mm, Worm Gear

2шт.

8

513309

HOSE CLAMP,1-1/16” - 2”, Worm Gear

4шт.

9

84349293

HOSE,38mm ID x 622mm OAL

Gear Pump Suction, Years: -06-APR-14

1шт.

9

47612618

HOSE,38.1mm ID

Gear Pump Suction, Start Year: 07-APR-14

1шт.

10

9804265

FLANGE BOLT,Hex, M10 x 60mm, Cl 8.8

1шт.

11

9804277

FLANGE NUT,Hex, M8 x 1.25, Cl 8

2шт.

12

84344942

HOSE,19.05mm OD x 280mm L

Tandem Supply

1шт.

13

84344921

45 ELBOW

-20MB x -16 Bead x M10

1шт.

14

84280437

FLEXIBLE HOSE,25.4mm ID x 425mm L, SAE 100R4

Charge Supply

1шт.

15

47377267

HYD TUBE

Tandem Supply

1шт.

16

84265306

CLAMP,47.6mm, Coat, 8.7mm Bolt Hole, P Type

, Years: -06-APR-14

2шт.

16

87313360

CLIP,50.8mm, Coat, 8.7mm Bolt Hole, J Type

, Start Year: 07-APR-14

2шт.

Выбрано товаров: 20