Запчасти Case SR210 (95.024.AAQ) - COLD PLANERS, HIGH FLOW, SR210 (95) - CE ATTACHMENTS

Схема запчастей Case SR210 - (95.024.AAQ) - COLD PLANERS, HIGH FLOW, SR210 (95) - CE ATTACHMENTS
FIT
1:1
100%

Артикул

Название

Примечание

Количество

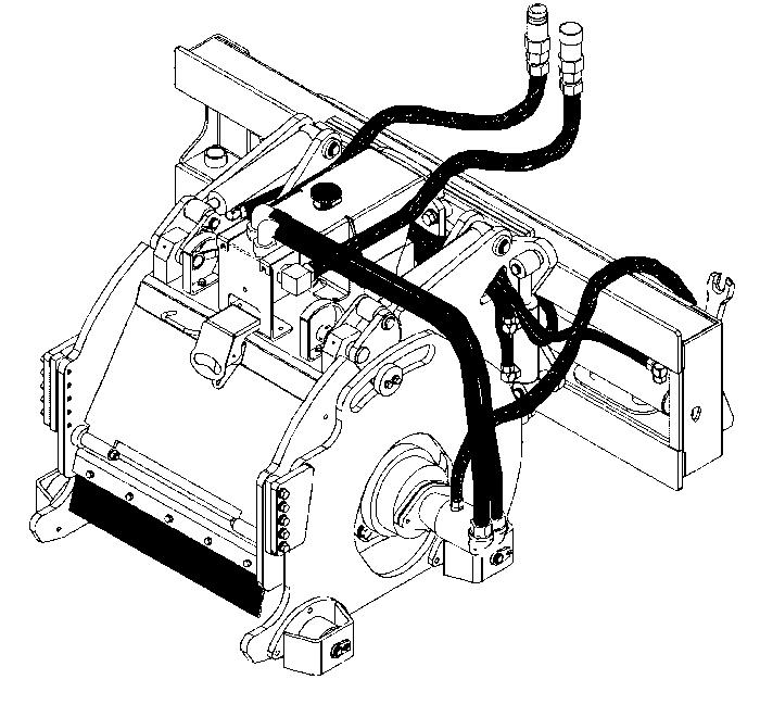
1

84539379

ATTACHMENT

Cold Planer, 31 - 35 GPM, HP16, 16'' W/ Hydraulic Controls, Incl Drum, Hydraulic Depth, Tilt, Hydraulic Sideshift, Hoses, Fittings and Quick Couplers

1шт.

16'' Drum Installed in 18'' Housing, High Flow, Case Drain and Front Elec are Reqd

1шт.

Model Compatibility: SR200, SR210, SR220, SV250, SR250, SV300, TR270, TR320, TV380, 420, 430, 440, 435, 445, 450, 465, 420CT, 440CT, 445CT, 450CT

1шт.

2

84539380

ATTACHMENT

Cold Planer, 31 - 35 GPM, HP18, 18'' W/ Hydraulic Controls, Incl Drum, Hydraulic Depth, Tilt, Hydraulic Sideshift, Hoses, Fittings and Quick Couplers

1шт.

High Flow, Case Drain and Front Elec are Reqd

1шт.

Model Compatibility: SR200, SR210, SR220, SV250, SR250, SV300, TR270, TR320, TV380, 430, 440, 435, 445, 450, 465, 440CT, 445CT, 450CT

1шт.

3

84539381

ATTACHMENT

Cold Planer, 31 - 35 GPM, HP24, 24'' W/ Hydraulic Controls, Incl Drum, Hydraulic Depth, Tilt, Hydraulic Sideshift, Hoses, Fittings and Quick Couplers

1шт.

High Flow, Case Drain and Front Elec are Reqd

1шт.

Model Compatibility: SR200, SR210, SR220, SV250, SR250, SV300, TR270, TR320, TV380, 440, 435, 445, 450, 465, 440CT, 445CT, 450CT

1шт.

4

87045459

ATTACHMENT

2.5'' Slot Cutting Drum for HP16, HP18, HP24, HP30, HP40, Order as Needed

1шт.

5

87045460

ATTACHMENT

4'' Slot Cutting Drum for HP16, HP18, HP24, HP30, HP40, Order as Needed

1шт.

6

87045461

ATTACHMENT

6'' Slot Cutting Drum for HP16, HP18, HP24, HP30, HP40, Order as Needed

1шт.

7

47403651

KIT

Universal Electric Control for Units W/O Front Electric, Order as Needed

1шт.

8

87048529

ADAPTER

Wire Harness, Adapts Pre 9/1/2001 75XT, 85XT, 90XT, 95XT W/ 8 Pin Connector to 14 Pin Connector, Order as Needed

1шт.

9

87045462

ATTACHMENT

Water Nozzle Kit, Incl 3 Spray Nozzles, Tubing and Fitting to Reach Coupler on Loader Boom for SP12 - HP30, Order as Needed

1шт.

Pressurized Water Kit Available

1шт.

Выбрано товаров: 16