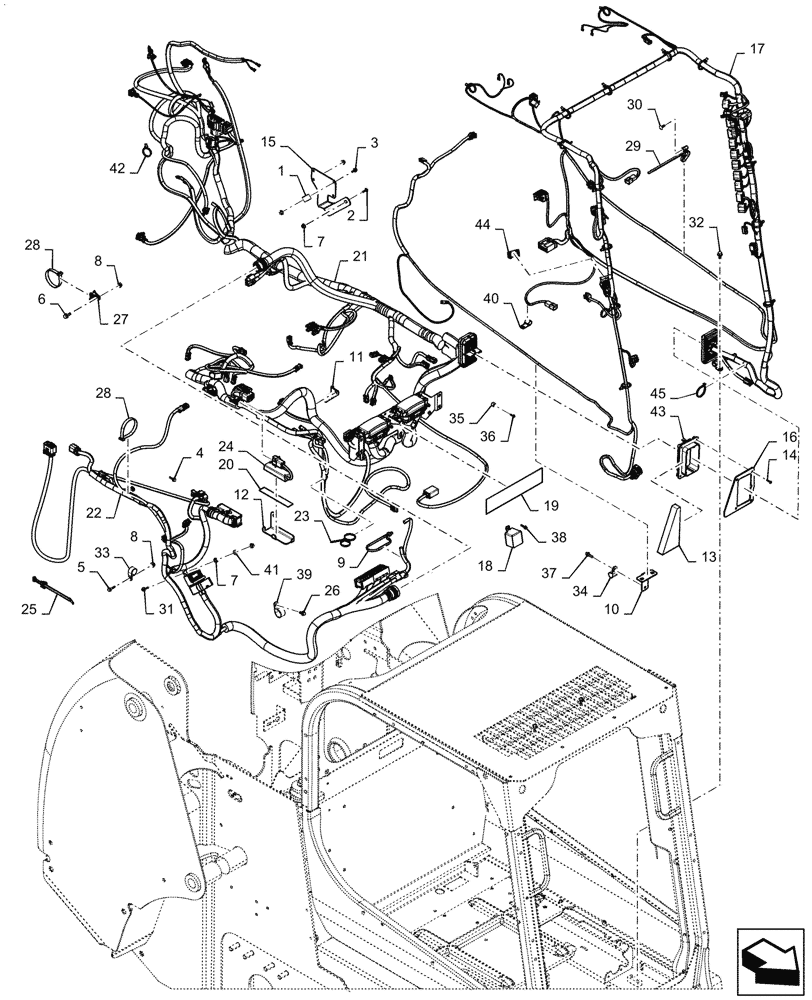
Запчасти Case SR240 (55.101.AC[01]) - WIRE HARNESS & CONNECTOR, MECHANICAL CONTROLS (29-MAR-2017 & NEWER) (55) - ELECTRICAL SYSTEMS

Схема запчастей Case SR240 - (55.101.AC[01]) - WIRE HARNESS & CONNECTOR, MECHANICAL CONTROLS (29-MAR-2017 & NEWER) (55) - ELECTRICAL SYSTEMS
15
25
40
23
21
32
27
19
17
39
44
8
41
10
36
13
14
22
31
24
5
3
12
43
34
29
16
2
38
28
11
45
1
33
35
37
42
30
9
4
20
8
6
18
7
26
28
7
FIT
1:1
100%

Артикул

Название

Примечание

Количество

1

619284

CLAMP,23.8mm, Coat, 10.3mm Bolt Hole, P Type

1шт.

2

9706703

CARRIAGE BOLT,Sht Sq Nk, M6 x 1 x 20mm, Cl 8.8, Full Thd

2шт.

3

9804255

BOLT,Hex, M6 x 1 x 16mm, Full Thd, Cl 8.8

3шт.

4

9804256

BOLT,Hex, M6 x 1 x 20mm, Full Thd, Cl 8.8

2шт.

5

9804257

FLANGE BOLT,Hex, M6 x 1.0 x 25mm, Cl 8.8, Full Thd

1шт.

6

9804258

BOLT,Hex, M8 x 1.25 x 20mm, Cl 8.8

1шт.

7

9804276

FLANGE NUT,Hex, M6 x 1, Cl 8

8шт.

8

9804277

FLANGE NUT,Hex, M8 x 1.25, Cl 8

1шт.

9

L18331

CABLE TIE,375.9mm L, Nylon, Black

8шт.

10

47807585

BRACKET

Harness Crossover

1шт.

11

47807590

BRACKET

Crossover, Lower Guide

1шт.

12

47807591

BRACKET

Control Tray

1шт.

13

47825018

FOAM INSULATION,172mm L x 27.9mm Thk

1шт.

14

47825034

SCREW,Pan Head, #10 - 14 x 5/8"

4шт.

15

47832750

BRACKET

GCU Fuse Mounting

1шт.

16

47867182

Bulkhead Adapter

PLATE

1шт.

17

47920665

WIRE HARNESS

Cab, Mech

1шт.

18

47932510

BRACKET

Relay Shield, Gray

1шт.

19

47946313

DECAL

Fuse Box Layout

1шт.

20

47955279

TAPE,150mm L

1шт.

21

47961497

WIRE HARNESS

Chassis, Mech

1шт.

22

47961522

WIRE HARNESS

Chassis, EH

1шт.

23

82012869

CABLE TIE,300mm L, Nylon, Black

9шт.

24

84131374

MODULE

Prop Aux

1шт.

25

84259663

CABLE TIE,228.6mm L, Nylon, Black

4шт.

26

84285339

SELF-TAP SCREW,Hex, M8 x 1.25 x 15mm

2шт.

27

84360210

BASE

Tie

1шт.

28

84360212

CABLE TIE,294.2mm L, Nylon

20шт.

29

84420746

CABLE TIE,403.9mm L, Nylon

10шт.

30

84420768

FASTENER,Pine Tree, 5/8" x 20.01mm

10шт.

31

86511839

BOLT,Hvy Hex, M6 x 30mm, Cl 8.8

1шт.

32

86511841

BOLT,Flng, M8 x 1.25 x 16mm, Full Thd, Cl 8.8

5шт.

33

86637977

CLAMP,25.4mm, Coat, 8.7mm Bolt Hole, P Type

1шт.

34

86637999

CLAMP,19mm, Coat, 11.9mm Bolt Hole, P Type

1шт.

35

86639241

NUT,Prev Torque, M5 x 0.8, Cl 8

1шт.

36

86639263

BOLT,Hex, M5, Cl 8

1шт.

37

87016557

SELF-TAP SCREW,Hex, M8 x 1.25 x 25mm

1шт.

38

87017606

SELF-TAP SCREW,Hex Flng, M6 x 1 x 20mm

1шт.

39

87035382

CLAMP,30.2mm, Coat, 10.3mm Bolt Hole, P Type

1шт.

40

87301490

CLAMP,12.7mm, Coat, 10.3mm Bolt Hole, J Type

1шт.

41

87655041

SPECIAL WASHER,6.85mm ID x 13.5mm OD x 2mm Thk

1шт.

42

87668737

CABLE TIE,203.2mm L, Nylon, Black

1шт.

43

87718301

WIRE CONNECTOR,Flange

1шт.

44

126844A1

PLUG,1.427” x .62” , Plastic

1шт.

45

L11541

CABLE TIE,203.2mm L, Nylon

2шт.

Выбрано товаров: 45