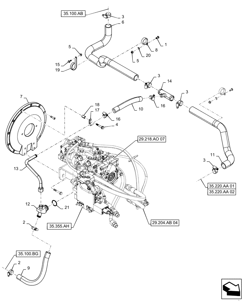
Запчасти Case SR240 (29.204.AB[02]) - HYDROSTATIC PUMP, SUPPLY LINES, MECHANICAL CONTROLS (29) - HYDROSTATIC DRIVE

Схема запчастей Case SR240 - (29.204.AB[02]) - HYDROSTATIC PUMP, SUPPLY LINES, MECHANICAL CONTROLS (29) - HYDROSTATIC DRIVE
19
29.204.ab 04
35.355.ah
9
35.100.bg
4
10
29.218.ao 07
3
3
2
12
35.100.ab
14
6
13
3
1
3
35.220.aa 02
11
35.220.aa 01
15
7
8
18
21
16
5
17
20
2
16
5
FIT
1:1
100%

Артикул

Название

Примечание

Количество

1

308761

CARRIAGE BOLT,M8 x 1.25 x 25mm, Cl 8.8

2шт.

2

507586

HOSE CLAMP,20.6mm - 44.4mm, Worm Gear

2шт.

3

513309

HOSE CLAMP,1-1/16” - 2”, Worm Gear

4шт.

4

9804265

FLANGE BOLT,Hex, M10 x 60mm, Cl 8.8

1шт.

5

9804277

FLANGE NUT,Hex, M8 x 1.25, Cl 8

3шт.

6

47612623

HOSE,38.1mm ID

Gear Pump Suction

1шт.

7

47659227

COVER

Flywheel, W/O EHF

1шт.

7

47659211

COVER

Flywheel, W/ EHF

1шт.

8

84265306

CLAMP,47.6mm, Coat, 8.7mm Bolt Hole, P Type

2шт.

9

84280437

FLEXIBLE HOSE,25.4mm ID x 425mm L, SAE 100R4

Charge Supply

1шт.

10

84344942

HOSE,19.05mm OD x 280mm L

Tandem Supply

1шт.

11

84349297

HOSE,38mm ID x 684mm L

Gear Pump Suction

1шт.

12

84420269

FITTING,1-5/8" - 12 ORB x 1-1/16" - 12 JIC x -16 Hose Barb

Incl 21

1шт.

13

84420270

HYD TUBE,19.05mm OD

Tandem Supply

1шт.

14

47788716

TEE,3/4" Hose Barb x 1-1/2" Hose Barb x 1-1/2" Hose Barb

1шт.

15

86511841

BOLT,Flng, M8 x 1.25 x 16mm, Full Thd, Cl 8.8

1шт.

16

86625021

HOSE CLAMP,17.5mm - 31.7mm, Worm Gear

2шт.

17

86637999

CLAMP,19mm, Coat, 11.9mm Bolt Hole, P Type

1шт.

18

87022737

SPACER,11.1mm ID x 15.9mm OD x 25mm L

1шт.

19

87313360

CLIP,50.8mm, Coat, 8.7mm Bolt Hole, J Type

1шт.

20

87655042

SPECIAL WASHER,8.8mm ID x 17.5mm OD x 2.2mm Thk

2шт.

21

570186

O-RING,0.118" Thk x 1.475" ID, -920, Cl 6, 90 Duro

1шт.

Выбрано товаров: 22