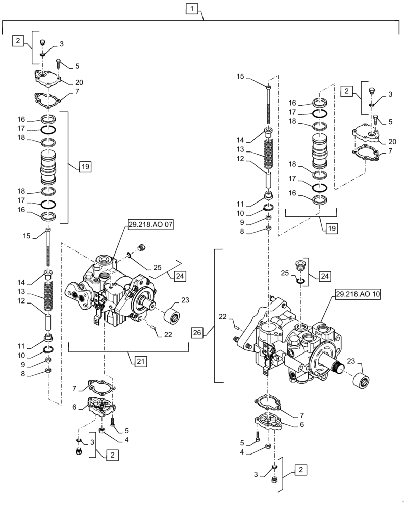
Запчасти Case SR240 (29.218.AO[12]) - HYDROSTATIC PUMP, 46CC, MECHANICAL, CONTROL, REAR (29) - HYDROSTATIC DRIVE

Схема запчастей Case SR240 - (29.218.AO[12]) - HYDROSTATIC PUMP, 46CC, MECHANICAL, CONTROL, REAR (29) - HYDROSTATIC DRIVE
7
6
16
17
11
22
14
7
9
16
2
18
20
16
4
18
18
2
19
6
3
8
24
15
8
7
17
7
25
12
17
2
20
26
5
14
17
10
13
15
29.218.ao 07
10
5
16
3
5
4
3
18
1
19
5
25
24
12
3
11
2
22
23
21
9
29.218.ao 10
23
13
FIT
1:1
100%

Артикул

Название

Примечание

Количество

1

84322471

HYDROSTATIC PUMP,46 CC

Tandem Hydrostatic, Non - Bushed, Incl 2 - 26

1шт.

1

84322471R

REMAN-HYD PUMP

Tandem

1шт.

1

84322471C

CORE-HYDRAULIC PUMP

Return Number

1шт.

2

218-5155

PLUG,9/16" - 18 ORB

Incl 3

4шт.

3

9617873

O-RING,0.078" Thk x 0.468" ID, -906, Cl 6, 90 Duro

4шт.

4

N13260

NUT,Inverted Lock

2шт.

5

87269453

SCREW

Servo Cover

20шт.

6

H436065

COVER

Servo

2шт.

7

N14063

GASKET

Servo Cover

4шт.

8

324604A1

NUT,Lock

2шт.

9

425-116

NUT,3/8" - 24, Gr 5

Lock

2шт.

10

N13255

RING

Retaining

2шт.

11

N13241

GUIDE,1.292" OD

Spring

2шт.

12

N13242

SLEEVE

Servo Stop

2шт.

13

N13226

SPRING

Servo

2шт.

14

N14666

GUIDE,1.292" OD

Spring

2шт.

15

370531A1

SCREW

2шт.

16

N14688

RETAINER

Piston, Ring

4шт.

17

238-5131

O-RING,0.103" Thk x 1.674" ID, -131, Cl 5, 75 Duro

4шт.

18

100536A1

BEARING WASHER,47.24mm ID x 50.34mm OD x 3.1mm Thk

4шт.

19

87039622

PISTON ASSY

Servo, Incl 16 - 18

2шт.

20

H436053

COVER

Servo

2шт.

21

402364A1

HOUSING

Hydrostatic Pump, Front, Incl 22 - 25

1шт.

22

138-217

LOCK PIN,3/16" OD x 7/16" L, Slotted

2шт.

23

1277297C1

NEEDLE BEARING

Hydrostatic Pump Shaft

2шт.

24

9672438

PLUG,7/16" - 20 ORB

Incl 25

2шт.

25

165202

O-RING,0.072" Thk x 0.351" ID, -904, Cl 6, 90 Duro

2шт.

26

402365A1

HOUSING

Hydrostatic Pump, Rear, Incl 22 - 25

2шт.

Выбрано товаров: 28