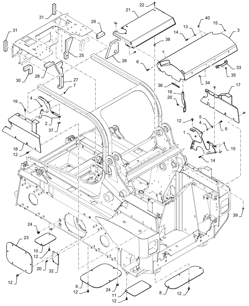
Запчасти Case SV185 (90.100.BI[01]) - REAR COVERS AND CHASSIS ACCESS COVERS 13-OCT-2016 AND AFTER (90) - PLATFORM, CAB, BODYWORK AND DECALS

Схема запчастей Case SV185 - (90.100.BI[01]) - REAR COVERS AND CHASSIS ACCESS COVERS 13-OCT-2016 AND AFTER (90) - PLATFORM, CAB, BODYWORK AND DECALS
19
28
38
39
25
12
40
12
30
24
11
37
5
8
35
9
31
17
12
6
10
36
6
12
29
15
21
4
33
14
15
24
32
26
31
12
18
16
34
7
1
14
27
4
3
20
12
12
13
22
23
2
20
FIT
1:1
100%

Артикул

Название

Примечание

Количество

1

47645290

BRACKET

Hood Support, RH

1шт.

2

47645291

BRACKET

Hood Support, LH

1шт.

3

48066155

HOOD

Tilt, Gray

1шт.

4

87035448

SPACER,8.48mm ID x 12.7mm OD x 12.7mm L

2шт.

5

65319

WASHER,13.1mm ID x 25.4mm OD x 3.68mm Thk

1шт.

6

9671714

FLANGE BOLT,Hex, M8 x 1.25 x 25mm, Cl 8.8

2шт.

7

9804277

FLANGE NUT,Hex, M8 x 1.25, Cl 8

2шт.

8

47717894

PLATE,524.6mm L x 174.6mm W x 6.35mm Thk

1шт.

9

47717914

PLATE,431.6mm L x 303.6mm W x 6.35mm Thk

1шт.

10

47717905

PLATE,225mm L x 150mm W x 6.35mm Thk

1шт.

11

47717909

PLATE,275mm L x 160mm W x 6.35mm Thk

1шт.

12

87030529

SELF-TAP SCREW,HWH, 3/8" - 16 x 7/8"

34шт.

13

86625263

WASHER,9mm ID x 20mm OD x 1.6mm Thk

1шт.

14

189609A1

BALL STUD,M8 x 1.25

2шт.

15

86629542

NUT,M8 x 1.25, Cl 8.8

2шт.

16

47498985

ANGLE

Hood Lock Tab, CE Gray

1шт.

17

47957059

PANEL

RH Cover, Gray

1шт.

18

47957048

PANEL

LH Cover, Gray

1шт.

19

9804258

BOLT,Hex, M8 x 1.25 x 20mm, Cl 8.8

4шт.

20

84285339

SELF-TAP SCREW,Hex, M8 x 1.25 x 15mm

8шт.

21

47551543

ANGLE

Rear Deck Gray

1шт.

22

87015931

BOLT,Hvy Hex, M6 x 35mm, Cl 8.8

2шт.

23

84295151

COVER PLATE,400mm L x 280mm W x 4.75mm Thk

2шт.

24

647429

DRAIN PLUG,Sq Soc HD, 1/2" - 14, NPTF

6шт.

25

84372629

FOAM INSULATION

RH Heel Plate

1шт.

26

84287773

FOAM INSULATION

RH Filler

1шт.

27

48013159

FOAM INSULATION

LH Heel Plate

1шт.

28

47875089

FOAM INSULATION

LH Upper Chassis Filler

1шт.

29

47875087

FOAM INSULATION

RH Upper Chassis Filler

1шт.

30

47874957

FOAM INSULATION,177.8mm L x 38.1mm W x 25.4mm Thk

Chassis Filler

2шт.

31

47870227

FOAM INSULATION,130mm L x 25.4mm W x 25.4mm Thk

Chassis Filler

2шт.

32

84370417

PLATE,141mm L x 86mm W x 3.68mm Thk

2шт.

33

406256A1

HANDLE

Rear Hood

1шт.

34

86511827

SCREW,Phillips Drive, Pan HD, M5 x 20mm, Cl 4.8

2шт.

35

86639241

NUT,Prev Torque, M5 x 0.8, Cl 8

2шт.

36

87702286

TRIM,Bulk, 1/8" x 30480mm L

Cut to Length, 220mm

1шт.

37

87016586

SPRING NUT,Multi-Thd, M8 x 1.25

7шт.

38

87036415

SPACER,9.25mm ID x 13.72 OD x 19.05mm L

2шт.

39

86511444

FLANGE NUT,Hex, M6 x 1

2шт.

40

47660286

BUMPER

Rubber

2шт.

Выбрано товаров: 40