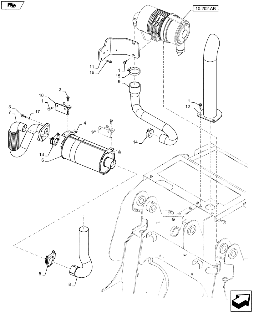
Запчасти Case SV185 (10.254.AI) - EXHAUST SYSTEM W/ MUFFLER (10) - ENGINE

Схема запчастей Case SV185 - (10.254.AI) - EXHAUST SYSTEM W/ MUFFLER (10) - ENGINE
17
6
16
1
3
1
2
10
4
home
12
15
10.202.ab
1
11
14
8
13
7
5
9
FIT
1:1
100%

Артикул

Название

Примечание

Количество

1

9671714

FLANGE BOLT,Hex, M8 x 1.25 x 25mm, Cl 8.8

12шт.

2

9804258

BOLT,Hex, M8 x 1.25 x 20mm, Cl 8.8

4шт.

3

9804260

BOLT,Hex, M8 x 1.25 x 30mm, Full Thd, Cl 8.8

2шт.

4

9804277

FLANGE NUT,Hex, M8 x 1.25, Cl 8

4шт.

5

87461995

CLAMP,68mm ID, Muffler

Muffler, 2.68"

1шт.

6

84287171

MUFFLER,Aspirated

Bilen ISM

1шт.

7

84287177

TUBE

Exhaust Flexible

1шт.

8

84287180

TUBE

Exhaust Tailpipe

1шт.

9

84287200

HOSE

Air Cleaner To Turbo

1шт.

10

84308151

MOUNTING PLATE

Muffler

2шт.

11

84370092

BRACKET

Air Cleaner ISM

1шт.

12

84495949

EXTENSION

Exhaust Stack

1шт.

13

84588569

CLAMP,54mm ID, Muffler

Muffler, 2'

1шт.

14

86050202

HOSE CLAMP,1.59” - 2.5”, Worm Gear

1шт.

15

86625032

HOSE CLAMP,88.9mm ID - 65mm ID

1шт.

16

87016557

SELF-TAP SCREW,Hex, M8 x 1.25 x 25mm

3шт.

17

87360034

SPACER,8.48mm ID x 12.7mm OD x 3.5mm L

2шт.

Выбрано товаров: 17