Запчасти Case SV185 (35.734.AA[03]) - HYDRAULIC COUPLER (35) - HYDRAULIC SYSTEMS

Схема запчастей Case SV185 - (35.734.AA[03]) - HYDRAULIC COUPLER (35) - HYDRAULIC SYSTEMS
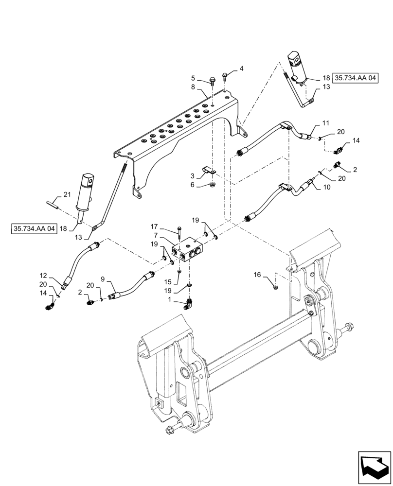
13
14
4
20
18
20
6
15
20
2
1
18
17
19
2
19
3
14
7
21
16
13
12
11
8
5
10
9
35.734.aa 04
19
20
35.734.aa 04
FIT
1:1
100%

Артикул

Название

Примечание

Количество

1

76344

90 ELBOW,9/16" - 18 JIC x 9/16" - 18 ORB

Incl 19

2шт.

2

265235

HYD CONNECTOR,7/16" - 20 ORB x 7/16" - 20 JIC

Incl 20

2шт.

3

577927

CLAMP,12.7mm, Coat, 10.3mm Bolt Hole, P Type

Cable

1шт.

4

9671714

FLANGE BOLT,Hex, M8 x 1.25 x 25mm, Cl 8.8

2шт.

5

9804261

BOLT,Hex, M10 x 25mm, Cl 8.8, Full Thd

1шт.

6

9804278

FLANGE NUT,M10 x 1.5, Cl 8

1шт.

7

47418981

CHECK VALVE

Hydraulic Coupler

1шт.

8

47426338

STEP

Hydraulic Coupler Cover

1шт.

9

47426339

HYDRAULIC HOSE,6.35mm ID x 240mm L, SAE 100R16

Check Valve To LH Hydraulic Coupler Cylinder, Base End, Incl 19

1шт.

10

47426340

HYDRAULIC HOSE,6.35mm ID x 456mm L, SAE 100R16

Check Valve To RH Hydraulic Coupler Cylinder, Base End, Incl 19

1шт.

11

47426341

HYDRAULIC HOSE,6.35mm ID x 469mm L, SAE 100R17

Check Valve To RH Hydraulic Coupler Cylinder, Rod End, Incl 19

1шт.

12

47426342

HYDRAULIC HOSE,6.35mm ID x 255mm L, SAE 100R17

Check Valve To LH Hydraulic Coupler Cylinder, Rod End, Incl 19

1шт.

13

84387739

ROD

Hydraulic Coupler Position Indicator

2шт.

14

86512993

ELBOW,45 Degree, 7/16" - 20 JIC x 7/16" - 20 ORB

Incl 20

2шт.

15

86619800

FLANGE NUT,M6 x 1, Cl 8

2шт.

16

86619801

FLANGE NUT,M8 x 1.25, Cl 8

2шт.

17

87026500

BOLT,Hex, M6 x 1 x 50mm, Cl 8.8

2шт.

18

87442337

CYLINDER,Double Acting, 19.05mm Rod, 48mm Stroke

Hydraulic Coupler

2шт.

19

89617873

O-RING,0.078" Thk x 0.468" ID, -906, Cl 6, 90 Duro

6шт.

20

165202

O-RING,0.072" Thk x 0.351" ID, -904, Cl 6, 90 Duro

4шт.

21

86624093

PIN,9.53mm OD x 63.5mm L

2шт.

Выбрано товаров: 0