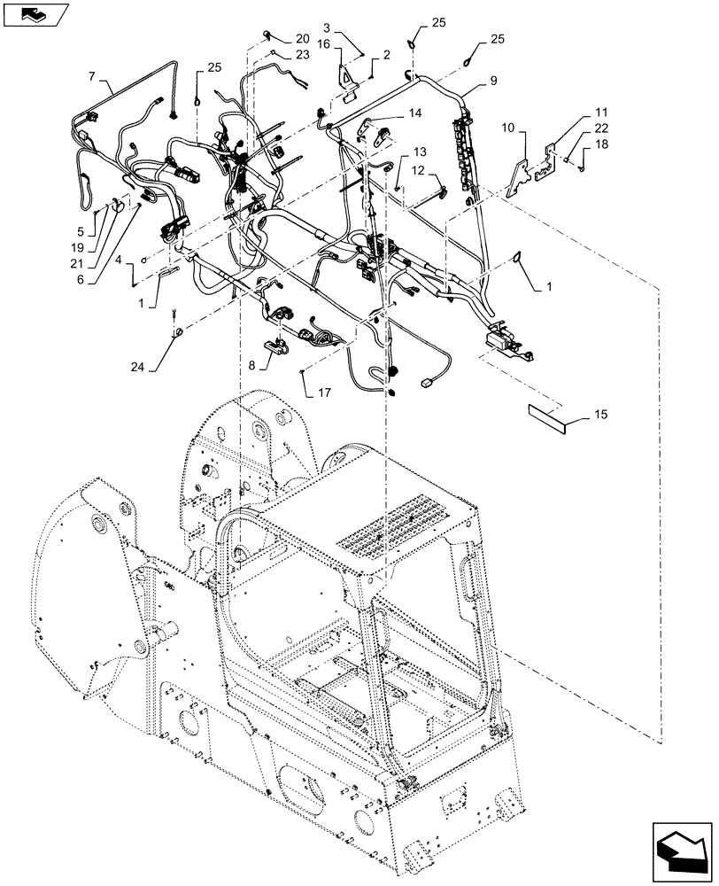
Запчасти Case SV185 (55.101.AC[01]) - WIRE HARNESS & CONNECTOR, MECHANICAL CONTROLS (17-JUN-2015 & PRIOR) (55) - ELECTRICAL SYSTEMS

Схема запчастей Case SV185 - (55.101.AC[01]) - WIRE HARNESS & CONNECTOR, MECHANICAL CONTROLS (17-JUN-2015 & PRIOR) (55) - ELECTRICAL SYSTEMS
12
23
13
14
8
22
17
18
1
16
9
24
15
25
25
6
3
19
7
5
1
20
home
25
10
2
21
11
4
FIT
1:1
100%

Артикул

Название

Примечание

Количество

1

263117

CABLE TIE,292.1mm L, Nylon, Black

2шт.

2

9706703

CARRIAGE BOLT,Sht Sq Nk, M6 x 1 x 20mm, Cl 8.8, Full Thd

2шт.

3

9804255

BOLT,Hex, M6 x 1 x 16mm, Full Thd, Cl 8.8

4шт.

4

9804256

BOLT,Hex, M6 x 1 x 20mm, Full Thd, Cl 8.8

1шт.

5

9804257

FLANGE BOLT,Hex, M6 x 1.0 x 25mm, Cl 8.8, Full Thd

1шт.

6

9804276

FLANGE NUT,Hex, M6 x 1, Cl 8

PWM Propel Auxiliary

8шт.

7

47377800

WIRE HARNESS

Chassis, Mechanical Controls, Incl 26, 28 - 37, Years: -09-SEP-13

1шт.

7

47523488

WIRE HARNESS

Chassis, Mechanical Controls, Incl 26, 28 - 37, Years: 10-SEP-13-24-AUG-14

1шт.

7

47703669

WIRE HARNESS

Chassis, Mechanical Controls, Incl 26, 28 - 37, Start Year: 25-AUG-14

1шт.

8

84131374

MODULE

PWM, Proportional Auxiliary

1шт.

9

47385472

WIRE HARNESS

Cab, Mechanical Controls, Enclosed Cab, Incl 26 - 27

1шт.

10

84309934

SEAL

Assembly, LH, Outer

1шт.

11

84309935

SEAL

Assembly, LH, Inner

1шт.

12

84420746

CABLE TIE,403.9mm L, Nylon

Tie, 10" With Screw Hole

10шт.

13

84420768

FASTENER,Pine Tree, 5/8" x 20.01mm

10шт.

14

84541427

BRACKET

Engine Harness Interface

1шт.

15

84553023

DECAL

Fuse Box Layout, Mechanical Controls, Years: -29-JUL-13

1шт.

15

47544623

DECAL

Fuse Box Layout, Mechanical Controls, Start Year: 01-AUG-13

1шт.

16

47510427

ANGLE

Fuse/Relay Mounting

1шт.

17

86511841

BOLT,Flng, M8 x 1.25 x 16mm, Full Thd, Cl 8.8

5шт.

18

86620930

FASTENER,Push-In, 1.10" L, Nylon

4шт.

19

86624182

WASHER,6.6mm ID x 18mm OD x 1.6mm Thk

1шт.

20

86637977

CLAMP,25.4mm, Coat, 8.7mm Bolt Hole, P Type

1шт.

21

86639002

CLAMP,34.9mm, Coat, 11.9mm Bolt Hole, P Type

1шт.

22

87035448

SPACER,8.48mm ID x 12.7mm OD x 12.7mm L

4шт.

23

87037780

CLAMP,15.8mm, Coat, 8.7mm Bolt Hole, J Type

Blank, Switch Hole, EH Pattern, Not Shown

1шт.

24

87313351

CLIP,25.4mm, Coat, 8.7mm Bolt Hole, J Type

J, 25.4mm Insulated, CST, ZND, M8 Bolt

1шт.

25

87668737

CABLE TIE,203.2mm L, Nylon, Black

3 Amp, Bullet Connector, Accessory Backfeed, Not Shown

1шт.

26

L71879

DIODE ELEMENT,400V, 3A

3 Amp, Bullet Connector, Accessory Backfeed, Not Shown

2шт.

27

774735

DIODE,6A

6 Amp, Hazard Switch Indicator Backfeed, Not Shown

1шт.

28

121849A1

FUSE,Mini, 2 Amp

2 Amp, Mini, Not Shown

2шт.

29

121410A1

FUSE,5A, Mini, Tan

Not Shown

5шт.

30

121412A1

FUSE,10A, Mini, Red

Not Shown

2шт.

31

121413A1

FUSE,15A, Mini, Blue

Not Shown

4шт.

32

121414A1

FUSE,20A, Mini, Yellow

Not Shown

1шт.

33

121415A1

FUSE,25A, Mini, Clear

Not Shown

4шт.

34

121416A1

FUSE,30A, Mini, Green

Not Shown

1шт.

35

84297432

RELAY,12V, 70A

70 Amp, Not Shown

1шт.

36

87655334

RELAY,12V, 35A, Micro

35 Amp, Micro, Not Shown

4шт.

37

82013124

RELAY,12V, 30A

ABS/Glow Plugs, Not Shown

2шт.

Выбрано товаров: 0