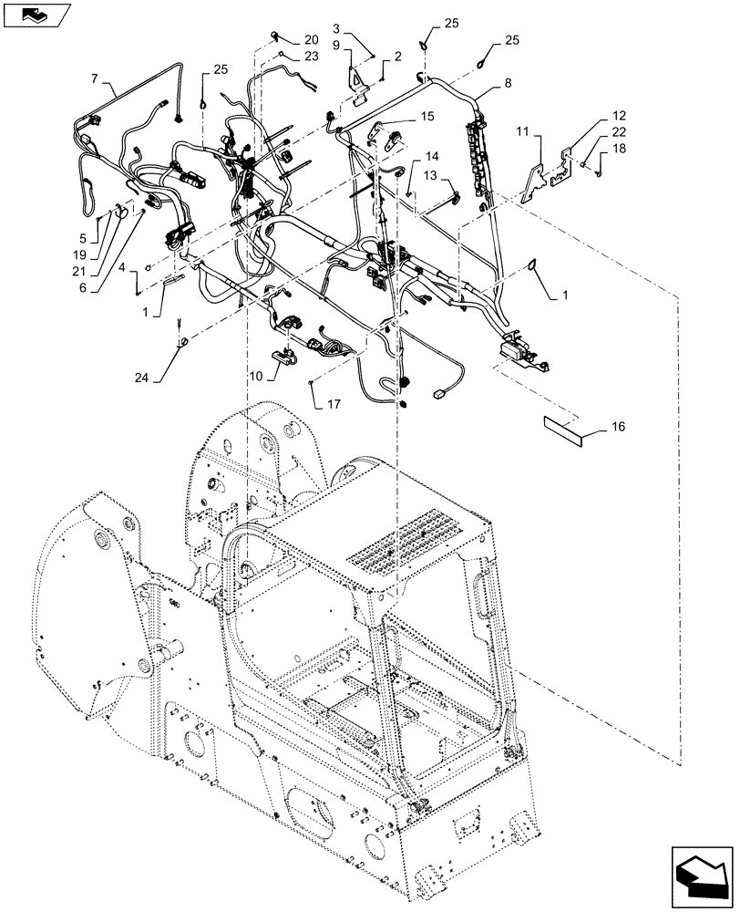
Запчасти Case SV185 (55.101.AC[02]) - WIRE HARNESS & CONNECTOR, MECHANICAL CONTROLS, OPEN CAB (17-JUN-2015 & PRIOR) (55) - ELECTRICAL SYSTEMS

Схема запчастей Case SV185 - (55.101.AC[02]) - WIRE HARNESS & CONNECTOR, MECHANICAL CONTROLS, OPEN CAB (17-JUN-2015 & PRIOR) (55) - ELECTRICAL SYSTEMS
5
11
8
2
24
12
3
18
1
21
14
home
7
25
10
20
9
25
1
4
19
23
13
25
6
16
15
17
22
FIT
1:1
100%

Артикул

Название

Примечание

Количество

1

263117

CABLE TIE,292.1mm L, Nylon, Black

2шт.

2

9706703

CARRIAGE BOLT,Sht Sq Nk, M6 x 1 x 20mm, Cl 8.8, Full Thd

2шт.

3

9804255

BOLT,Hex, M6 x 1 x 16mm, Full Thd, Cl 8.8

4шт.

4

9804256

BOLT,Hex, M6 x 1 x 20mm, Full Thd, Cl 8.8

1шт.

5

9804257

FLANGE BOLT,Hex, M6 x 1.0 x 25mm, Cl 8.8, Full Thd

1шт.

6

9804276

FLANGE NUT,Hex, M6 x 1, Cl 8

8шт.

7

47377800

WIRE HARNESS

Chassis, Mechanical Controls, Incl 26, 28 - 37, Years: -09-SEP-13

1шт.

7

47523488

WIRE HARNESS

Chassis, Mechanical Controls, Incl 26, 28 - 37, Years: 10-SEP-13-24-AUG-14

1шт.

7

47703669

WIRE HARNESS

Chassis, Mechanical Controls, Incl 26, 28 - 37, Start Year: 25-AUG-14

1шт.

8

47385474

WIRE HARNESS

Cab, Mechanical Controls, Open Cab, Incl 26 - 27

1шт.

9

47510427

ANGLE

Fuse/Relay Mounting

1шт.

10

84131374

MODULE

PWM, Proportional Auxiliary

1шт.

11

84309934

SEAL

Assembly, LH, Outer, Years: -18-FEB-14

1шт.

11

47535366

SEAL

Assembly, LH, Outer, Start Year: 19-FEB-14

1шт.

12

84309935

SEAL

Assembly, LH, Inner, Years: -18-FEB-14

1шт.

12

47535368

SEAL

Assembly, LH, Inner, Start Year: 19-FEB-14

1шт.

13

84420746

CABLE TIE,403.9mm L, Nylon

Tie, 10" With Screw Hole

10шт.

14

84420768

FASTENER,Pine Tree, 5/8" x 20.01mm

Fir Tree, 5/8" Dia Head

10шт.

15

84541427

BRACKET

Engine Harness Interface

1шт.

16

84553023

DECAL

Fuse Box Layout, Mechanical Controls, Years: -09-SEP-13

1шт.

16

47544623

DECAL

Fuse Box Layout, Mechanical Controls, Start Year: 10-SEP-13

1шт.

17

86511841

BOLT,Flng, M8 x 1.25 x 16mm, Full Thd, Cl 8.8

5шт.

18

86620930

FASTENER,Push-In, 1.10" L, Nylon

Fir Tree, 1" Dia Head, Black

4шт.

19

86624182

WASHER,6.6mm ID x 18mm OD x 1.6mm Thk

1шт.

20

86637977

CLAMP,25.4mm, Coat, 8.7mm Bolt Hole, P Type

1шт.

21

86639002

CLAMP,34.9mm, Coat, 11.9mm Bolt Hole, P Type

1шт.

22

87035448

SPACER,8.48mm ID x 12.7mm OD x 12.7mm L

4шт.

23

87037780

CLAMP,15.8mm, Coat, 8.7mm Bolt Hole, J Type

1шт.

24

87313351

CLIP,25.4mm, Coat, 8.7mm Bolt Hole, J Type

1шт.

25

87668737

CABLE TIE,203.2mm L, Nylon, Black

1шт.

26

L71879

DIODE ELEMENT,400V, 3A

3 Amp, Bullet Connector, Accessory Backfeed, Not Shown

2шт.

27

774735

DIODE,6A

Hazard Switch Indicator Backfeed, Not Shown

1шт.

28

121849A1

FUSE,Mini, 2 Amp

Not Shown

2шт.

29

121410A1

FUSE,5A, Mini, Tan

Not Shown

5шт.

30

121412A1

FUSE,10A, Mini, Red

Not Shown

2шт.

31

121413A1

FUSE,15A, Mini, Blue

Not Shown

4шт.

32

121414A1

FUSE,20A, Mini, Yellow

Not Shown

1шт.

33

121415A1

FUSE,25A, Mini, Clear

Not Shown

4шт.

34

121416A1

FUSE,30A, Mini, Green

Not Shown

1шт.

35

84297432

RELAY,12V, 70A

Not Shown

1шт.

36

87655334

RELAY,12V, 35A, Micro

Not Shown

4шт.

36

87696396

RELAY,12V, 35A, Micro

Not Shown

4шт.

For Use With 47813007

1шт.

37

82013124

RELAY,12V, 30A

ABS/Glow Plugs, Not Shown

2шт.

Выбрано товаров: 0