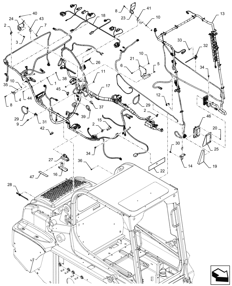
Запчасти Case SV185 (55.101.AC[02]) - WIRE HARNESS & CONNECTOR, MECHANICAL CONTROLS, OPEN CAB (18-JUN-2015 THRU 13-NOV-2016) (55) - ELECTRICAL SYSTEMS

Схема запчастей Case SV185 - (55.101.AC[02]) - WIRE HARNESS & CONNECTOR, MECHANICAL CONTROLS, OPEN CAB (18-JUN-2015 THRU 13-NOV-2016) (55) - ELECTRICAL SYSTEMS
43
13
16
2
22
14
6
31
3
45
9
10
28
44
25
4
5
20
27
34
10
35
46
33
41
24
2
18
39
19
29
32
30
8
29
23
10
47
21
2
11
17
12
8
1
42
7
26
37
38
15
40
34
36
FIT
1:1
100%

Артикул

Название

Примечание

Количество

1

80707

WASHER,0.25" ID x 0.56" OD x 0.05" Thk

2шт.

2

263117

CABLE TIE,292.1mm L, Nylon, Black

25шт.

3

300383

BOLT,Hex, M10 x 1.5 x 16mm, Cl 8.8, Full Thd

2шт.

4

619284

CLAMP,23.8mm, Coat, 10.3mm Bolt Hole, P Type

1шт.

5

9706703

CARRIAGE BOLT,Sht Sq Nk, M6 x 1 x 20mm, Cl 8.8, Full Thd

2шт.

6

9804255

BOLT,Hex, M6 x 1 x 16mm, Full Thd, Cl 8.8

2шт.

7

9804256

BOLT,Hex, M6 x 1 x 20mm, Full Thd, Cl 8.8

4шт.

8

9804257

FLANGE BOLT,Hex, M6 x 1.0 x 25mm, Cl 8.8, Full Thd

2шт.

9

9804258

BOLT,Hex, M8 x 1.25 x 20mm, Cl 8.8

1шт.

10

9804276

FLANGE NUT,Hex, M6 x 1, Cl 8

8шт.

11

9804277

FLANGE NUT,Hex, M8 x 1.25, Cl 8

1шт.

12

126844A1

PLUG,1.427” x .62” , Plastic

1шт.

13

47803841

WIRE HARNESS

Cab, Mech

1шт.

14

47807585

BRACKET

Harness, Crossover

1шт.

15

47807590

BRACKET

Crossover, Lower Guide

1шт.

16

47807591

BRACKET

Control Tray

1шт.

17

47813007

WIRE HARNESS

Chassis, Mech

1шт.

18

47818396

WIRE HARNESS

Chassis, RH Tower

1шт.

19

47825018

FOAM INSULATION,172mm L x 27.9mm Thk

1шт.

20

47825034

SCREW,Pan Head, #10 - 14 x 5/8"

4шт.

21

47832750

BRACKET

GCU Fuse Mount

1шт.

22

47859138

DECAL

Fuse Box Layout, Mech

1шт.

23

NS

NOT SERVICED

Harness Retention

1шт.

24

NS

NOT SERVICED

Harness Retention, Gray

1шт.

25

47825472

PLATE

Bulkhead Adapter, Years: -16-JUL-15

1шт.

25

47867182

Bulkhead Adapter, Start Year: 17-JUL-15

PLATE

1шт.

26

82012869

CABLE TIE,300mm L, Nylon, Black

5шт.

27

84131374

MODULE

Prop Aux

1шт.

28

84259663

CABLE TIE,228.6mm L, Nylon, Black

4шт.

29

84266050

CABLE TIE,384mm L, Polyamide

5шт.

30

84285339

SELF-TAP SCREW,Hex, M8 x 1.25 x 15mm

1шт.

31

84360210

BASE

Tie

1шт.

32

84420746

CABLE TIE,403.9mm L, Nylon

10шт.

33

84420768

FASTENER,Pine Tree, 5/8" x 20.01mm

10шт.

34

86511841

BOLT,Flng, M8 x 1.25 x 16mm, Full Thd, Cl 8.8

5шт.

35

86624182

WASHER,6.6mm ID x 18mm OD x 1.6mm Thk

1шт.

36

86625199

SELF-TAP SCREW,Hex, M6 x 1 x 13mm

2шт.

37

86637977

CLAMP,25.4mm, Coat, 8.7mm Bolt Hole, P Type

1шт.

38

86639241

NUT,Prev Torque, M5 x 0.8, Cl 8

1шт.

39

86991009

CABLE TIE,222mm L, Nylon

1шт.

40

87016585

NUT,Spring, M6 x 1

1шт.

41

87029955

CLAMP,22.2mm, Coat, 10.3mm Bolt Hole, P Type

1шт.

42

87301490

CLAMP,12.7mm, Coat, 10.3mm Bolt Hole, J Type

1шт.

43

87307884

CLAMP,27mm, Coat, 8.7mm Bolt Hole, P Type

2шт.

44

87308282

SCREW,HWH, #10 - 32 x 3/4"

1шт.

45

87668737

CABLE TIE,203.2mm L, Nylon, Black

5шт.

46

87718301

WIRE CONNECTOR,Flange

1шт.

47

87739941

TAPE

Cut to Length, 150mm

1шт.

Выбрано товаров: 0