Запчасти Case SV185 (55.101.AC[03]) - WIRE HARNESS & CONNECTOR, ELECTRONIC CONTROLS (17-JUN-2015 & PRIOR) (55) - ELECTRICAL SYSTEMS

Схема запчастей Case SV185 - (55.101.AC[03]) - WIRE HARNESS & CONNECTOR, ELECTRONIC CONTROLS (17-JUN-2015 & PRIOR) (55) - ELECTRICAL SYSTEMS
25
19
10
27
5
13
16
12
15
27
28
20
27
6
11
2
4
9
6
21
8
1
23
22
14
24
5
3
26
home
7
18
17
FIT
1:1
100%

Артикул

Название

Примечание

Количество

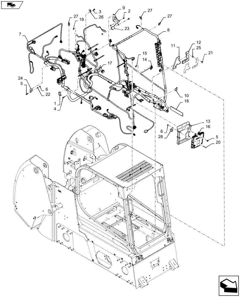
1

263117

CABLE TIE,292.1mm L, Nylon, Black

2шт.

2

9706703

CARRIAGE BOLT,Sht Sq Nk, M6 x 1 x 20mm, Cl 8.8, Full Thd

2шт.

3

9804255

BOLT,Hex, M6 x 1 x 16mm, Full Thd, Cl 8.8

4шт.

4

9804256

BOLT,Hex, M6 x 1 x 20mm, Full Thd, Cl 8.8

1шт.

5

9804257

FLANGE BOLT,Hex, M6 x 1.0 x 25mm, Cl 8.8, Full Thd

5шт.

6

9804276

FLANGE NUT,Hex, M6 x 1, Cl 8

Rocker, E-H Drive Pattern, Not Shown

12шт.

7

47377801

WIRE HARNESS

Chassis, E-H Controls, Incl 29, 31 - 43, Years: -09-SEP-13

1шт.

7

47523489

WIRE HARNESS

Chassis, E-H Controls, Incl 29, 31 - 43, Years: 10-SEP-13-24-AUG-14

1шт.

7

47703671

WIRE HARNESS

Chassis, E-H Controls, Incl 29, 31 - 43, Start Year: 25-AUG-14

1шт.

8

47385475

WIRE HARNESS

Cab, E-H Controls, Enclosed Cab, Incl 29 - 30

1шт.

9

47510427

ANGLE

Fuse/Relay Mounting

1шт.

10

87668737

CABLE TIE,203.2mm L, Nylon, Black

Tie

1шт.

11

84309937

SEAL

Assembly, LH, Outer

1шт.

12

84309938

SEAL

Assembly, LH, Inner

1шт.

13

84332287

BRACKET

ECM

1шт.

14

84420746

CABLE TIE,403.9mm L, Nylon

Tie, 10" With Screw Hole

10шт.

15

84420768

FASTENER,Pine Tree, 5/8" x 20.01mm

Fir Tree, 5/8" Dia Head

10шт.

16

84529539

ECU

Chassis ECM

1шт.

16

84529539R

REMAN ELECT CONTROL

Reman For New P/N 84529539

1шт.

16

84529539C

CORE-ELECTRONIC CONT

Return Number

1шт.

17

84541427

BRACKET

Engine Harness Interface

1шт.

18

84553024

DECAL

Fuse Box Layout, E-H Controls, Years: -09-SEP-13

1шт.

18

47544624

DECAL

Fuse Box Layout, E-H Controls, Start Year: 10-SEP-13

1шт.

19

86511841

BOLT,Flng, M8 x 1.25 x 16mm, Full Thd, Cl 8.8

4шт.

20

86512442

CARRIAGE BOLT,Sht Sq Nk, M6 x 80mm, Cl 8.8

M6 - 1 x 80mm, Class 8.8, ZND

4шт.

21

86620930

FASTENER,Push-In, 1.10" L, Nylon

4шт.

22

86624182

WASHER,6.6mm ID x 18mm OD x 1.6mm Thk

1шт.

23

86637977

CLAMP,25.4mm, Coat, 8.7mm Bolt Hole, P Type

2шт.

24

86639002

CLAMP,34.9mm, Coat, 11.9mm Bolt Hole, P Type

1шт.

25

87035448

SPACER,8.48mm ID x 12.7mm OD x 12.7mm L

4шт.

26

87037780

CLAMP,15.8mm, Coat, 8.7mm Bolt Hole, J Type

1шт.

27

87313351

CLIP,25.4mm, Coat, 8.7mm Bolt Hole, J Type

1шт.

28

87313355

CLAMP,38.1mm, Coat, 8.7mm Bolt Hole, J Type

2шт.

29

L71879

DIODE ELEMENT,400V, 3A

3 Amp, Bullet Connector, Accessory Backfeed, Not Shown

2шт.

30

774735

DIODE,6A

6 Amp, Hazard Switch Indicator Backfeed, Not Shown

1шт.

31

121849A1

FUSE,Mini, 2 Amp

2 Amp, Mini, Not Shown

5шт.

32

121850A1

FUSE,3A, Mini, Violet

Not Shown

3шт.

33

121851A1

FUSE,4A, Mini, Pink

4 Amp, Mini, Not Shown

7шт.

34

121410A1

FUSE,5A, Mini, Tan

Not Shown

3шт.

35

121411A1

FUSE,7.5A, Mini, Brown

Not Shown

2шт.

36

121412A1

FUSE,10A, Mini, Red

Not Shown

5шт.

37

121413A1

FUSE,15A, Mini, Blue

Not Shown

4шт.

38

121414A1

FUSE,20A, Mini, Yellow

Not Shown

3шт.

39

121415A1

FUSE,25A, Mini, Clear

Not Shown

5шт.

40

121416A1

FUSE,30A, Mini, Green

Not Shown

1шт.

41

87655334

RELAY,12V, 35A, Micro

35 Amp, Micro, Not Shown

7шт.

42

82013124

RELAY,12V, 30A

ABS/Glow Plugs, Not Shown

2шт.

43

84297432

RELAY,12V, 70A

70 Amp, Not Shown

1шт.

Выбрано товаров: 0