Запчасти Case SV185 (35.353.AC[04]) - BRAKE LINES (35) - HYDRAULIC SYSTEMS

Схема запчастей Case SV185 - (35.353.AC[04]) - BRAKE LINES (35) - HYDRAULIC SYSTEMS
3
5
35.353.ad 04
4
5
2
9
home
5
35.353.ad 04
5
4
6
7
8
35.353.ac 02
6
10
1
FIT
1:1
100%

Артикул

Название

Примечание

Количество

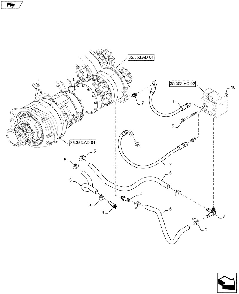
1

84257177

HOSE ASSY.,6.35mm ID x 420.8mm L, SAE 100R17

Brake

1шт.

2

84257176

HOSE ASSY.,6.35mm ID x 656.4mm L, SAE 100R17

Brake

1шт.

3

84259527

HOSE,12.7mm ID x 405.8mm L

Case Drain

1шт.

4

86705988

FITTING,1/2" Hose Bead x 9/16" - 18 ORB

2шт.

5

13021

HOSE CLAMP,12.7mm - 23.1mm, Worm Gear

5шт.

6

84257173

HOSE,12.7mm ID x 570mm L

Drain

2шт.

7

76350

HYD CONNECTOR,9/16" - 18 ORB x 9/16" - 18 JIC

3шт.

8

84187294

ADAPTER,12.7mm OD Hose Bead x 12.7mm Hose Bead x 9/16" - 18 ORB

1/2 X 1/2 X 9/16 ORB

1шт.

9

229197A1

SQUARE NUT,M8 x 1.25, Cl 8

M8-1.25

2шт.

10

86511844

BOLT,M8 x 1.25 x 100mm, 22mm Thd, Cl 8.8

2шт.

Выбрано товаров: 0