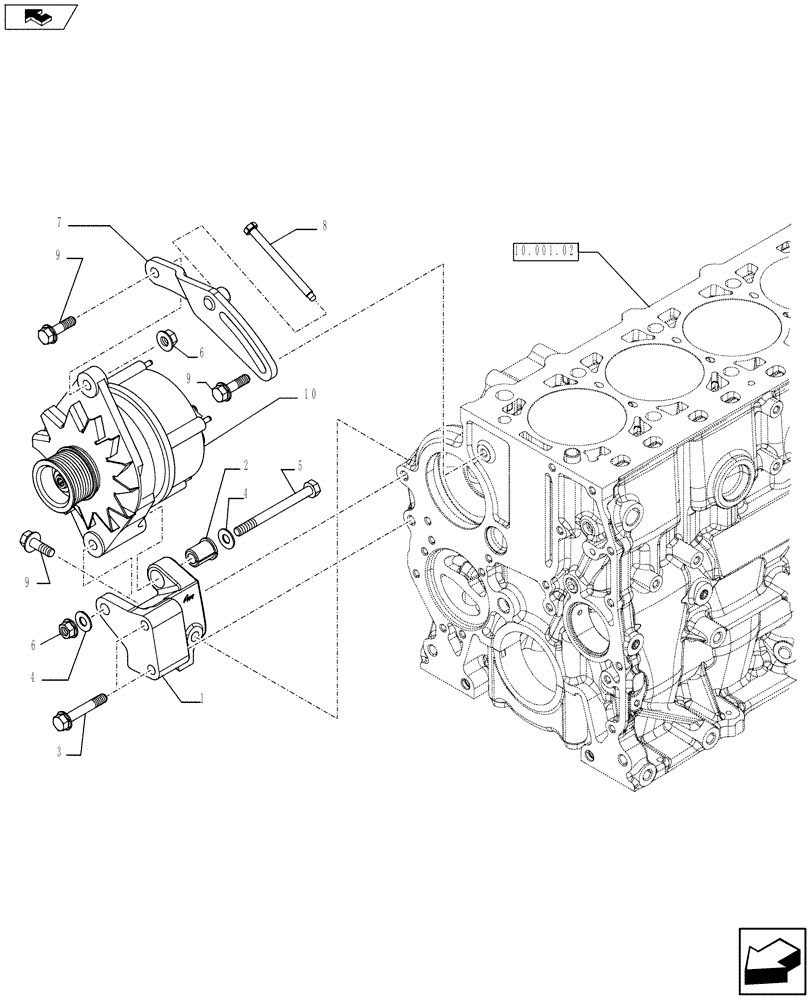
Запчасти Case SV250 (55.301.02) - ENGINE, ALTERNATOR MOUNTING (504388098) (55) - ELECTRICAL SYSTEMS

Схема запчастей Case SV250 - (55.301.02) - ENGINE, ALTERNATOR MOUNTING (504388098) (55) - ELECTRICAL SYSTEMS
9
10.001.02
1
3
8
2
home
4
7
10
6
4
9
9
6
5
FIT
1:1
100%

Артикул

Название

Примечание

Количество

1

504276997

BRACKET, SUPPORTING

1шт.

2

2852181

SPACER,10.4mm ID x 22mm OD x 35mm L

1шт.

3

16587824

BOLT,Hex, M10 x 1.5 x 60mm

2шт.

4

17095104

WASHER

D. 10X21X2 mm

2шт.

5

16609024

BOLT

1шт.

6

17044821

NUT

M10

1шт.

6

17037921

NUT,Hex, M8 x 1.25

1шт.

7

504243953

BELT TENSIONER

1шт.

8

504302206

BOLT

1шт.

9

16587325

SCREW,Hex, M10 x 35mm

3шт.

10

REF

INSTRUCTION

See Attaching Component

1шт.

Выбрано товаров: 11