Запчасти Case SV250 (35.220.AA[02]) - HIGH FLOW GEAR PUMP (35) - HYDRAULIC SYSTEMS

Схема запчастей Case SV250 - (35.220.AA[02]) - HIGH FLOW GEAR PUMP (35) - HYDRAULIC SYSTEMS
35.525.aa 03
4
home
13
9
6
7
5
3
10
11
1
14
12
2
FIT
1:1
100%

Артикул

Название

Примечание

Количество

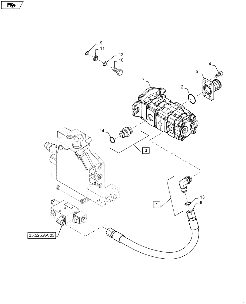
1

164910

90 ELBOW,7/8" - 14 JIC x 7/8" - 14 ORB

Incl 13

1шт.

2

274754

O-RING,0.139" Thk x 1.359" ID, -220, Cl 5, 75 Duro

1шт.

3

322896

HYD CONNECTOR,1-1/16" - 12 ORB x 1-1/16" - 12 JIC

Incl 14

1шт.

4

14307321

HEX SOC SCREW,M10 x 1.25 x 20mm, Full Thd, Cl 8.8

4шт.

5

84269151

FITTING

High Flow Gear Pump Suction

1шт.

6

84329004

HOSE,15.88mm ID x 586mm L, SAE 100R17

High Flow Gear Pump Supply

1шт.

7

84572270

PUMP,36.6 CC

Gear, High Flow, 36/20CC, Incl 8

1шт.

8

84389262

SEAL KIT

High Flow Gear Pump, 36/20CC, Not Shown

1шт.

9

87013729

O-RING,0.07" Thk x 3.739" ID, -44, Cl 5, 75 Duro

Gear Pump Mounting O-Ring

1шт.

10

9706693

BOLT,M12 x 60mm, Cl 8.8

Gear Pump Mounting

1шт.

11

9804279

FLANGE NUT,Hex, M12, Cl 8

Gear Pump Mounting

1шт.

12

86625255

WASHER,13.3mm ID x 24.5mm OD x 3mm Thk

Gear Pump Mounting

1шт.

13

167269

O-RING,0.097" Thk x 0.755" ID, -910, Cl 6, 90 Duro

7/8" ORB

1шт.

14

167266

O-RING,0.116" Thk x 0.924" ID, -912, Cl 6, 90 Duro

1-1/16" ORB

1шт.

Выбрано товаров: 14