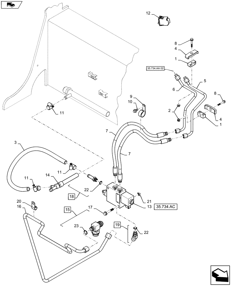
Запчасти Case SV250 (35.734.AA[01]) - HYDRAULIC COUPLER CHASSIS PLUMBING (35) - HYDRAULIC SYSTEMS

Схема запчастей Case SV250 - (35.734.AA[01]) - HYDRAULIC COUPLER CHASSIS PLUMBING (35) - HYDRAULIC SYSTEMS
22
1
7
3
20
13
10
35.734.ac
4
1
23
16
15
11
8
2
5
21
11
7
14
35.734.aa 02
22
17
home
18
19
8
6
9
12
11
4
FIT
1:1
100%

Артикул

Название

Примечание

Количество

1

604896

CLAMP,Dual, 3/8" Hose, 6mm Bolt

Double Tube

2шт.

2

9804276

FLANGE NUT,Hex, M6 x 1, Cl 8

2шт.

3

84201227

HOSE,12.7mm ID x 615mm L

Hydraulic Coupler Drain

1шт.

4

D120614

CLAMP,25mm W x 68mm L x 9mm Thk

Tube

2шт.

5

84555943

HYD TUBE

Hydraulic Coupler

1шт.

6

84555945

HYD TUBE

Hydraulic Coupler

1шт.

7

84555947

HYDRAULIC HOSE,6.35mm ID x 565mm L, SAE 100R17

Hydraulic Coupler Drain

1шт.

8

86511840

BOLT,Hex Flng, M6 x 1 x 40mm, Cl 8.8

Hydraulic Tube

2шт.

9

87313351

CLIP,25.4mm, Coat, 8.7mm Bolt Hole, J Type

1шт.

10

87752074

SCREW,HWH, M8 x 1.25 x 16mm

1шт.

11

13021

HOSE CLAMP,12.7mm - 23.1mm, Worm Gear

3шт.

12

84251346

SWITCH

Hydraulic Coupler

1шт.

13

84256406

HYDRAULIC VALVE

Coupler

1шт.

14

84259682

UNION TEE,12.5mm ID 125mm Hose, W/ 1/2" Barb Tee

Option, Drain

1шт.

15

84546403

BRANCH TEE,1-1/16" - 12 ORB x 1-1/16" - 12 JIC x 3/4" - 16 JIC

Attach To Loader Supply Valve, Incl 23

1шт.

16

84546406

HYD TUBE

Supply, Hydraulic Coupler

1шт.

17

86511481

FLANGE BOLT,Hex, M8 x 1.25 x 50mm, Cl 8.8

2шт.

18

86705988

FITTING,1/2" Hose Bead x 9/16" - 18 ORB

Incl 22

1шт.

19

87301276

HYD CONNECTOR,45 Degree, 9/16" - 18 ORB x 3/4" - 16 JIC

1шт.

20

87301490

CLAMP,12.7mm, Coat, 10.3mm Bolt Hole, J Type

1шт.

21

229197A1

SQUARE NUT,M8 x 1.25, Cl 8

2шт.

22

9617873

O-RING,0.078" Thk x 0.468" ID, -906, Cl 6, 90 Duro

2шт.

23

167266

O-RING,0.116" Thk x 0.924" ID, -912, Cl 6, 90 Duro

1шт.

Выбрано товаров: 23