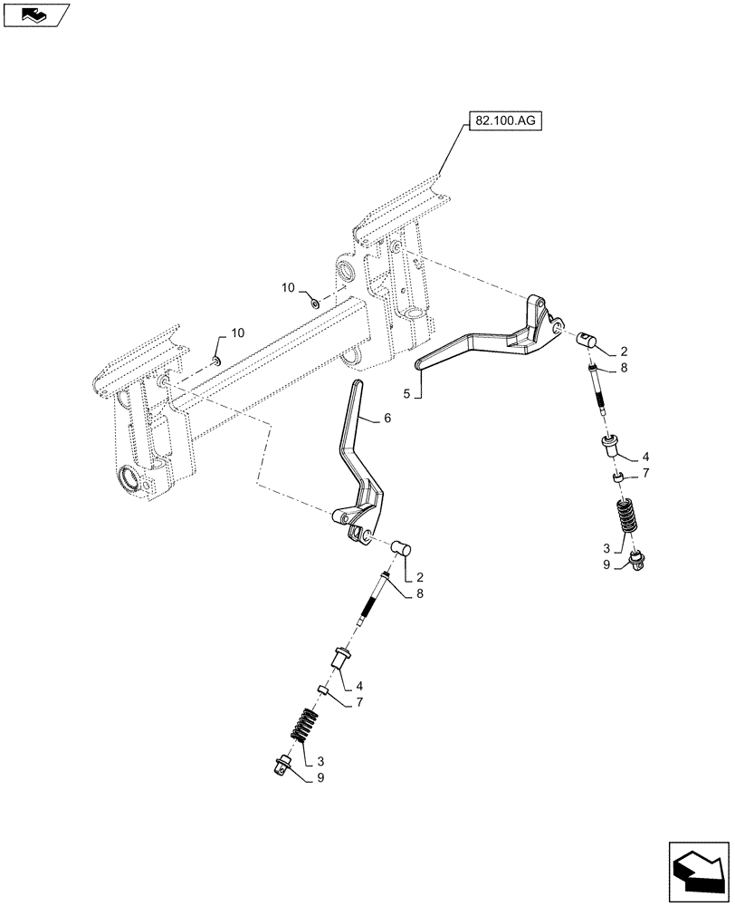
Запчасти Case SV250 (82.300.AC[01]) - MANUAL COUPLER (82) - FRONT LOADER & BUCKET

Схема запчастей Case SV250 - (82.300.AC[01]) - MANUAL COUPLER (82) - FRONT LOADER & BUCKET
82.100.ag
7
3
7
8
4
8
9
6
5
home
10
3
2
2
10
4
9
FIT
1:1
100%

Артикул

Название

Примечание

Количество

1

126844A1

PLUG,1.427” x .62” , Plastic

Switch Hole Cover, Not Shown

1шт.

2

9829733

PIN,25.4mm OD x 39mm L

25.4mm OD x 39mm Long

2шт.

3

84218843

COMPRESSION SPRING,36.6mm OD x 101.6mm L

Manual Coupler

2шт.

4

86610166

GUIDE,13.5mm ID x 22mm OD x 46.6mm L

Spring

2шт.

5

86633195

HANDLE

LH

1шт.

6

86633196

HANDLE

RH

1шт.

7

87412041

SPACER,13.88mm ID x 21.34mm OD x 12mm L

13.88mm x 21.34mm x 12mm

2шт.

8

87533223

12 PT SCREW,3/8" - 16 x 5", Gr 8

Manual Coupler Spring

2шт.

9

87579303

PIN,34.92mm OD x 43.6mm L

Lowering Spring

2шт.

10

87655046

SPECIAL WASHER,10.65mm ID x 23mm OD x 2.2mm Thk

M10, 10.65mm x 23.0mm x 2.2mm, HTS, BORON, ZND

2шт.

Выбрано товаров: 10