Запчасти Case SV280 (35.701.BU) - SELF LEVEL, ELECTRONIC CONTROLS (35) - HYDRAULIC SYSTEMS

Схема запчастей Case SV280 - (35.701.BU) - SELF LEVEL, ELECTRONIC CONTROLS (35) - HYDRAULIC SYSTEMS
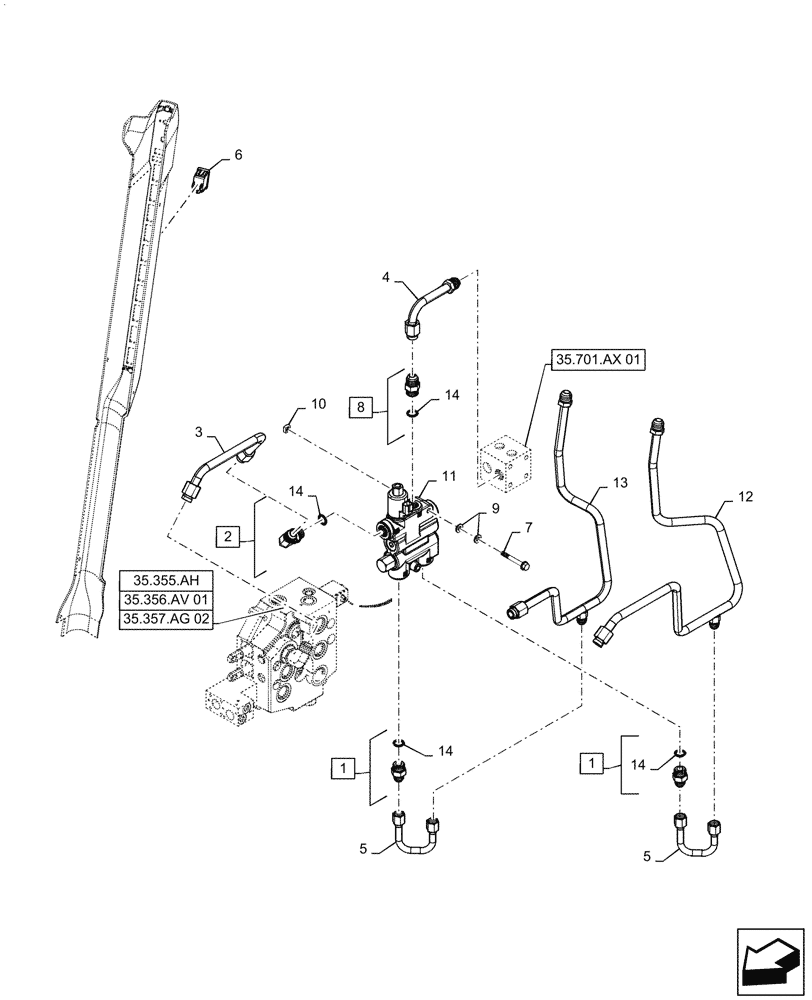
35.355.ah
3
8
4
5
14
2
6
11
1
9
10
14
5
1
14
7
12
14
13
35.701.ax 01
35.356.av 01
35.357.ag 02
FIT
1:1
100%

Артикул

Название

Примечание

Количество

1

128819

HYD CONNECTOR,7/8" - 14 ORB x 3/4" - 16 JIC

Incl 14

2шт.

2

164910

90 ELBOW,7/8" - 14 JIC x 7/8" - 14 ORB

Incl 14

1шт.

3

84186140

RIGID TUBE

Loader Valve to Self Level

1шт.

4

84258865

RIGID TUBE

Self Level to Manifold

1шт.

5

84258866

RIGID TUBE

Self Level to Bucket

2шт.

6

84271904

SWITCH

Self Leveling

1шт.

7

86511843

BOLT,Hex Flng, M8 x 1.25 x 60mm, Cl 8.8

2шт.

8

87301330

HYD CONNECTOR,7/8" - 14 ORB x 7/8" - 14 JIC

Incl 14

1шт.

9

87655042

SPECIAL WASHER,8.8mm ID x 17.5mm OD x 2.2mm Thk

4шт.

10

229197A1

SQUARE NUT,M8 x 1.25, Cl 8

2шт.

11

84416570

VALVE

Self Level, 40%

1шт.

12

47641950

TUBE

Loader Valve to RH Arm Bucket

1шт.

13

47612072

TUBE

Loader Valve to RH Arm Bucket

1шт.

14

167269

O-RING,0.097" Thk x 0.755" ID, -910, Cl 6, 90 Duro

4шт.

Выбрано товаров: 14