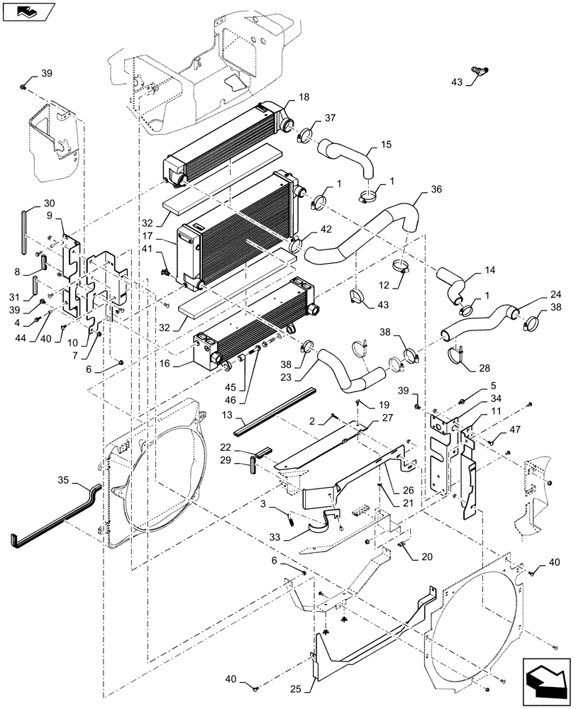
Запчасти Case SV300 (10.400.02) - COOLING SYSTEM COMPONENTS (ALL CASE) (10) - ENGINE

Схема запчастей Case SV300 - (10.400.02) - COOLING SYSTEM COMPONENTS (ALL CASE) (10) - ENGINE
6
6
25
38
24
37
9
13
3
18
23
41
11
20
39
31
17
42
5
43
2
21
36
35
26
1
15
27
38
45
1
4
1
39
46
43
12
30
40
33
22
14
44
34
28
19
39
10
40
32
29
40
home
32
8
38
16
47
7
FIT
1:1
100%

Артикул

Название

Примечание

Количество

1

84674

HOSE CLAMP,33.3mm - 57.1mm, Worm Gear

Fan

3шт.

2

270964

COTTER PIN,3/8" x 1.62" x .094", Int Hair

Hair

2шт.

3

84550463

SHROUD

Fan Top

1шт.

4

9671714

FLANGE BOLT,Hex, M8 x 1.25 x 25mm, Cl 8.8

7шт.

5

9804258

BOLT,Hex, M8 x 1.25 x 20mm, Cl 8.8

Coolant, Upper

7шт.

6

9804277

FLANGE NUT,Hex, M8 x 1.25, Cl 8

Fan Shroud, LH

16шт.

7

43435

FLANGE NUT,Hex, M10 x 1.5

8шт.

8

47371788

RUBBER SEAL,72mm L

Bulb

1шт.

9

47371802

BRACKET

Coolers RH

1шт.

10

47371807

BRACKET

Coolers RH

1шт.

11

47384153

BRACKET

Coolers LH

1шт.

12

86624194

HOSE CLAMP,1.81” - 2.75”, Worm Gear

Coolers LH

1шт.

13

84406808

RUBBER SEAL,540mm L

Bulb

1шт.

14

84496660

HOSE

Coolant Upper

1шт.

15

84496890

HOSE

Intake Air, Engine to CAC

1шт.

16

84499497

OIL COOLER

Standard

1шт.

17

84499505

RADIATOR

STD Fin Density

1шт.

18

84515801

COOLER

Charge Air

1шт.

19

84528025

FASTENER,29.3mm L

Wing Head Fastner

2шт.

20

84528035

CLIP,24.7mm L

Clip-On U-Receptacle

2шт.

21

84528026

RETAINER

Fast Lead Screw

2шт.

22

84528298

SEAL

Bulb

2шт.

23

84549569

RADIATOR HOSE

Coolant Lower

1шт.

24

47411238

HOSE

Radiator Low, Coolant

1шт.

25

84550383

SHROUD

Fan Bottom

1шт.

26

291186

PROTECTION STRIP,9.9mm W

2.4FT

1шт.

27

84551076

BRACKET

Shroud Access

1шт.

28

84551467

CABLE TIE,381mm L

2шт.

29

84551540

SEAL

Bulb

4шт.

30

84551643

SEALING STRIP,12.7mm W x 245mm L x 12.7mm Thk

Strip

1шт.

31

84551644

FOAM

Strip

1шт.

32

84552108

INSULATION,706.50mm L x 104.50mm W x 22mm Thk

Coolers

1шт.

33

84558147

BRACKET

CAC Clamp

1шт.

34

84569679

Coolers LH

1шт.

35

84573594

RUBBER SEAL,815mm L

Bulb

1шт.

36

47411236

HOSE

Intake Air, Engine to CAC

1шт.

37

86050197

HOSE CLAMP,58.6mm - 82.5mm, Worm Gear

1шт.

38

86050202

HOSE CLAMP,1.59” - 2.5”, Worm Gear

Bulb

4шт.

39

86050286

FLANGE BOLT,M10 x 20mm, Cl 8.8

4шт.

40

86507486

CARRIAGE BOLT,M8 x 1.25 x 20mm, Cl 8.8

16шт.

41

86625234

DRAINCOCK/TAP SUPPLY,1/4" NPTF

Drain Fuel Tank

1шт.

42

45014

HOSE CLAMP,2.06” - 3” , Worm Gear

1шт.

43

84201540

CLAMP,69.8mm, Coat, 13.5mm Bolt Hole, P Type

69.8mm X 3/8in

1шт.

44

87035448

SPACER,8.48mm ID x 12.7mm OD x 12.7mm L

Drain, Fuel Tank

7шт.

45

87626729

SPACER,12.8mm ID x 25.4mm OD x 25.4mm L

Hinge Pivot

2шт.

46

87301277

BOLT,M12 x 71.8mm, Cl 10.9

2шт.

47

86633356

CARRIAGE BOLT,M10 x 34.8mm, Cl 8.8

4шт.

Выбрано товаров: 47