Запчасти Case SV340 (35.525.030) - STANDARD AUXILIARY HYDRAULIC, GEAR PUMP (35) - HYDRAULIC SYSTEMS

Схема запчастей Case SV340 - (35.525.030) - STANDARD AUXILIARY HYDRAULIC, GEAR PUMP (35) - HYDRAULIC SYSTEMS
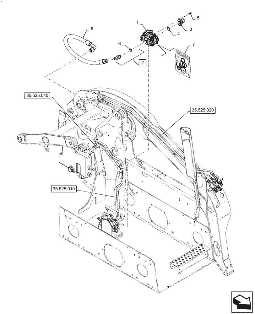
35.525.010
7
2
6
1
5
8
4
3
35.525.020
35.525.040
FIT
1:1
100%

Артикул

Название

Примечание

Количество

1

47647512

PUMP,Std Gear, 36.5CC

Standard, Gear, 36.5CC

1шт.

2

322894

90 ELBOW,1-1/16" - 12 JIC x 1-1/16" - 12 ORB

Incl 6

1шт.

3

47818418

PIPE FITTING

Gear Pump Suction

1шт.

4

14463580

O-RING,0.139" Thk x 1.17" ID, -217, Cl 5, 75 Duro

1шт.

5

14307321

HEX SOC SCREW,M10 x 1.25 x 20mm, Full Thd, Cl 8.8

4шт.

6

167266

O-RING,0.116" Thk x 0.924" ID, -912, Cl 6, 90 Duro

1шт.

7

47875129

SEAL KIT

Gear Pump, Services 1

1шт.

8

47668830

HOSE,1030mm L, SAE 100R19

Hydraulic Valve Supply

1шт.

Выбрано товаров: 8