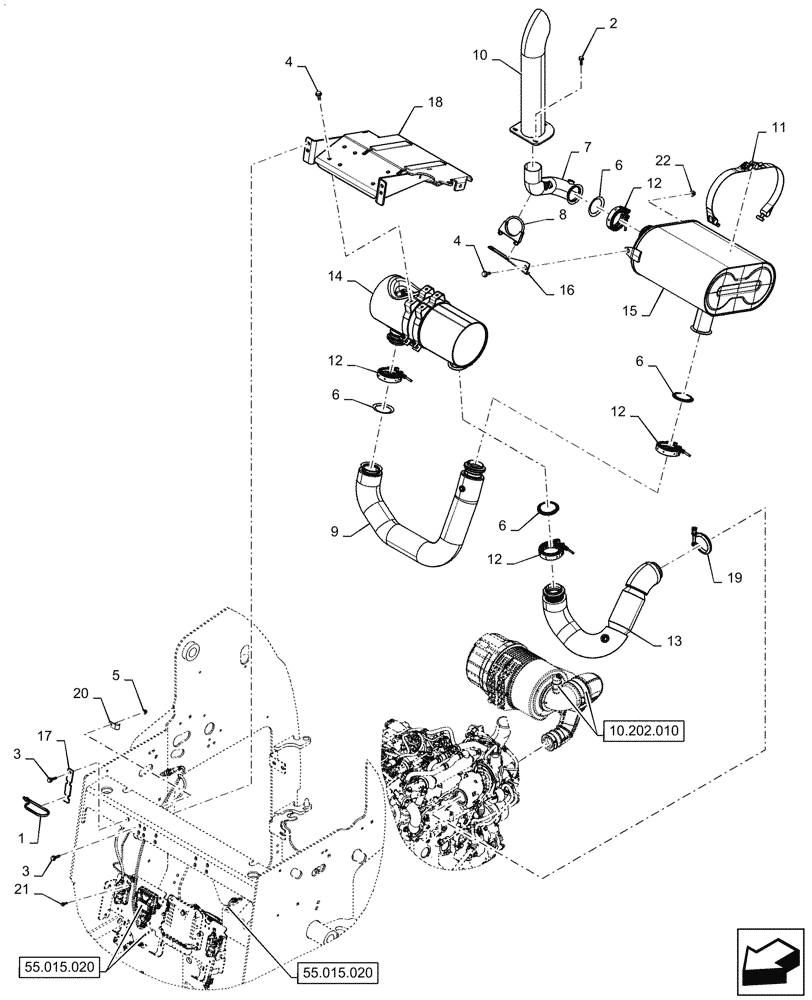
Запчасти Case SV340 (10.254.010) - EXHAUST SYSTEM & MOUNTING COMPONENTS (10) - ENGINE

Схема запчастей Case SV340 - (10.254.010) - EXHAUST SYSTEM & MOUNTING COMPONENTS (10) - ENGINE
1
13
10
55.015.020
55.015.020
2
6
7
6
16
9
4
10.202.010
15
14
11
17
21
3
6
12
4
8
3
22
12
5
20
12
6
18
19
12
FIT
1:1
100%

Артикул

Название

Примечание

Количество

1

L18331

CABLE TIE,375.9mm L, Nylon, Black

1шт.

2

9671714

FLANGE BOLT,Hex, M8 x 1.25 x 25mm, Cl 8.8

3шт.

3

9804260

BOLT,Hex, M8 x 1.25 x 30mm, Full Thd, Cl 8.8

7шт.

4

9804261

BOLT,Hex, M10 x 25mm, Cl 8.8, Full Thd

6шт.

5

9804277

FLANGE NUT,Hex, M8 x 1.25, Cl 8

1шт.

6

47489270

GASKET,58.9mm ID

Exhaust

4шт.

7

47520958

TUBE

Tail Pipe Assy

1шт.

8

47541188

CLAMP,68mm ID, Muffler

1шт.

9

47541203

TUBE

Exhaust Pipe, DOC to SCR

1шт.

10

47579149

EXTENSION

Exhaust Stack, Black

1шт.

11

47581149

STRAP

SCR Mounting

2шт.

12

47640901

PIPE CLAMP,84.5mm OD, 1/4-28”

4шт.

13

47644662

TUBE

Turbo to DOC Muffler

1шт.

14

47645435

MUFFLER

DOC

1шт.

15

47648076

MUFFLER

SCR

1шт.

16

47660292

BRACKET

Tail Pipe Support

1шт.

17

47920900

BRACKET

SCR Sensor Cable, Gray

1шт.

18

47808650

BRACKET

DOC/SCR Mounting

1шт.

19

84409146

PIPE CLAMP,63.5mm - 70mm

1шт.

20

87010656

CLAMP,17.5mm, Coat, 10.3mm Bolt Hole, P Type

1шт.

21

87017606

SELF-TAP SCREW,Hex Flng, M6 x 1 x 20mm

6шт.

22

87547587

LOCK NUT,Hex, M10 x 1.5, Cl 10

2шт.

Выбрано товаров: 22