Запчасти Case 1500-SERIES (116) - HYDRAULIC GRAPPLE (89) - TOOLS

Схема запчастей Case 1500-SERIES - (116) - HYDRAULIC GRAPPLE (89) - TOOLS
FIT
1:1
100%

Артикул

Название

Примечание

Количество

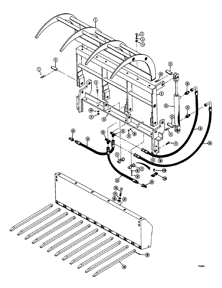
1

T41575

TINE

FORK - grapple

1шт.

2

113-410

BOLT,Hex, 1/2" - 13 x 1-1/2", Gr 5, Full Thd

6шт.

3

192-23

LOCK WASHER,1/2"

6шт.

4

129-105

NUT,Hex, 1/2" - 13, Gr 5

6шт.

5

T41569

SPARE PART grapple mounting

1шт.

6

D61036

PIN

mounting, Serial Range: frame-upright

4шт.

7

136-251

HAIR PIN COTTER,Int, 7/16" x .177"

Hair

8шт.

8

T41564

SPARE PART upright

1шт.

9

113-410

BOLT,Hex, 1/2" - 13 x 1-1/2", Gr 5, Full Thd

10шт.

10

192-23

LOCK WASHER,1/2"

10шт.

11

129-105

NUT,Hex, 1/2" - 13, Gr 5

10шт.

12

D61036

PIN

mounting, cylinder

4шт.

13

136-251

HAIR PIN COTTER,Int, 7/16" x .177"

Hair

8шт.

14

REF

INSTRUCTION

CYLINDER - grapple (Parts list Fig. 144)

2шт.

15

218-456

HYD CONNECTOR,3/4" - 16 Male JIC x 1/2" - 14 Male NPTF

straight, male

2шт.

16

T41579

HOSE

at cylinders (40" long)

4шт.

17

T41582

CLAMP

hose (Use D40236 clamp and D33826 spacer)

4шт.

17a

D40236

CLAMP

hose

4шт.

17b

D33826

SPACER - hose

4шт.

18

113-4

BOLT,Hex, 1/4" - 20 x 1", Gr 5

(T41582 clamp)

4шт.

18

113-14

BOLT,Hex, 1/4" - 20 x 2", Gr 5

(D40236 clamp)

4шт.

19

195-102

WASHER,1/4"

flat

4шт.

20

192-19

LOCK WASHER,Helical Spring, 0.256" ID, CST, ZND

4шт.

21

7770

NUT,Hex, 1/4 - 20, Cl 5

4шт.

22

218-594

TEE,3/4"-16, 37 Degree

male

2шт.

23

T41580

HOSE

to coupling (45-1/2" long)

2шт.

24

T41332

COUPLING, BREAK AWAY

quick disconnect, male

2шт.

25

T42390

SPARE PART manure fork

1шт.

26

13-1096

BOLT,Hex, 5/8" - 11 x 6", Gr 5

HHCS - 5/8" - 11 NC x 6", manure fork

2шт.

27

92-10

LOCK WASHER,5/8"

Manure fork

2шт.

28

25-1010

NUT,5/8"-11, G5

Manure fork

2шт.

29

132-159

COTTER PIN,1/4" x 3"

Manure fork

12шт.

30

T40795

TINE

manure, fork

12шт.

Выбрано товаров: 33