Запчасти Case 1500-SERIES (064) - CONTROL LEVERS (90) - PLATFORM, CAB, BODYWORK AND DECALS

Схема запчастей Case 1500-SERIES - (064) - CONTROL LEVERS (90) - PLATFORM, CAB, BODYWORK AND DECALS
FIT
1:1
100%

Артикул

Название

Примечание

Количество

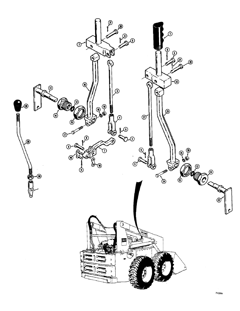
1

A70396

COLLAR CLAMP

GRIP - steering handle

2шт.

2

T40226

HANDLE - control, L.H.

1шт.

3

T40230

ROD

control linkage, L.H.

1шт.

4

213-6

ADJUSTABLE CLEVIS,1/2"-20 x 3"

control rod

2шт.

5

T40252

CLEVIS

4шт.

6

132-48

COTTER PIN,1/8" x 1"

4шт.

7

T40233

HANDLE

at control valve

2-4шт.

8

T40551

PIN

clevis

3-5шт.

9

132-7

COTTER PIN,1/16" x 3/4"

3-5шт.

10

36640

DRAG LINK

handle

2-4шт.

11

132-13

PIN

cotter (1/16" dia. x 1-1/2")

2-4шт.

12

A27352

O-RING,0.859" ID x 1.137" OD x 0.139"

Shaft

2шт.

13

T40059

SHAFT

clutch actuator

2шт.

14

T40060

MOUNTING PARTS

clutch actuator shaft

2шт.

15

25-1524

JAM NUT,Jam, 1 1/2"-12, G5

hex., jam (1-1/2" - 12 NF)

2шт.

16

T40228

LEVER

control, L.H.

1шт.

17

13-628

BOLT,Hex, 3/8" - 16 x 1-3/4", Gr 5

1шт.

18

92-6

LOCK WASHER,3/8"

1шт.

19

25-106

NUT,3/8"-16, G5

hex. (3/8" - 16 NC)

1шт.

20

T40251

PIN

clevis

2шт.

21

132-48

COTTER PIN,1/8" x 1"

2шт.

22

T40227

HANDLE

control, R.H.

1шт.

23

T40229

LEVER

control, R.H.

1шт.

24

13-628

BOLT,Hex, 3/8" - 16 x 1-3/4", Gr 5

1шт.

25

92-6

LOCK WASHER,3/8"

1шт.

26

25-106

NUT,3/8"-16, G5

hex. (3/8" - 16 NC)

1шт.

27

T40231

SPARE PART control linkage, R.H.

1шт.

28

A14051

GRIP

variable speed

1шт.

29

T40237

SPARE PART variable speed

1шт.

30

25-106

NUT,3/8"-16, G5

hex. (3/8" - 16 NC)

1шт.

31

T40238

BASE

variable speed lever

1шт.

Выбрано товаров: 31