Запчасти Case 1529 (172) - AUXILIARY LIGHTING EQUIPMENT, FOR GERMANY (55) - ELECTRICAL SYSTEMS

Схема запчастей Case 1529 - (172) - AUXILIARY LIGHTING EQUIPMENT, FOR GERMANY (55) - ELECTRICAL SYSTEMS
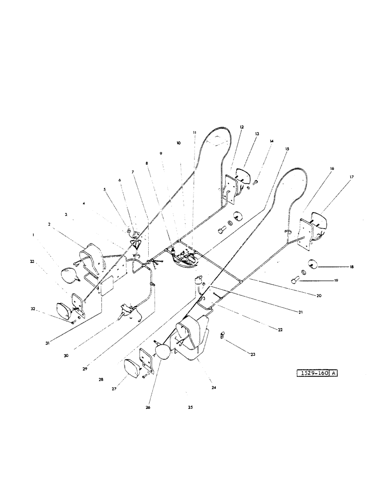
4
8
31
11
14
17
20
9
6
18
19
10
21
5
3
27
29
26
23
32
13
30
33
2
1
16
12
22
7
24
28
25
15
FIT
1:1
100%

Артикул

Название

Примечание

Количество

1

E30706

HEADLIGHT

RH

1шт.

E11456

GLASS

LENS

1шт.

E15811

GASKET

1шт.

E32191

BULB

1шт.

2

E32805

BRACKET, RH

1шт.

3

E11541

FASTENER

1шт.

4

E30773

WIRE connecting

1шт.

5

E30712

GAUGE ASSY.

LIGHT blue

1шт.

E17489

BULB

SPARE PART

1шт.

6

E17785

SWITCH

light

1шт.

E33606

GUARD, not illustrated

1шт.

7

E33336

GROMMET

1шт.

8

E33226

SWITCH

emergency flasher

1шт.

9

E33291

FLASHER UNIT

turn signal control

1шт.

175-405

SCREW,Phil Truss Hd, 1/2" - 20 x 1/2"

1шт.

193-8

LOCK WASHER,Ext Tooth, 1/4"

1шт.

25-104

NUT,1/4"-20, G5

1шт.

10

A22874

HOLDER

fuse

1шт.

A10958

CAP

1шт.

223-20

FUSE,20 Amp, Type SFE

1шт.

11

E18113

BOX

fuse

1шт.

E31030

FUSE

6шт.

174-100

SCREW,Sl Rnd Hd, #10 - 32 x 3/4"

BOLT round head, not illustrated

2шт.

193-6

LOCK WASHER,Ext Tooth, #10

Not illustrated

2шт.

129-37

NUT,#10-32

Not Illustrated

2шт.

12

E32814

BRACKET

2шт.

13

E33295

INTERIOR LIGHT

LAMP 3-light

1шт.

E33509

LENS

red-yellow-red

1шт.

E32057

BULB

shuttle

1шт.

E32056

LAMP, TAIL

LIGHT, TAIL BULB

2шт.

14

E16885

SCREW

2шт.

E16886

WASHER

2шт.

15

E30776

ELECTRICAL WIRE

WIRE connecting

1шт.

16

E10168

FASTENER

15шт.

195-12

WASHER,#10

plain, not illustrated

2шт.

17

E33294

INTERIOR LIGHT

LAMP 3-light, LH

1шт.

E33508

LENS

red-yellow-red

1шт.

E32057

BULB

shuttle

1шт.

E32056

LAMP, TAIL

LIGHT, TAIL BULB

2шт.

18

E10235

REFLECTOR

2шт.

19

E16884

SCREW

2шт.

195-33

WASHER,1/2"

plain

2шт.

20

E33390

HARNESS

1шт.

21

E31585

LIGHT red

1шт.

22

E11541

FASTENER

1шт.

23

E10121

CLAMP

CLIP

2шт.

24

E32804

BRACKET, LH

1шт.

25

E17102

DAMPER

BLOCK rubber

1шт.

26

E30705

LAMP

SPARE PART HEADLIGHT, LH

1шт.

E11456

GLASS

LENS

1шт.

E15811

GASKET

1шт.

E32191

BULB

1шт.

27

E33292

LIGHT

SIGNAL turn

2шт.

E18490

LENS

white and yellow

1шт.

E32056

LAMP, TAIL

LIGHT, TAIL BULB

1шт.

E32057

BULB

shuttle

1шт.

28

E31584

SWITCH

SPARE PART turn signal

1шт.

28a

E34087

ELECTRICAL WIRE

WIRE connecting

2шт.

29

E10121

CLAMP

CLIP

1шт.

30

E17480

SWITCH

SPARE PART stop light

1шт.

173-61

SCREW,Sl Rnd Hd, #6 - 32 x 1/2"

BOLT round head

2шт.

193-4

LOCK WASHER,Ext Tooth, 0.145" ID x 0.318" OD, STL, PLN

2шт.

129-5

NUT,#6-32

2шт.

31

E17102

DAMPER

BLOCK rubber

1шт.

32

E16885

SCREW

2шт.

E16886

WASHER

2шт.

33

E32814

BRACKET

2шт.

E33605

GUARD, not illustrated

1шт.

Выбрано товаров: 68