Запчасти Case 1529 (202) - SCARIFIER CYLINDER (89) - TOOLS

Схема запчастей Case 1529 - (202) - SCARIFIER CYLINDER (89) - TOOLS
10
7
8
2
7
6
12
6
15
18
7
18
8
5
14
5
9
8
6
9
13
4
11
12
13
11
1
9
17
3
16
FIT
1:1
100%

Артикул

Название

Примечание

Количество

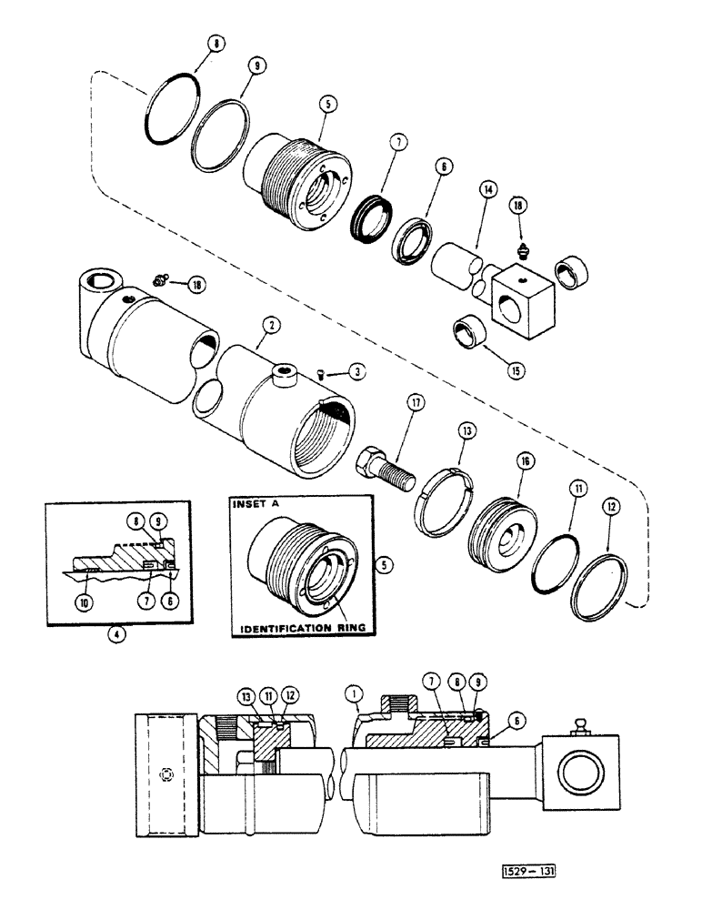
1

G33744

CYLINDER BLOCK

ASSY., scarifier

1шт.

2

G32271

TUBE,19.56" L

cylinder

1шт.

3

187-1031

SELF-TAP SCREW,Pan, 0.164"-32 x 1/4"

1шт.

4

G35218

GLAND

SPARE PART ASSY., packing

1шт.

5

NSS

NOT SOLD SEPARAT

GLAND packing

1шт.

6

D95142

WIPER SEAL,1.5" ID x 2" OD x 0.31" Thk

WIPER rod, outer

1шт.

Part of seal kit P/N G32269

1шт.

7

D36969

CUP

SEAL rod

1шт.

Part of seal kit P/N G32269

1шт.

8

A30095

O-RING,0.139" Thk x 2.984" ID, -234, Cl 5, 75 Duro

1шт.

Part of seal kit P/N G32269

1шт.

9

G32122

BACK-UP RING,75.82mm ID x 81.92mm OD x 1.4mm Thk

backup

1шт.

Part of seal kit P/N G32269

1шт.

10

G34302

BEARING

WIPER rod, inner, if used

1шт.

11

A28318

O-RING,0.139" Thk x 2.484" ID, -230, Cl 5, 75 Duro

1шт.

Part of seal kit P/N G32269

1шт.

12

G32034

RING

BUSHING retainer

1шт.

Part of seal kit P/N G32269

1шт.

13

G32033

RING

wear, piston

1шт.

Part of seal kit P/N G32269

1шт.

14

G33753

ROD

ASSY., piston

1шт.

15

G32050

BUSHING,25.63mm ID x 31.85mm OD x 15.75mm L

2шт.

16

G35263

PISTON

1шт.

17

28-1232

BOLT,Hex, 3/4" - 16 x 2", Gr 8

1шт.

18

219-1

LUBE NIPPLE,1/8" - 27 NPTF

2шт.

G32269

KIT

seal, Includes: Ref. 6 - 9 and 11 - 13

1шт.

Выбрано товаров: 26