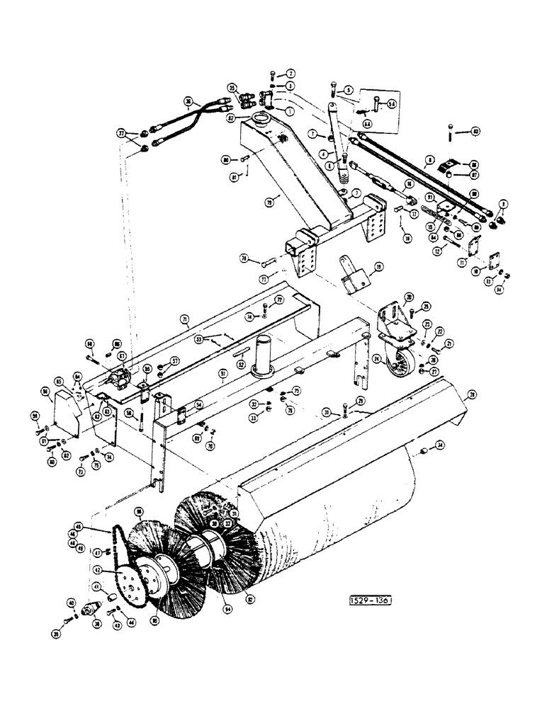
Запчасти Case 1529 (248) - KEYSTAND CORE ANGLE BROOM (89) - TOOLS

Схема запчастей Case 1529 - (248) - KEYSTAND CORE ANGLE BROOM (89) - TOOLS
87
84
37
11
44
21
75
71
86
77
12
34
60
13
6
64
31
9
53
74
68
81
46
35
72
45
94
33
89
31
76
88
29
30
39
73
70
83
3
16
1
7
48
14
82
67
32
92
47
36
62
5
43
79
4
10
58
7
32
95
26
90
61
42
41
40
49
57
15
27
17
24
2
19
75
18
69
34
52
80
96
91
25
66
28
6a
23
74
78
38
55
51
65
59
5a
8
22
20
FIT
1:1
100%

Артикул

Название

Примечание

Количество

1

T42290

SPARE PART BLOCK

1шт.

2

13-512

BOLT,Hex, 5/16" - 18 x 3/4", Gr 5

2шт.

3

92-5

LOCK WASHER,5/16"

2шт.

4

T41973

SPARE PART angle

1шт.

5

13-1024

BOLT,Hex, 5/8" - 11 x 1-1/2", Gr 5, Full Thd

If used

1шт.

5a

D55811

CLIP

PIN, if used

2шт.

6

13-1036

BOLT,Hex, 5/8" - 11 x 2-1/4", Gr 5

If used

1шт.

6a

D55812

LINING

cotter, hairpin, if used

2шт.

7

25-1010

NUT,5/8"-11, G5

If used

2шт.

8

D54490

HOSE ASSY.

2шт.

9

T41332

COUPLING, BREAK AWAY

male

2шт.

10

D54516

SPARE PART BRACKET

1шт.

11

D54517

SPARE PART PLATE

1шт.

12

13-680

CAPSCREW,Hex, 3/8" - 16 x 5", Gr 5

4шт.

13

92-6

LOCK WASHER,3/8"

4шт.

14

25-106

NUT,3/8"-16, G5

hex 3/8" NC

4шт.

15

T42307

CHAIN (AG)

1шт.

16

T41977

TURNBUCKLE

1шт.

17

T42289

LARGE PIN

PIN, LARGE

1шт.

18

132-48

COTTER PIN,1/8" x 1"

1шт.

19

T41978

ADAPTER

2шт.

20

T42302

BRACKET

2шт.

21

13-816

BOLT,Hex, 1/2" - 13 x 1", Gr 5, Full Thd

8шт.

22

92-8

LOCK WASHER,1/2"

8шт.

23

95-8

WASHER,1/2"

8шт.

24

T41979

CASTER

2шт.

25

13-820

BOLT,Hex, 1/2" - 13 x 1-1/4", Gr 5, Full Thd

8шт.

26

92-8

LOCK WASHER,1/2"

8шт.

27

25-108

NUT,1/2"-13, G5

Hex

8шт.

28

NSS

NOT SOLD SEPARAT

HOOD rear

1шт.

29

13-516

BOLT,Hex, 5/16" - 18 x 1", Gr 5

3шт.

30

13-512

BOLT,Hex, 5/16" - 18 x 3/4", Gr 5

4шт.

31

95-5

WASHER,3/8" x 7/8" x .083"

plain 5/16"

7шт.

32

92-5

LOCK WASHER,5/16"

7шт.

33

9635082

NUT,5/16" - 18, Gr 5

3шт.

34

T41980

SPACER

1шт.

35

218-903

HYD CONNECTOR,1/2" NPT x 1/2"

ADAPTER

2шт.

36

T41971

HOSE ASSY.

2шт.

37

221-1093

REDUCER,Hex, 3/4" x 1/2" NPT

2шт.

38

T41981

BEARING

2шт.

39

13-716

BOLT,Hex, 7/16" - 14 x 1", Gr 5

4шт.

40

92-7

LOCK WASHER,7/16"

4шт.

41

T41982

BUSHING

SPACER

1шт.

42

T41984

SPARE PART

1шт.

43

13-616

BOLT,Hex, 3/8" - 16 x 1", Gr 5, Full Thd

6шт.

44

92-6

LOCK WASHER,3/8"

6шт.

45

B12501

LINK

connecting, #40 chain

1шт.

REF

INSTRUCTION

CHAIN roller, 119 links, #40

1шт.

Use (2) B12470, (1) B12472, (1) B12501, (4) B12502, (4) B12503

1шт.

46

B12470

CHAIN (AG)

LINK roller, 50 links, #40

2шт.

47

B12472

CHAIN (AG)

LINK roller, 10 links, #40

1шт.

48

B12502

OFFSET LINK

#40 chain

4шт.

49

B12503

ROLLER

LINK, #40 chain

4шт.

51

NSS

NOT SOLD SEPARAT

FRAME

1шт.

52

T42306

AXLE PIN

1шт.

53

132-91

COTTER PIN,3/16" x 1"

2шт.

54

T42304

SPARE PART

1шт.

55

T42303

SPARE PART

1шт.

56

85-648

SCREW 3/8" x 3" NC

1шт.

57

25-106

NUT,3/8"-16, G5

hex 3/8" NC

2шт.

58

T42305

SPARE PART

1шт.

59

13-516

BOLT,Hex, 5/16" - 18 x 1", Gr 5

1шт.

60

13-512

BOLT,Hex, 5/16" - 18 x 3/4", Gr 5

1шт.

61

95-5

WASHER,3/8" x 7/8" x .083"

plain 5/16"

2шт.

62

92-5

LOCK WASHER,5/16"

2шт.

63

9635082

NUT,5/16" - 18, Gr 5

1шт.

64

83-56

SET SCREW,Hex Soc, 5/16"-18 x 3/8"

5/16" x 3/8" NC

2шт.

65

T41987

DRIVE SPROCKET

1шт.

66

P2712S

SPARE PART

1шт.

67

T41963

MOTOR, ELECTRIC

hydraulics, see Figure 261A

1шт.

68

13-728

BOLT,Hex, 7/16" - 14 x 1-3/4", Gr 5

4шт.

69

92-7

LOCK WASHER,7/16"

4шт.

70

25-107

NUT,7/16"-14, G5

hex 7/16" NC

4шт.

71

NSS

NOT SOLD SEPARAT

HOOD front

1шт.

72

13-516

BOLT,Hex, 5/16" - 18 x 1", Gr 5

3шт.

73

13-512

BOLT,Hex, 5/16" - 18 x 3/4", Gr 5

3шт.

74

95-5

WASHER,3/8" x 7/8" x .083"

plain 5/16"

6шт.

75

92-5

LOCK WASHER,5/16"

6шт.

76

9635082

NUT,5/16" - 18, Gr 5

3шт.

77

T31049

SPARE PART cotter, hairpin

2шт.

78

T41965

PIN

2шт.

79

NSS

NOT SOLD SEPARAT

FRAME

1шт.

80

T42288

CLEVIS COUPLING

PIN

1шт.

81

132-48

COTTER PIN,1/8" x 1"

1шт.

82

T41964

WASHER

RING

1шт.

83

13-640

BOLT,Hex, 3/8" - 16 x 2-1/2", Gr 5

1шт.

84

92-6

LOCK WASHER,3/8"

1шт.

86

D40236

CLAMP

1шт.

87

D33554

BUSHING

SPACER

1шт.

88

25-106

NUT,3/8"-16, G5

hex 3/8" NC

1шт.

91

D54744

SPARE PART

1шт.

89

13-624

BOLT,Hex, 3/8" - 16 x 1-1/2", Gr 5

1-2шт.

92

D54278

SPARE PART brush

1шт.

90

92-6

LOCK WASHER,3/8"

1-2шт.

94

T41969

WHEEL

SPACER

35шт.

95

T41986

CYLINDER END CAP

2шт.

96

T41968

BRUSH

DISC

36шт.

Выбрано товаров: 97