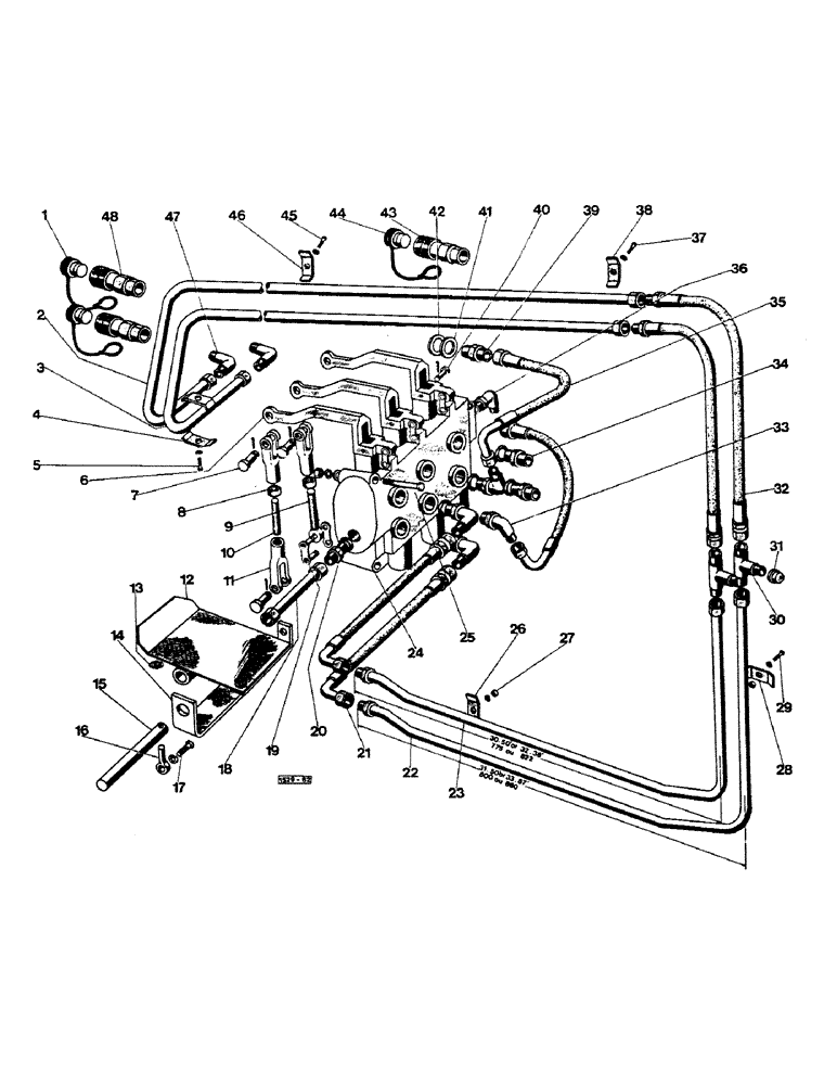
Запчасти Case 1529 (108) - BASIC HYDRAULICS, 3 SPOOL FORMER MODEL

Схема запчастей Case 1529 - (108) - BASIC HYDRAULICS, 3 SPOOL FORMER MODEL
25
23
18
1
3
27
2
28
37
29
6
9
14
33
35
44
15
42
19
7
12
45
47
40
30
36
13
32
20
31
38
26
22
48
4
39
41
24
8
11
34
17
43
10
46
16
21
5
FIT
1:1
100%

Артикул

Название

Примечание

Количество

1

T40274

CAP

PLUG

2шт.

2

T40560

SPARE PART

1шт.

When depleted Order T41828.

1шт.

T41828

SPARE PART

1шт.

3

T40559

TUBE

1шт.

4

A14078

CLAMP

2шт.

5

113-122

BOLT,Hex, 5/16" - 18 x 1-1/2", Gr 5

1шт.

92-5

LOCK WASHER,5/16"

1шт.

6

T40233

HANDLE

LEVER valve

3шт.

7

T40252

CLEVIS

PIN

3шт.

132-48

COTTER PIN,1/8" x 1"

3шт.

8

25-118

NUT,1/2"-20, G5

1/2" NF

2шт.

9

T41620

ROD

adjusting

1шт.

10

T40253

ROD

linkage

1шт.

11

213-6

ADJUSTABLE CLEVIS,1/2"-20 x 3"

3шт.

12

T40275

PEDAL

foot

1шт.

13

219-1

LUBE NIPPLE,1/8" - 27 NPTF

1шт.

14

T40276

SUPPORT

1шт.

15

T40277

1шт.

16

213-24

ROD

PIN stop

1шт.

17

13-620

BOLT,Hex, 3/8" - 16 x 1-1/4", Gr 5, Full Thd

1шт.

92-6

LOCK WASHER,3/8"

1шт.

18

T40260

TUBE

1шт.

19

B12524

CHAIN (AG)

LINK

1шт.

20

218-5064

HYD CONNECTOR,1-1/16" - 12 Male JIC x 1-1/16" - 12 Male ORB

ASSY

1шт.

218-5008

O-RING,0.116" Thk x 0.924" ID, -912, Cl 6, 90 Duro

1шт.

21

T40262

HOSE

2шт.

When depleted Order T41837.

1шт.

T41837

TUBE,20, 1.75" L

2шт.

22

T40264

Long. 31.50

1шт.

T41831

ELECTRIC MOTOR,0.625" OD

TUBE Long. 33.87

1шт.

23

T40263

SPARE PART Long. 30.50

1шт.

T41830

SPARE PART Long. 32.38

1шт.

24

T40083

VALVE (3 spool) see Figure 144

1шт.

25

13-640

BOLT,Hex, 3/8" - 16 x 2-1/2", Gr 5

2шт.

95-6

WASHER,3/8"

2шт.

92-6

LOCK WASHER,3/8"

2шт.

25-106

NUT,3/8"-16, G5

Hex. 3/8" NC

2шт.

26

A14028

CLAMP

1шт.

27

E16678

NUT

SPARE PART Hex. 8 x (1.25)

2шт.

92-5

LOCK WASHER,5/16"

1шт.

28

A14028

CLAMP

1шт.

29

113-122

BOLT,Hex, 5/16" - 18 x 1-1/2", Gr 5

1шт.

92-5

LOCK WASHER,5/16"

1шт.

9635082

NUT,5/16" - 18, Gr 5

1шт.

30

218-555

TEE,7/8"-14, 37 Degree x 1/2"-14, NPTF Br

2шт.

31

221-525

CAP,1/2" NPT

PLUG

2шт.

32

T40562

HOSE

2шт.

When depleted Order T41829.

1шт.

T41829

HOSE

2шт.

33

218-5107

90 ELBOW,90 Degree Elbow, 7/8" - 14 Male JIC x 7/8" - 14 Male ORB

FITTING ASSY

4шт.

237-6010

O-RING,0.097" Thk x 0.755" ID, -910, Cl 6, 90 Duro

1шт.

34

218-5062

HYD CONNECTOR,7/8"-14, 37 Degree x 7/8"-14, O-Ring

ASSY

2шт.

237-6010

O-RING,0.097" Thk x 0.755" ID, -910, Cl 6, 90 Duro

1шт.

35

T40268

HOSE

2шт.

When depleted order T41832.

1шт.

T41832

HOSE

2шт.

36

218-5108

ELBOW,90 Degree Elbow, 1-1/16" - 12 Male JIC x 1-1/16" - 12 Male ORB

1шт.

218-5008

O-RING,0.116" Thk x 0.924" ID, -912, Cl 6, 90 Duro

1шт.

37

113-122

BOLT,Hex, 5/16" - 18 x 1-1/2", Gr 5

1шт.

92-5

LOCK WASHER,5/16"

1шт.

38

A14078

CLAMP

1шт.

39

218-445

HYD CONNECTOR,7/8" - 14 Male JIC x 1/2" - 14 Male NPTF

FITTING straight

2шт.

40

T40551

PIN

3шт.

132-7

COTTER PIN,1/16" x 3/4"

3шт.

42

T42340

BUSHING

WASHER

2шт.

43

T40265

COUPLING, BREAK AWAY

QUICK-CONNECT

2шт.

44

T40274

CAP

PLUG

2шт.

45

113-122

BOLT,Hex, 5/16" - 18 x 1-1/2", Gr 5

1шт.

92-5

LOCK WASHER,5/16"

1шт.

46

A13622

PLATE, LOCKING

CLAMP

1шт.

47

218-485

ELBOW,90 Degree Elbow, 7/8" - 14 Male JIC x 1/2" - 14 Male NPTF

2шт.

48

T40265

COUPLING, BREAK AWAY

QUICK-CONNECT

2шт.

Выбрано товаров: 73