Запчасти Case 1529 (182) - 4-IN-1 BUCKET

Схема запчастей Case 1529 - (182) - 4-IN-1 BUCKET
12
19
11
1
5
9
13
23
22
15
16
17
16
12
6
3
21
10
17
15
7
24
15
4
8
14
2
18
20
18
FIT
1:1
100%

Артикул

Название

Примечание

Количество

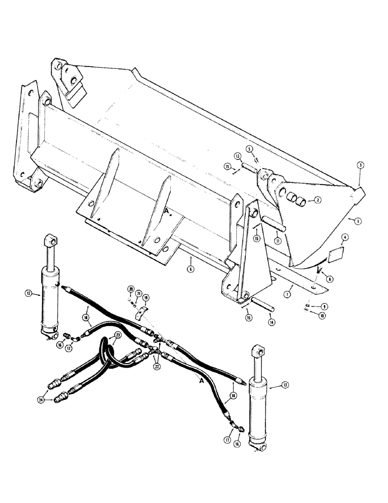
1

T42217

SPARE PART ASSY, Includes: Ref. 2 - 4

1шт.

2

D34203

BUSHING

4шт.

3

D54508

EDGE, CUTTING

BLADE

1шт.

4

T42233

TOOTH

1шт.

5

219-55

LUBE NIPPLE,90 Degree Elbow, 1/8" - 27 NPTF

2шт.

6

T42203

SPARE PART DOZER

1шт.

7

T42229

BLADE

BLADE dozer

1шт.

8

19-824

BOLT,3/8"-16, G5

BOLT 1/2" x 1-1/2" NC

7шт.

9

92-8

LOCK WASHER,1/2"

7шт.

10

25-108

NUT,1/2"-13, G5

Hex

7шт.

11

T42228

PIN

2шт.

12

REF

INSTRUCTION

CYLINDER see Figure 186

2шт.

13

T42227

PIN

2шт.

14

T42234

PIN

2шт.

15

132-159

COTTER PIN,1/4" x 3"

6шт.

16

221-86

REDUCER,Hex, 3/8" x 1/4" NPT

reducing

2шт.

17

217-1085

ELBOW,45 Degree, 1/4"-18 Female x 1/4"-18 Male

2шт.

18

T42230

HOSE

4шт.

19

A14078

CLAMP

2шт.

20

113-209

BOLT,Hex, 3/8" - 16 x 1-1/2", Gr 5

2шт.

21

192-21

LOCK WASHER,3/8"

2шт.

22

218-594

TEE,3/4"-16, 37 Degree

Fitting

2шт.

23

D54759

HOSE

2шт.

24

T41332

COUPLING, BREAK AWAY

COUPLER male

2шт.

Выбрано товаров: 24