Запчасти Case 1530 (014) - ELECTRICAL AND INSTRUMENT PANEL (04) - ELECTRICAL SYSTEMS

Схема запчастей Case 1530 - (014) - ELECTRICAL AND INSTRUMENT PANEL (04) - ELECTRICAL SYSTEMS
FIT
1:1
100%

Артикул

Название

Примечание

Количество

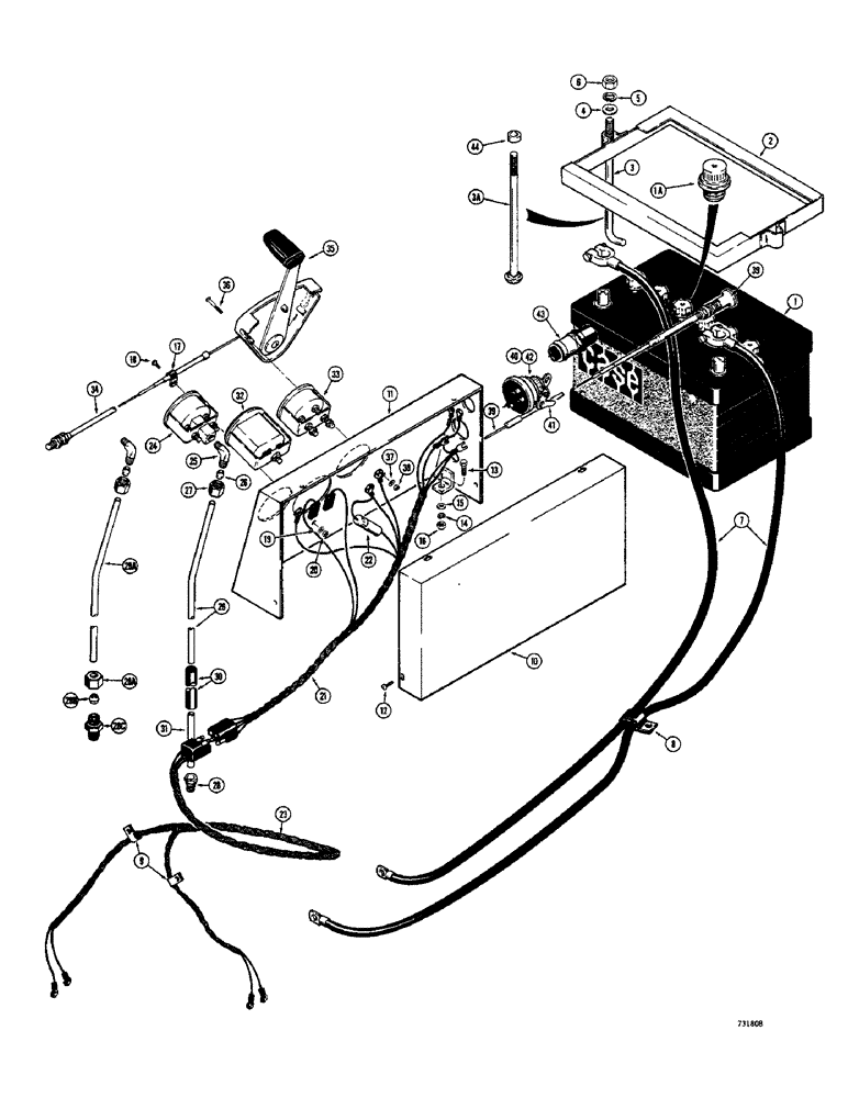
1

T40362

BATTERY

12 volt (Dry charge)

1шт.

T40362 battery has "standard" caps which are to be replaced with non spill caps from old battery (if used) or order A60503 caps.

1шт.

1a

A60553

CAP

Battery, non-spill

6шт.

2

D53411

BATTERY BOX

HOLDDOWN

1шт.

2a

D55559

HOOK

HOLDDOWN - battery (Not shown)

1шт.

3

T42409

SPARE PART Tie, hooked end, Serial Range: -9817612

2шт.

3a

11-5144

BOLT (MACHINE)

Round head sq. shoulder (5/16"-18 NC x 9), Start Serial: 9817612

2шт.

4

95-5

WASHER,3/8" x 7/8" x .083"

Plain (5/16")

2шт.

5

92-5

LOCK WASHER,5/16"

2шт.

6

9635082

NUT,5/16" - 18, Gr 5

Hex

2шт.

7

D61082

CABLE

Battery (58" long)

2шт.

8

D48438

CLAMP

Cable

1шт.

9

T40341

CLAMP,1/4", 1/4" Bolt

Wire

2шт.

10

T40609

COVER

PANEL - back

1шт.

11

T40611

SPARE PART Front

1шт.

12

187-1057

SELF-TAP SCREW,Slotted Pan Hd, #6 x 1/2"

Sheet metal

4шт.

13

13-412

BOLT,Hex, 1/4" - 20 x 3/4", Gr 5, Full Thd

2шт.

14

92-4

LOCK WASHER,1/4"

2шт.

15

95-4

WASHER,1/4"

If used

2шт.

16

25-104

NUT,1/4"-20, G5

2шт.

17

T40341

CLAMP,1/4", 1/4" Bolt

Throttle cable

1-2шт.

18

173-212

SCREW,Sl Rnd Hd, #10 - 24 x 1/2"

RHMS

1-2шт.

19

195-513

WASHER,#10

1-2шт.

20

129-17

NUT,Hex, #10 - 24

Hex

1-2шт.

21

T41940

HARNESS

Wire, panel, Includes Ref. 22

1шт.

22

223-31

FUSE,10 Amp, Type 3AG

FUSE - 30 amp. AGC, panel harness

1шт.

23

T41941

HARNESS

Wire, engine

1шт.

24

T41949

GAUGE

Hydraulic vacuum

1шт.

25

222-617

ELBOW,90 Degree, 3/8"-24 x 1/8" NPT, Comp

ASSEMBLY (T42370 tube only), Includes Ref. 26 - 27

1шт.

26

222-102

SLEEVE,1/4" Tube

222-617 elbow

1шт.

27

87017024

TUBE NUT,1/2"-24

222-617 elbow

1шт.

25

222-5113

FITTING,90 Degree, 7/16"-24 x 1/8" NPTF

ELBOW ASSEMBLY (D54634 tube only), Includes Ref. 26 - 27

1шт.

26

222-5185

SLEEVE,1/4" Tube

1шт.

27

222-5180

TUBE NUT,7/16"-24

1шт.

28

222-602

FITTING,7/16"-24 x 1/8" NPT, Comp

Compression, tube (T42371 tube only)

1шт.

28a

222-5102

COUPLING, BREAK AWAY,7/16"-24 x 1/8" NPT

CONNECTOR ASSEMBLY - straight (D54634 tube only), Includes Ref. 28B - 28C

1шт.

28b

222-5185

SLEEVE,1/4" Tube

1шт.

28c

222-5180

TUBE NUT,7/16"-24

1шт.

29

T42370

SPARE PART Copper, vacuum line (Long) Early production 0.25" OD x 20" L

1шт.

29a

D54634

TUBE

Nylon, vacuum lone (29" long) Late production

1шт.

30

T42372

HYDRAULIC HOSE,0.22" ID x 8.00", SAE J50

Vibration damper

1шт.

31

T42371

TUBE,0.25" OD x 3" L

Copper, vacuum line (Short) Early Production

1шт.

32

D53047

GAUGE

HOURMETER

1шт.

33

A26729

ELECTRICAL GAUGE

AMMETER - 12 volt

1шт.

34

D52836

CABLE

Throttle (Parts list Figure 016)

1шт.

35

T41500

HANDLE

Throttle

1шт.

36

171-227

SCREW,Sl Flat Hd, #10 - 24 x 1 1/4"

Machine

2шт.

37

193-60

LOCK WASHER,Int Tooth, 1/4"

2шт.

38

129-17

NUT,Hex, #10 - 24

2шт.

39

REF

INSTRUCTION

CABLE - choke control (See Figure 016 for cables)

1шт.

40

T40339

SWITCH

Ignition, with key, Includes Ref. 41

1шт.

41

D36822

KEY

SET - two keys

1шт.

42

193-35

LOCK WASHER,Int Tooth, 3/4"

1шт.

43

T40340

IGNITION SWITCH

BUTTON - starter

1шт.

44

G46096

RETAINER

Bolt

1шт.

Выбрано товаров: 55