Запчасти Case 1530 (130) - LIFT CYLINDER USED ON MODELS WITHOUT SELF LEVELING FEATURE (09) - CHASSIS/ATTACHMENTS

Схема запчастей Case 1530 - (130) - LIFT CYLINDER USED ON MODELS WITHOUT SELF LEVELING FEATURE (09) - CHASSIS/ATTACHMENTS
FIT
1:1
100%

Артикул

Название

Примечание

Количество

1

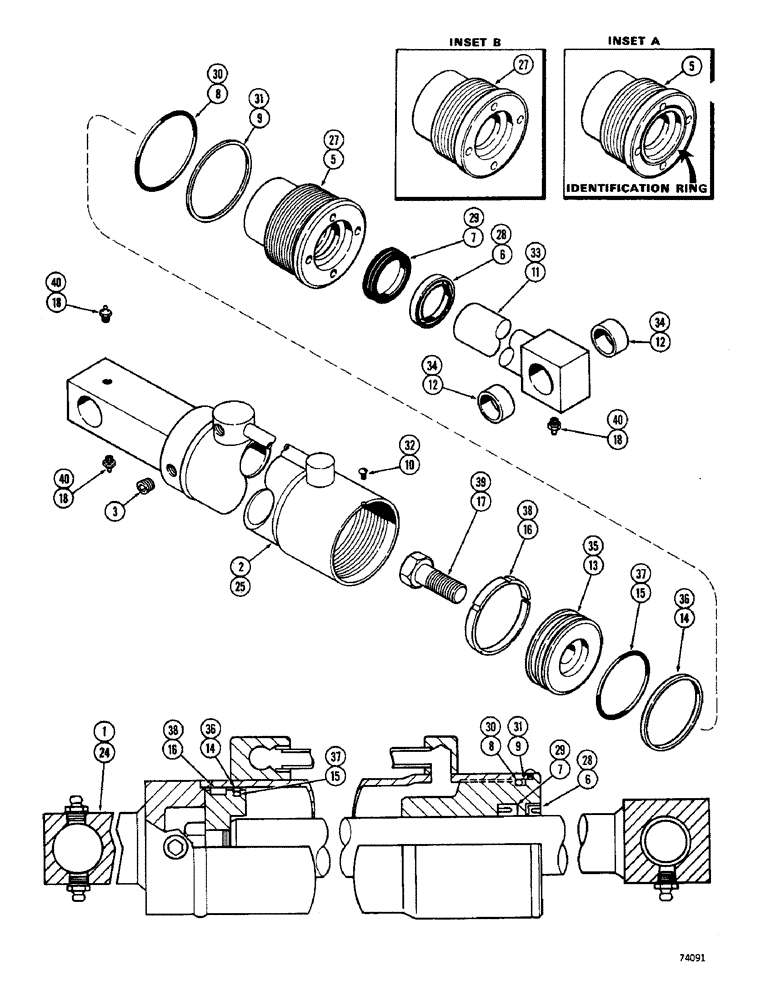
G33888

LIFT CYLINDER

CYLINDER - lift, 3" dia. x 28" stroke (Not shown), Includes: Ref. 2 - 18

2шт.

2

G32035

TUBE - cylinder body 2.996" ID x 38.02" L

1шт.

3

221-663

PLUG,Hex Hd, 3/8"-18

- tube (3/8" P.T., sckt. hd.)

2шт.

4

RESERVED

1шт.

G33485

GLAND

ASSY. - (W/identification ring), Includes: Ref. 5 - 9

1шт.

5

NSS

NOT SOLD SEPARAT

GLAND - (See inset A), has identification ring

1шт.

6

D95142

WIPER SEAL,1.5" ID x 2" OD x 0.31" Thk

WIPER - piston rod, outer (1-1/2 x 2 x 5/16")

1шт.

Part of cylinder repair seal kit P/N G32269

1шт.

7

D36969

CUP

SEAL - piston rod (1-1/2 x 2 x 7/16")

1шт.

Part of cylinder repair seal kit P/N G32269

1шт.

8

A30095

O-RING,0.139" Thk x 2.984" ID, -234, Cl 5, 75 Duro

"O" RING - gland (3 x 3-1/4 x 1/8")

1шт.

Part of cylinder repair seal kit P/N G32269

1шт.

9

G32122

BACK-UP RING,75.82mm ID x 81.92mm OD x 1.4mm Thk

- gland "O" ring back up

1шт.

Part of cylinder repair seal kit P/N G32269

1шт.

10

187-1031

SELF-TAP SCREW,Pan, 0.164"-32 x 1/4"

SCREW - gland lock (#8-32 x 1/4" self tapping)

1шт.

11

G33755

ROD

ASSY. - (1-1/2" dia.) (w/identification ring), Includes: Ref. 12

1шт.

12

G32050

BUSHING,25.63mm ID x 31.85mm OD x 15.75mm L

- piston rod

2шт.

13

G33747

PISTON

- (w/identification ring)

1шт.

14

G32034

RING

- seal, piston (2-7/8 x 3 x 5/32" teflon)

1шт.

Part of cylinder repair seal kit P/N G32269

1шт.

15

A28318

O-RING,0.139" Thk x 2.484" ID, -230, Cl 5, 75 Duro

"O" RING - piston seal (2-1/2 x 2-3/4 x 1/8")

1шт.

Part of cylinder repair seal kit P/N G32269

1шт.

16

G32033

RING

- wear, piston

1шт.

Part of cylinder repair seal kit P/N G32269

1шт.

17

28-1232

BOLT,Hex, 3/4" - 16 x 2", Gr 8

Piston Hex, 3/4-16 x 2", G8, Full Thd

1шт.

18

219-1

LUBE NIPPLE,1/8" - 27 NPTF

FITTING - grease (1/8" P.T., str.)

3шт.

G32269

KIT

SEAL KIT - cylinder repair, Includes: Ref. 6, 7, 8, 9, 14, 15 and 16

1шт.

19

RESERVED

1шт.

20

RESERVED

1шт.

21

RESERVED

1шт.

22

RESERVED

1шт.

23

RESERVED

1шт.

24

G32029

CYLINDER - lift, 3" dia. x 28" stroke (Not shown), Includes: Ref. 25 - 40

2шт.

25

G32035

TUBE - cylinder body 2.996" ID x 38.02" L

1шт.

26

RESERVED

1шт.

G32797

GLAND

ASSY. - (w/out identification ring), Includes: Ref. 27 - 31

1шт.

27

NSS

NOT SOLD SEPARAT

GLAND - (See inset B), without identification ring

1шт.

28

D95142

WIPER SEAL,1.5" ID x 2" OD x 0.31" Thk

WIPER - piston rod, outer (1-1/2 x 2 x 5/16")

1шт.

Part of cylinder repair seal kit P/N G32269

1шт.

29

D36969

CUP

SEAL - piston rod (1-1/2 x 2 x 7/16")

1шт.

Part of cylinder repair seal kit P/N G32269

1шт.

30

A30095

O-RING,0.139" Thk x 2.984" ID, -234, Cl 5, 75 Duro

"O" RING - gland (3 x 3-1/4 x 1/8")

1шт.

Part of cylinder repair seal kit P/N G32269

1шт.

31

G32122

BACK-UP RING,75.82mm ID x 81.92mm OD x 1.4mm Thk

- gland "O" ring back-up

1шт.

Part of cylinder repair seal kit P/N G32269

1шт.

32

187-1031

SELF-TAP SCREW,Pan, 0.164"-32 x 1/4"

SCREW - gland lock (#8-32 x 1/4" self tapping)

1шт.

33

G32046

ROD

ASSY - (1-1/2" dia.) (w/o identification ring), Includes: Ref. 34

1шт.

34

G32050

BUSHING,25.63mm ID x 31.85mm OD x 15.75mm L

- piston rod

2шт.

35

G32032

PISTON

- (w/o identification ring)

1шт.

36

G32034

RING

- seal, piston (2-7/8 x 3 x 5/32" teflon)

1шт.

Part of cylinder repair seal kit P/N G32269

1шт.

37

A28318

O-RING,0.139" Thk x 2.484" ID, -230, Cl 5, 75 Duro

"O" RING - piston seal (2-1/2 x 2-3/4 x 1/8")

1шт.

Part of cylinder repair seal kit P/N G32269

1шт.

38

G32033

RING

- wear, piston

1шт.

Part of cylinder repair seal kit P/N G32269

1шт.

39

28-1232

BOLT,Hex, 3/4" - 16 x 2", Gr 8

Piston Hex, 3/4-16 x 2", G8, Full Thd

1шт.

40

219-1

LUBE NIPPLE,1/8" - 27 NPTF

FITTING - grease (1/8" P.T., str.)

3шт.

G32269

KIT

SEAL KIT - cylinder repair, Includes: Ref. 28, 29, 30, 31, 36, 37 and 38

1шт.

Выбрано товаров: 58