Запчасти Case 1700-SERIES (176) - CENTRALIZED LUBRICATION SYSTEM (35) - HYDRAULIC SYSTEMS

Схема запчастей Case 1700-SERIES - (176) - CENTRALIZED LUBRICATION SYSTEM (35) - HYDRAULIC SYSTEMS
FIT
1:1
100%

Артикул

Название

Примечание

Количество

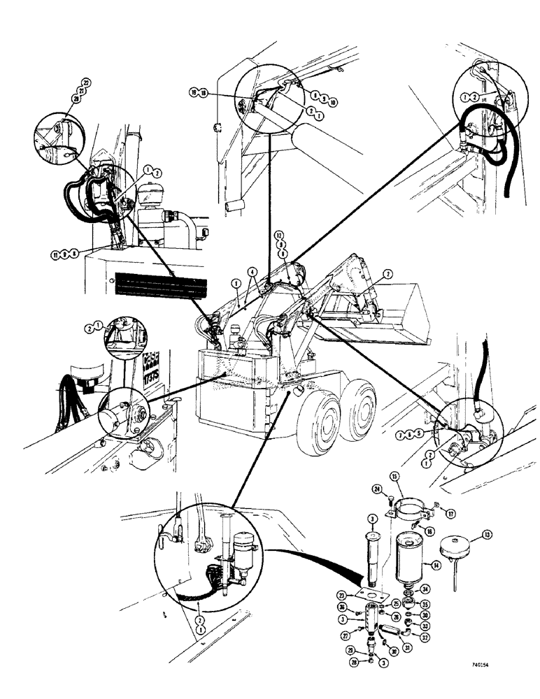
1

D55470

HARNESS ASSEMBLY - lubrication, R.H., Serial Range: -9820161

1шт.

2

D55472

HARNESS ASSEMBLY - lubrication, L.H., Serial Range: -9820161

1шт.

1

D57217

HARNESS ASSEMBLY - lubrication, R.H., Start Serial: 9820161

1шт.

2

D57215

HARNESS ASSEMBLY - lubrication, L.H., Start Serial: 9820161

1шт.

3

D56339

PUMP - lubrication, hand, used on all models

2шт.

4

L11541

CABLE TIE,203.2mm L, Nylon

STRAP - harness, used on all models

22шт.

5

187-1021

SELF-TAP SCREW,Hex Washer, 1/4" - 20 x 3/8"

SCREW - self-tapping, 1/4" - 20 NC x 3/4"

4шт.

6

195-518

WASHER,1/4", SAE

- flat, 1/4" (Zinc plated)

4шт.

7

F12300

CLAMP - "J", used on all models

4шт.

8

13-68

SCREW,Hex, 3/8" - 16 x 1/2", Gr 5

HHCS - 3/8" - 16 NC x 1/2"

4шт.

9

92-6

LOCK WASHER,3/8"

4шт.

10

49838

CLAMP

- harness, used on all models

2шт.

11

515-23159

CLAMP,5/8", Insul, 3/8" Bolt

- harness, used on all models

1шт.

12

49845

CLAMP

- harness, used on all models

1шт.

13

F86366

CAP ASSEMBLY - reservoir, used on all models

2шт.

14

F86369

RESERVOIR - lubricant, used on all models

2шт.

15

D55960

BRACKET ASSEMBLY - reservoir mounting, used on all models

2шт.

16

183-124

SCREW - thumb (5/16" - 18 NC x 1")

2шт.

17

25-225

SQUARE NUT,Sq, 5/16"-24

- square (5/16" - 18 NC]

2шт.

18

219-303

CONNECTOR, ELEC

CONNECTOR - straight, used on all models

2шт.

19

219-309

NUT - connector

2шт.

20

221-411

ELBOW,90 Degree, 1/8"-27, NPT

Street, used on all models 90º, 1/8"-27, NPT

26шт.

21

219-303

CONNECTOR, ELEC

CONNECTOR - straight, used on all models

26шт.

22

219-309

NUT - compression

26шт.

23

D56340

PLATE - pump mounting, used on all models

2шт.

24

113-3

BOLT,Hex, 1/4" - 20 x 3/4", Gr 5

4шт.

25

192-19

LOCK WASHER,Helical Spring, 0.256" ID, CST, ZND

WASHER, LOCK, 1/4"

4шт.

26

7770

NUT,Hex, 1/4 - 20, Cl 5

1/4"-20, G5

4шт.

27

D55961

PLUG - special, closure, used on all models

8шт.

28

D55962

PLUG - special, nose, used on all models

2шт.

29

F12306

GASKET

- nose, used on all models

2шт.

30

F12308

GASKET - pump, used on all models

4шт.

31

D56338

ADAPTER - special, used on all models

2шт.

32

217-21

ELBOW,90 Degree, 1/4"-18 NPTF, Fem x 1/4"-18 NPTF Male

- street, 90 degrees, used on all models

2шт.

33

D56337

ADAPTER - special, used on all models

2шт.

34

F12310

GASKET - reservoir, used on all models

2шт.

35

F55078

ADAPTER

- special, reservoir, used on all models

2шт.

36

NSS

NOT SOLD SEPARAT

CONNECTOR - straight, tube line to pump, used on all models

32шт.

Выбрано товаров: 38