Запчасти Case 1700-SERIES (206) - 20 INCH TREE SHEAR (89) - TOOLS

Схема запчастей Case 1700-SERIES - (206) - 20 INCH TREE SHEAR (89) - TOOLS
FIT
1:1
100%

Артикул

Название

Примечание

Количество

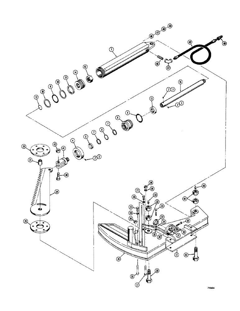
T42004

CYLINDER - tree shear (8" I.D. x 26" stroke), Include: Ref. 1 - 16

1шт.

1

T42011

TUBE - cylinder

1шт.

2

178-808

SET,Hex Soc, 3/8"-24 x 3/8"

SCREW - set, headless (3/8" - 24 NF x 3/8")

3шт.

3

T41996

LOCK ASSY

LOCK - nylon

3шт.

4

T42016

CAP - gland retaining

1шт.

5

T42015

GLAND - cylinder

1шт.

T42017

KIT - cylinder seal, Include: Ref. 6 - 12

1шт.

6

NSS

NOT SOLD SEPARAT

WIPER - rod

1шт.

7

NSS

NOT SOLD SEPARAT

RING - backup, rod seal

2шт.

8

NSS

NOT SOLD SEPARAT

SEAL - "O" ring, rod

1шт.

9

NSS

NOT SOLD SEPARAT

SEAL - "O" ring, gland and piston

2шт.

10

NSS

NOT SOLD SEPARAT

RING - backup, piston seal

2шт.

11

NSS

NOT SOLD SEPARAT

RING - piston

1шт.

12

NSS

NOT SOLD SEPARAT

SEAL - "O" ring, piston

1шт.

13

T42014

SPACER - cylinder

1шт.

14

T42013

PISTON - cylinder

1шт.

15

25-1032

NUT - hex. (2" - 4 NC)

1шт.

16

T42012

ROD - piston (3-1/2" dia.)

1шт.

17

NSS

NOT SOLD SEPARAT

FRAME - mounting

1шт.

18

NSS

NOT SOLD SEPARAT

LATCH - frame adjusting

1шт.

19

13-840

BOLT,Hex, 1/2" - 13 x 2-1/2", Gr 5

HHCS - 1/2" - 13 NC x 2-1/2"

1шт.

20

25-108

NUT,1/2"-13, G5

- hex. (1/2" - 13 NC)

1шт.

21

219-1

LUBE NIPPLE,1/8" - 27 NPTF

FITTING - grease, straight (1/8" NPT)

1шт.

22

NSS

NOT SOLD SEPARAT

RING - retaining, shear frame

1шт.

23

13-896

BOLT,Hex, 1/2" - 13 x 6", Gr 5

1шт.

24

92-8

LOCK WASHER,1/2"

1шт.

25

25-108

NUT,1/2"-13, G5

- hex. (1/2" - 13 NC)

1шт.

26

NSS

NOT SOLD SEPARAT

FRAME - shear

1шт.

27

13-1224

BOLT,Hex, 3/4" - 10 x 1-1/2", Gr 5

12шт.

28

92-12

LOCK WASHER,3/4"

WASHER, LOCK, 3/4"

12шт.

29

T42007

PLATE - wear

2шт.

30

T42009

BOLT - special

1шт.

31

NSS

NOT SOLD SEPARAT

SPACER - bushing

1шт.

32

25-1432

NUT - hex., jam (2" - 4 NC)

2шт.

33

219-1

LUBE NIPPLE,1/8" - 27 NPTF

FITTING - grease, straight (1/8" NPT)

1шт.

34

T42006

BLADE - cutting

1шт.

35

13-16112

BOLT,Hex, 1" - 8 x 7", Gr 5

1шт.

36

25-1016

NUT,1"-8, G5

1шт.

37

13-2096

BOLT,Hex, 1-1/4" - 7 x 6", Gr 5

1шт.

38

92-20

WASHER,1 1/4"

LOCK, 1 1/4"

1шт.

39

25-1020

NUT,1 1/4"-7, G5

1шт.

40

T42008

BOLT - special, clevis

1шт.

41

T42005

CLEVIS - cylinder

1шт.

42

25-1428

NUT - hex. jam (1-3/4" - 5 NC)

1шт.

43

T42009

BOLT - special, clevis

1шт.

44

25-1432

NUT - hex., jam (2" - 4 NC)

2шт.

45

219-1

LUBE NIPPLE,1/8" - 27 NPTF

FITTING - grease, straight (1/8" NPT)

1шт.

46

221-212

NIPPLE, LUBE

NIPPLE - pipe (3/4")

2шт.

47

221-384

ELBOW

- 90 degrees

2шт.

48

K3883

HOSE - hydraulic (69" long)

2шт.

49

T41332

COUPLING, BREAK AWAY

COUPLING - quick disconnect, male

2шт.

Выбрано товаров: 51