Запчасти Case 1700-SERIES (012) - VALVE MECHANISM AND CAMSHAFT, 148B SPARK IGNITION ENGINE (10) - ENGINE

Схема запчастей Case 1700-SERIES - (012) - VALVE MECHANISM AND CAMSHAFT, 148B SPARK IGNITION ENGINE (10) - ENGINE
FIT
1:1
100%

Артикул

Название

Примечание

Количество

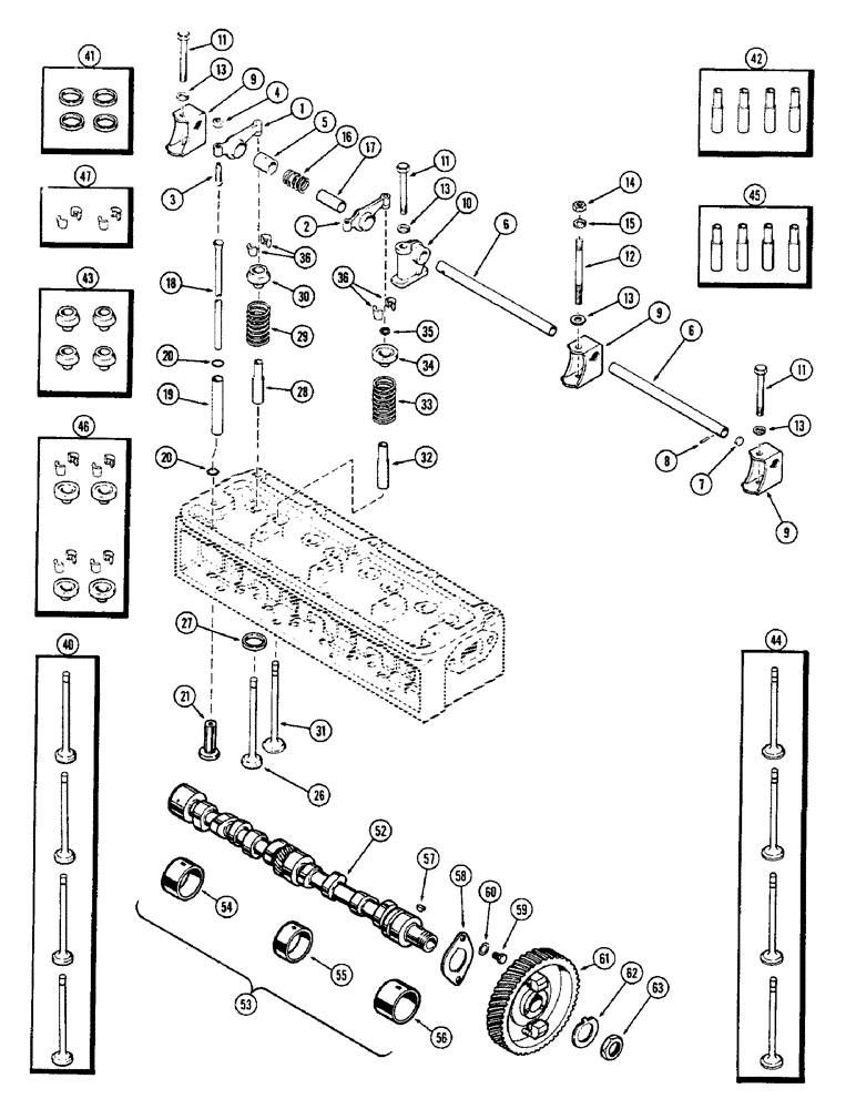
1

G45234

ARM

ASSY. - rocker, right hand, Includes Ref: 3 - 5

1шт.

2

G45235

ARM

ASSY. - rocker, left hand, Includes Ref: 3 - 5

4шт.

3

A31056

ADJUSTMENT SCREW,5/16" - 24 x 1 11/32"

SCREW - adjusting

1шт.

4

25-155

JAM NUT,Jam, 5/16"-24, G5

- lock, adj. screw, 5/16" N.F. jam

1шт.

5

A31055

BUSHING

- rocker arm (5/8 x 13/16 x 1")

1шт.

6

A37197

SHAFT

- rocker arm

2шт.

7

A26796

PLUG

- rocker shaft (7/16 x 3/16" solid)

2шт.

8

138-57

LOCK PIN,1/8" x 3/4", Slotted

PIN, , Rocker shaft 1/8" x 3/4", Slotted

2шт.

9

G46250

BRACKET

- rocker shaft

4шт.

10

G2107

BRACKET

- rocker shaft, center

1шт.

11

13-644

BOLT,Hex, 3/8" - 16 x 2-3/4", Gr 5

- bracket, 3/8 x 2-3/4" N.C. hex.

3шт.

12

G49505

STUD

- bracket & cover, 3/8" N.C. x 4-5/8"

2шт.

13

A29277

WASHER

- stud, 13/32 x 1 x 1/8"

2шт.

14

92-6

LOCK WASHER,3/8"

5шт.

15

25-106

NUT,3/8"-16, G5

- stud, 3/8" N.C. hex.

2шт.

16

A30007

SPRING

- rocker arms

4шт.

17

A30008

SPACER

- rocker arms (41/64 x 53/64 x 5/8")

2шт.

18

G11086

ROD

- push

8шт.

19

G11360

TUBE,0.687" OD x 3.687" L

- push rod guide

8шт.

20

F62114

O-RING,0.103" Thk x 0.674" ID, -115, Cl 5, 75 Duro

"O" RING - tube, 11/16 x 7/8 x 3/32"

16шт.

21

A30006

TAPPET

LIFTER - push rod

8шт.

26

NSS

NOT SOLD SEPARAT

VALVE - exhaust (Order Ref. 40)

4шт.

27

NSS

NOT SOLD SEPARAT

INSERT - exhaust valve seat (Order Ref. 41)

4шт.

28

NSS

NOT SOLD SEPARAT

GUIDE - exhaust valve (2-7/16" long) (Order Ref. 42)

4шт.

29

G10004

SPRING

- exhaust valve (7-3/4 coils w/silver strip)

4шт.

30

NSS

NOT SOLD SEPARAT

ROTO-CAP - exhaust valve (Order Ref. 43)

4шт.

31

NSS

NOT SOLD SEPARAT

VALVE - intake (Order Ref. 44)

4шт.

32

NSS

NOT SOLD SEPARAT

GUIDE - intake valve (2-11/16" long) (Order Ref. 45)

4шт.

33

A30025

SPRING

- intake valve (8-1/4 coils, plain)

4шт.

34

NSS

NOT SOLD SEPARAT

RETAINER - intake valve (Order Ref. 46)

4шт.

35

G46851

SEAL

- intake valve stem

4шт.

36

NSS

NOT SOLD SEPARAT

LOCK - valve spring (Order Ref. 47)

16шт.

40

G11962

VALVE, ENG EXHAUST,

VALVE SET - exhaust (Set of 4)

1шт.

41

G11960

KIT

INSERT SET - exhaust valve seat (Set of 4)

1шт.

42

A30270

GUIDE

SET - exhaust valve (Set of 4)

1шт.

43

G11928

CAP

ROTO-CAP SET - exhaust valve (Set of 4)

1шт.

44

G11961

VALVE

SET - intake valve (Set of 4)

1шт.

45

G10269

KIT

GUIDE SET - intake valve (Set of 4)

1шт.

46

G11927

RETAINER

SET - intake valve (Set of 4 w/locks)

1шт.

47

G11929

LOCK

SET - valve spring (Set of 4)

4шт.

52

G2049

CAMSHAFT

1шт.

53

A41225

KIT

BUSHING SET - camshaft, Includes Ref: 54 - 56

1шт.

54

NSS

NOT SOLD SEPARAT

BUSHING - rear, 1-11/64" wide

1шт.

55

NSS

NOT SOLD SEPARAT

BUSHING - center, 23/32" wide

1шт.

56

NSS

NOT SOLD SEPARAT

BUSHING - front, 1-5/16" wide

1шт.

57

126-12

WOODRUFF KEY,#6, 5/32" x 5/8"

Camshaft gear #6, 5/32" x 5/8"

1шт.

58

A29290

PLATE

- thrust, camshaft

1шт.

59

A30056

SCREW,Hex, 5/16" - 18 x 1/2"

- thrust plate, 5/16 x 1-1/2" N.C. hex.

2шт.

60

193-9

LOCK WASHER,Ext Tooth, 5/16"

WASHER, LOCK, Ext Tooth, 5/16"

2шт.

61

G37066

GEAR

- camshaft, w/governor weights (48 teeth)

1шт.

62

A29438

LOCK NUT

WASHER - tab, camshaft gear lock

1шт.

63

A30063

NUT

- camshaft gear retaining

1шт.

Выбрано товаров: 52