Запчасти Case 1700-SERIES (014) - CYLINDER BLOCK, 148B SPARK IGNITION ENGINE (10) - ENGINE

Схема запчастей Case 1700-SERIES - (014) - CYLINDER BLOCK, 148B SPARK IGNITION ENGINE (10) - ENGINE
FIT
1:1
100%

Артикул

Название

Примечание

Количество

A41598

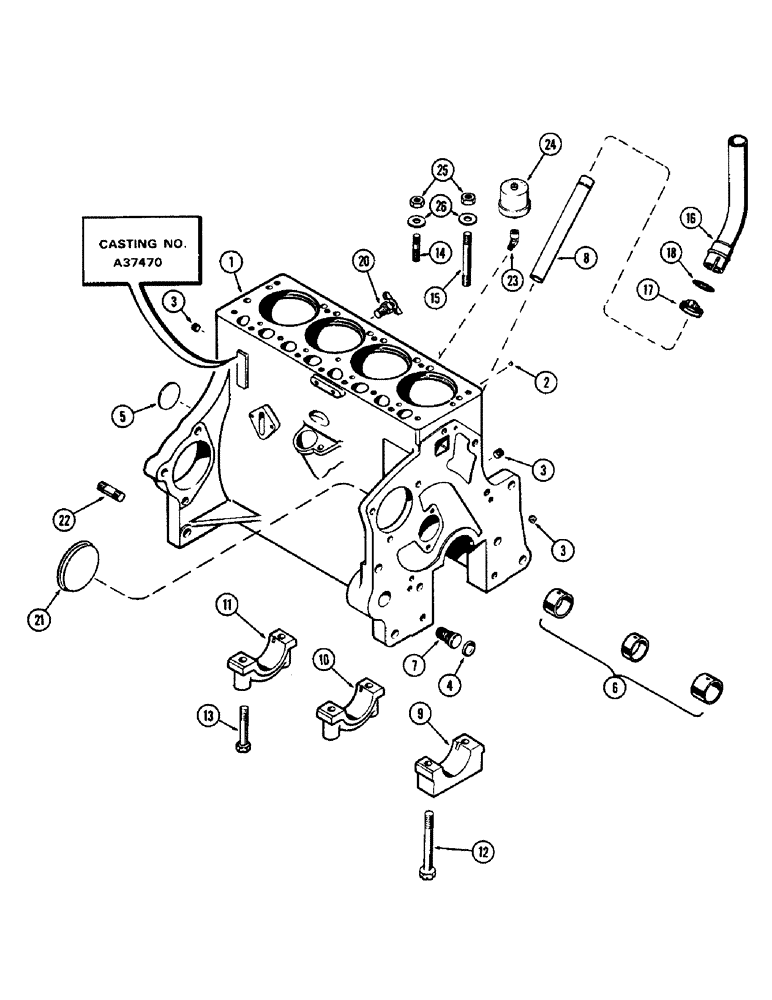
BLOCK ASSY. - cylinder, short (Casting No. A37470) (Incl. stripped block, crankshaft & bearings, connecting rods & bearings, camshaft, pistons assy. & oil pump), Includes Ref: 1 - 18

1шт.

1

A37828

SKELETON ENGINE

BLOCK ASSY. - stripped (Casting No. A37470), Includes Ref: 2 - 18

1шт.

2

221-850

PLUG,Hex Soc, 1/16"-27

- 1/16" P.T., ctsk. hd.

1шт.

3

217-433

PLUG,Hex Soc, 1/4" - 18 NPTF

Oil gallery Hex Soc, 1/4"-18 NPTF

3шт.

4

41-1016

PLUG,Cup, 1"

- filter adapter (1" cup type)

1шт.

5

A39241

PLUG,Exp, 2.12" dia

- camshaft hole (2-1/8" exp.)

1шт.

6

A41225

KIT

BUSHING SET - camshaft

1шт.

7

A153552

ADAPTER

- oil filter mounting

1шт.

8

A37149

TUBE

- oil filler & level gauge

1шт.

9

G2035

CAP

- front main bearing

1шт.

10

G2036

CAP

- center main bearing

1шт.

11

G2037

CAP

- rear main bearing

1шт.

12

G49059

BOLT

- front main bearing cap (1/2 x 4-3/4" N.C. hex., sltd.)

2шт.

13

G49037

BOLT

- center & rear main bearing cap (1/2 x 3" N.C. hex., sltd.)

4шт.

14

A30057

STUD

- cylinder head to block (1/2" N.C. x 2")

9шт.

15

A29436

STUD

- cylinder head to block (1/2" N.C. x 5-7/8")

5шт.

16

A37407

TUBE

EXTENSION - oil filler & level gauge

1шт.

17

A27342

O-RING,1.109" ID x 1.387" OD x 0.139"

"O" RING - 1-1/8 x 1-3/8 x 1/8"

1шт.

18

214-256

HOSE CLAMP,#20, 0.81" - 1.75", Type F Worm

CLAMP - hose, 1-3/16 to 1-3/4"

1шт.

20

A23656

COCK, DRAIN

VALVE - drain, cylinder block

1шт.

21

A58750

PLUG,Cup, 3 1/4", Stainless

- auxiliary drive opening (3-1/4" cup type)

1шт.

22

A51412

STUD

- cyl. block, rear, 5/8" N.C. - N.F. x 1-3/4"

1шт.

23

221-401

ELBOW,45 Degree, 1/8"-27, NPT

- sending unit, 45 degree street

1шт.

24

A35031

SENDER UNIT

UNIT - oil pressure sending

1шт.

25

A30021

NUT

- head studs, 1/2" N.F. hex.

14шт.

26

G49404

WASHER

- head studs (17/32 x 27/32 x 1/16")

14шт.

Выбрано товаров: 26