Запчасти Case 1700-SERIES (064) - AIR CLEANERS & RELATED PARTS, USED MODEL 1740 BEFORE TRACTOR SN. 9821369 & ALL 1737 AND 1737S MODELS (10) - ENGINE

Схема запчастей Case 1700-SERIES - (064) - AIR CLEANERS & RELATED PARTS, USED MODEL 1740 BEFORE TRACTOR SN. 9821369 & ALL 1737 AND 1737S MODELS (10) - ENGINE
FIT
1:1
100%

Артикул

Название

Примечание

Количество

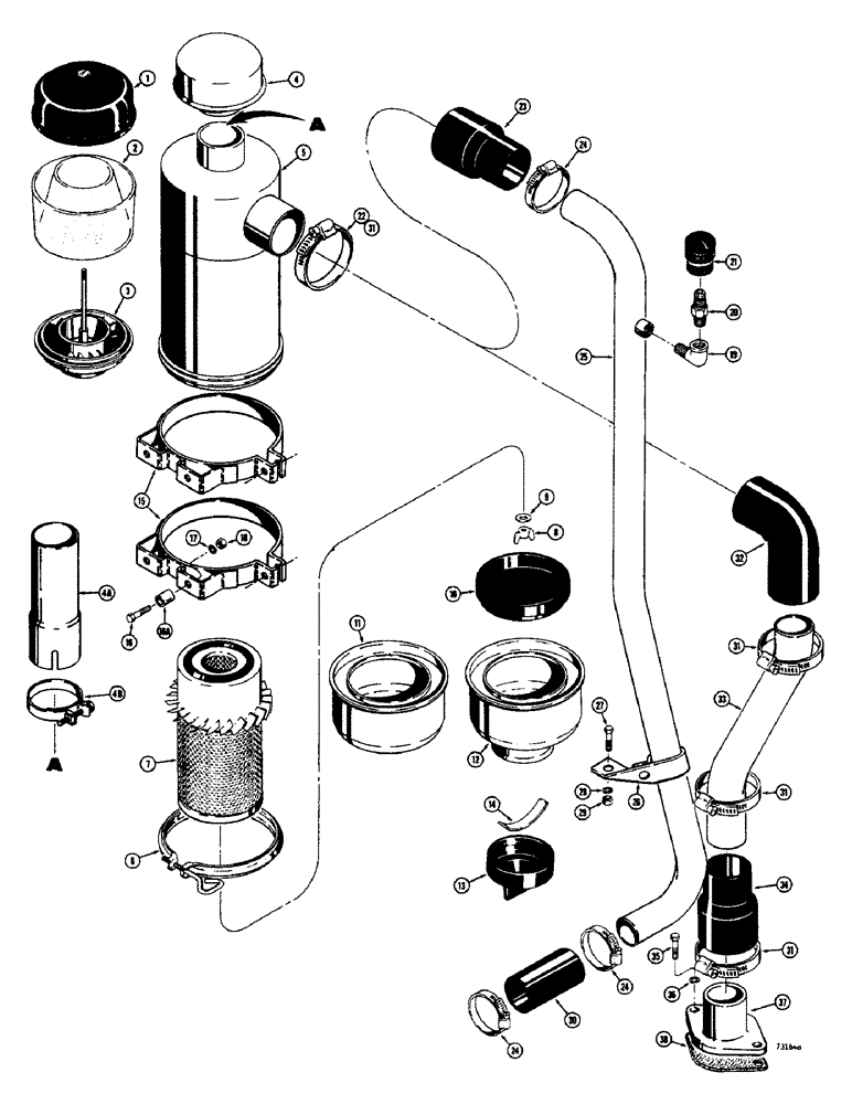
D20604

PRECLEANER

PRE-CLEANER ASSEMBLY - air, model 1737S, Inlcudes: Ref. 1 - 3

1шт.

1

D30676

COVER

CAP - pre-cleaner

1шт.

2

D30675

BODY

- pre-cleaner

1шт.

3

D30677

SLEEVE

- pre-cleaner

1шт.

4

D22685

CAP

- air inlet, models 1737 and 1740

1шт.

4a

61278

EXTENSION - air cleaner, if used

1шт.

4b

214-26

CLAMP

- extension

1шт.

D55164

AIR CLEANER

ASSEMBLY - dry type, 1737 and 1740, Inlcudes: Ref. 5 - 14

1шт.

D53106

CLEANER

AIR CLEANER ASSEMBLY - dry type, model 1737S, Inlcudes: Ref. 5 - 14

1шт.

5

NSS

NOT SOLD SEPARAT

BODY - air cleaner

1шт.

6

D48199

CLAMP

ASSEMBLY - cup retaining

1шт.

7

D48198

AIR CLEANER

ELEMENT - filter

1шт.

F91761

WING NUT

AND WASHER ASSEMBLY, Inlcudes: Ref. 8 - 9

1шт.

8

NSS

NOT SOLD SEPARAT

NUT - wing

1шт.

9

NSS

NOT SOLD SEPARAT

WASHER - special sealing

1шт.

10

D48200

BAFFLE

- air cleaner

1шт.

11

D48201

CUP

- bottom (D55164 air cleaner)

1шт.

12

D54280

CUP - bottom (D53106 air cleaner)

1шт.

13

L30414

VALVE

- vaculator (D53106 air cleaner)

1шт.

14

D50945

SPRING

- vaculator valve (D53106 air cleaner)

1шт.

15

D43713

BAND

CLAMP ASSEMBLY - air cleaner mounting

2шт.

16

13-516

BOLT,Hex, 5/16" - 18 x 1", Gr 5

(1737 and 1740) Hex, 5/16"-18 x 1", G5, Full Thd

4шт.

16

13-536

BOLT,Hex, 5/16" - 18 x 2-1/4", Gr 5

(1737S) Hex, 5/16"-18 x 2 1/4", G5

4шт.

16a

G49623

SUPPORT TUBE,0.625" OD x 1.255" L

SPACER - air cleaner (1737S)

4шт.

17

92-5

LOCK WASHER,5/16"

4шт.

18

9635082

NUT,5/16" - 18, Gr 5

- hex. (5/16" - 18 NC)

4шт.

19

221-411

ELBOW,90 Degree, 1/8"-27, NPT

Street 90º, 1/8"-27, NPT

1шт.

20

D36264

FITTING

ADAPTER - special

1шт.

21

A59569

INDICATOR

- air cleaner

1шт.

22

214-260

HOSE CLAMP,#36, 1.81" - 2.75", Type F Worm

model 1737 and 1737s uni-loaders only #36, 1.81/2.75 Type F Worm

1шт.

23

D49086

ADAPTER

- hose, model 1737 and 1737s uni-loaders only

1шт.

24

214-258

HOSE CLAMP,#28, 1.31" - 2.25", Type F Worm

model 1737 and 1737s uni-loaders only #28, 1.31/2.25 Type F Worm

3шт.

25

D53104

TUBE - air supply, model 1737 and 1737s uni-loaders only

1шт.

26

D53432

CLAMP - tube mounting, model 1737 and 1737s uni-loaders only

1шт.

27

13-516

BOLT,Hex, 5/16" - 18 x 1", Gr 5

1шт.

28

92-5

LOCK WASHER,5/16"

1шт.

29

9635082

NUT,5/16" - 18, Gr 5

- hex. (5/16" - 18 NC)

1шт.

30

R14169

HOSE

- air cleaner (1-1/2" I.D. x 3"), model 1737 and 1737s uni-loaders only

1шт.

31

214-260

HOSE CLAMP,#36, 1.81" - 2.75", Type F Worm

model 1740 uni-loader only #36, 1.81/2.75 Type F Worm

4шт.

32

D31247

HOSE ASSY.

ELBOW - hose, 90 degrees, model 1740 uni-loader only

1шт.

33

D53102

TUBE - air supply, model 1740 uni-loader only

1шт.

34

D53107

ADAPTER - hose, model 1740 uni-loader only

1шт.

35

13-616

BOLT,Hex, 3/8" - 16 x 1", Gr 5, Full Thd

Used on cast iron manifold only Hex, 3/8"-16 x 1", G5, Full Thd

2шт.

36

92-6

LOCK WASHER,3/8"

2шт.

37

A37098

FLANGE

INLET - air manifold, used on cast iron manifold only, model 1740 uni-loader only

1шт.

38

D22670

GASKET

- inlet, used on cast iron manifold only, model 1740 uni-loader only

1шт.

Выбрано товаров: 46