Запчасти Case 1816 (34) - AXLES AND DRIVE CHAINS (14) - MAIN GEARBOX & DRIVE

Схема запчастей Case 1816 - (34) - AXLES AND DRIVE CHAINS (14) - MAIN GEARBOX & DRIVE
FIT
1:1
100%

Артикул

Название

Примечание

Количество

REF

INSTRUCTION

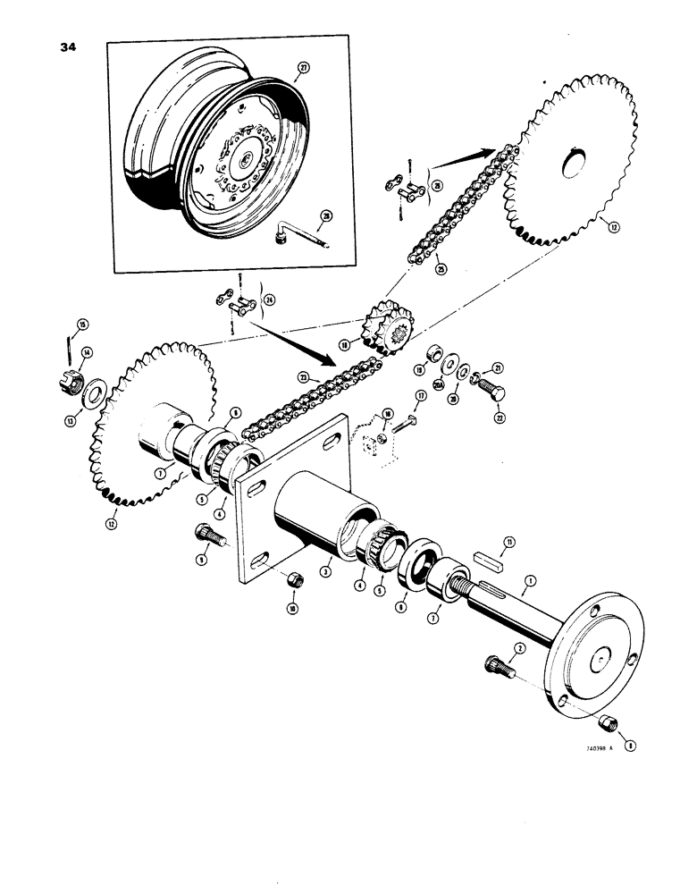
AXLE AND HUB ASSEMBLY, Includes: Ref. D76714, 1 - 7

4шт.

D76714

SHAFT

AXLE ASSEMBLY, Includes: Ref. 1 - 2

1шт.

1

NSS

NOT SOLD SEPARAT

AXLE wheel

1шт.

2

T40045

WHEEL BOLT

BOLT special, wheel

3шт.

D57755

HUB

ASSEMBLY, Includes: Ref. 3 - 4

1шт.

3

NSS

NOT SOLD SEPARAT

HUB axle

1шт.

4

H751370

BEARING CUP

2шт.

5

H747758

TAPERED BEARING,38.1 mm ID x 18.034 mm

BEARING ASSEMBLY cone

2шт.

6

D56800

SEAL

grease

2шт.

7

D56799

SPACER

bearing

2шт.

8

F23214

WHEEL NUT

special, wheel

12шт.

9

E16592

WHEEL BOLT

BOLT special, 1/2" - 20 NF x 1-7/8"

16шт.

10

131-913

FLANGE NUT,Flg, USR, 1/2"-20

hex, lock, 1/2" - 20 NF

16шт.

11

A29408

KEY

square, 3/8" x 1-1/4"

4шт.

12

D56805

SPROCKET ASSY.

SPROCKET driven

4шт.

13

195-549

WASHER,7/8", SAE

flat, zinc plated, 7/8"

8шт.

14

25-1314

SLOTTED NUT,7/8"-14, G5

NUT hex, sloted, 7/8" - 14 NF

4шт.

15

132-52

COTTER PIN,1/8" x 1 1/2"

Pin, Split (Cotter), 1/8" x 1 1/2"

4шт.

16

25-106

NUT,3/8"-16, G5

hex, 3/8" - 16 NC

4шт.

17

181-650

SET SCREW,Sq Hd, 3/8"-16 x 1 3/4"

SCREW square head, set, 3/8" - 16 NC x 1-3/4"

4шт.

18

D56569

DRIVE SPROCKET

SPROCKET drive

2шт.

19

D60602

SPACER

sprocket

2шт.

20

195-33

WASHER,1/2"

plain, 1/2"

2шт.

20a

95-8

WASHER,1/2"

plain 1/2"

2шт.

21

92-8

LOCK WASHER,1/2"

2шт.

22

14-816

BOLT,Hex, 1/2" - 20 x 1", Gr 5

HHCS, 1/2" - 20 NF x 1"

2шт.

D56647

CHAIN (CE)

CHAIN, 60, rear drive, Includes: Ref. 23 - 24

2шт.

23

NSS

NOT SOLD SEPARAT

CHAIN, 60

1шт.

24

D66284

LINK,19.05mm Pitch

ASSEMBLY, link, clip and cotter pins

1шт.

D56648

CHAIN (CE)

CHAIN, 60, front drive, Includes: Ref. 25 - 26

2шт.

25

NSS

NOT SOLD SEPARAT

CHAIN, 60

1шт.

26

D66284

LINK,19.05mm Pitch

ASSEMBLY, link, clip and cotter pins

1шт.

27

D58595

WHEEL

rim, 27 x 8:50 x 15" tire only, wheels

4шт.

27

D56868

WHEEL

rim 5:70 and 5:90 x 15" tires, wheels

4шт.

28

D48692

VALVE

STEM valve, tubeless wheels only

4шт.

Ref. 28A - N7178 Plug, Valve Stem

1шт.

Выбрано товаров: 36