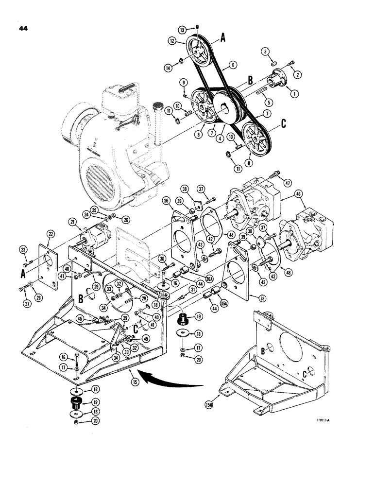
Запчасти Case 1816B (44) - SHEAVES, DRIVE BELTS, AND PUMP MOUNTING (14) - MAIN GEARBOX & DRIVE

Схема запчастей Case 1816B - (44) - SHEAVES, DRIVE BELTS, AND PUMP MOUNTING (14) - MAIN GEARBOX & DRIVE
FIT
1:1
100%

Артикул

Название

Примечание

Количество

D78571

BUSHING

ASSEMBLY - sheave, Includes: Ref. 1 - 3

1шт.

1

NSS

NOT SOLD SEPARAT

BUSHING - split taper

1шт.

2

113-103

BOLT,Hex, 5/16" - 18 x 1", Gr 5

3шт.

3

D78416

KEY - square, 3/8" x 3/8" x 3/4"

1шт.

4

D78551

PULLEY

SHEAVE - belt drive

1шт.

5

A31136

KEY

- square, 1/4" x 1/4" x 2-1/8"

1шт.

6

D59867

V-BELT,0.38" W x 36.50" L

Engine to Equipment Pump 0.38" W x 36.50" L

1шт.

7

D60083

V-BELT,0.50" W x 33.00" L

Engine to Pumps 0.50" W x 33.00" L

2шт.

8

D59808

SHEAVE

- lower, Includes: Ref. 9

2шт.

9

178-442

SET SCREW,Hdls Hex Skt, 5/16" - 18 x 1/2", Flat Pt

- hex socket, 5/16" - 18 NC x 1/2"

2шт.

10

D59803

KEY

- square, 3/16" x 3/16" x 1-1/8"

2шт.

11

T25683

SNAP RING,#75, Ext

Ring, Snap, , sheave #75, Ext

2шт.

12

D60531

SHEAVE

- upper, Includes: Ref. 13

1шт.

13

178-442

SET SCREW,Hdls Hex Skt, 5/16" - 18 x 1/2", Flat Pt

- hex socket, 5/16" - 18 NC x 1/2"

2шт.

14

A11538

SNAP RING,#50, Ext

Ring, Snap, , sheave #50, Ext

1шт.

15

NSS

NOT SOLD SEPARAT

PLATE - pump and engine mounting, Order 15A

1шт.

15a

D74993

PLATE - pump and engine mounting, plate with ears

1шт.

16

113-336

BOLT,Hex, 7/16" - 14 x 2-1/4", Gr 5

- hex head, 7/16" - 14 NC x 2-1/4"

4шт.

17

195-2042

WASHER,.469" x 1 1/2" x .134"

- flat, 7/16"

4шт.

18

D75196

WASHER

- hardened

8шт.

19

D59838

MOUNTING PARTS

MOUNT - rubber

4шт.

20

131-653

NUT,7/16"-14, GB

- hex, self-locking, 7/16" - 14 NC

4шт.

21

D61866

PUMP

- equipment, parts list Figure 80

1шт.

22

D61639

BRACKET

PLATE - equipment pump mounting

1шт.

23

113-208

BOLT,Hex, 3/8" - 16 x 1-1/4", Gr 5

2шт.

24

195-525

WASHER,3/8", SAE

- flat, 3/8"

2шт.

25

92-6

LOCK WASHER,3/8"

2шт.

26

25-106

NUT,3/8"-16, G5

- hex, 3/8" - 16 NC

2шт.

27

113-208

BOLT,Hex, 3/8" - 16 x 1-1/4", Gr 5

2шт.

28

195-525

WASHER,3/8", SAE

- flat, 3/8"

2шт.

29

D77917

RETAINER

GUIDE - belt

4шт.

30

13-628

BOLT,Hex, 3/8" - 16 x 1-3/4", Gr 5

2шт.

31

113-207

BOLT,Hex, 3/8" - 16 x 1", Gr 5

2шт.

32

195-525

WASHER,3/8", SAE

- flat, 3/8"

4шт.

33

92-6

LOCK WASHER,3/8"

4шт.

34

25-106

NUT,3/8"-16, G5

- hex, 3/8" - 16 NC

4шт.

35

D78705

PLATE

- pump mounting, right-hand, Includes: Ref. 35A

1шт.

35a

D78700

BUSHING

- plate

1шт.

36

D78706

PLATE ASSY.

PLATE - pump mounting, left-hand, Includes: Ref. 36A

1шт.

36a

D78700

BUSHING

- plate

1шт.

37

113-209

BOLT,Hex, 3/8" - 16 x 1-1/2", Gr 5

2шт.

38

D78665

PLATE

- wear

2шт.

39

D78664

SPACER

- wear plate

2шт.

40

195-525

WASHER,3/8", SAE

- flat, 3/8"

2шт.

41

131-652

LOCK NUT,3/8"-16, GB

NUT - hex, self-locking, 3/8" - 16 NC

2шт.

42

113-421

BOLT,Hex, 1/2" - 13 x 2", Gr 5

2шт.

43

D78732

WASHER

- special

2шт.

44

D78701

BUSHING

SPACER - pump mounting plate

2шт.

45

131-654

LOCK NUT,1/2"-13, GB

NUT - hex, self-locking, 1/2" - 13 NC

2шт.

46

REF

INSTRUCTION

PUMP - variable displacement, see figure 50

2шт.

47

166-85

12 PT SCREW,Flg, 1/2" - 13 x 1", Gr 8

SCREW - 12 point, flange head, 1/2" - 13 NC x 1"

4шт.

48

D81382

SPACER

SHIM - pump to plate, if used

2шт.

Выбрано товаров: 52