Запчасти Case 1816B (60) - HAND BRAKES (33) - BRAKES & CONTROLS

Схема запчастей Case 1816B - (60) - HAND BRAKES (33) - BRAKES & CONTROLS
FIT
1:1
100%

Артикул

Название

Примечание

Количество

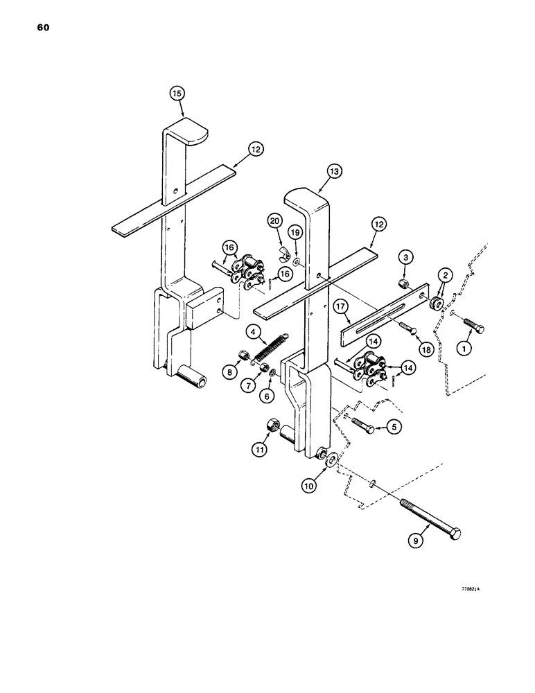
1

113-207

BOLT,Hex, 3/8" - 16 x 1", Gr 5

2шт.

2

195-525

WASHER,3/8", SAE

- flat, 3/8"

4шт.

3

131-652

LOCK NUT,3/8"-16, GB

NUT - hex, self-locking, 3/8" - 16 NC

2шт.

4

A37005

SPRING

- return

2шт.

5

113-4

BOLT,Hex, 1/4" - 20 x 1", Gr 5

2шт.

6

92-4

LOCK WASHER,1/4"

WASHER, LOCK, 1/4"

2шт.

7

25-104

NUT,1/4"-20, G5

2шт.

8

131-1102

LOCK NUT,1/4"-20, GA

NUT - hex, self-locking, 1/4" - 20 NC

2шт.

9

113-259

BOLT,Hex, 3/8" - 16 x 4-1/2", Gr 5

2шт.

10

195-525

WASHER,3/8", SAE

- flat, 3/8"

1шт.

11

131-652

LOCK NUT,3/8"-16, GB

NUT - hex, self-locking, 3/8" - 16 NC

2шт.

12

D62403

PROTECTIVE COVER

COVER - lever, brake

2шт.

D61163

LEVER

ASSEMBLY - brake, R.H., Includes: Ref. 13 and 14

1шт.

13

NSS

NOT SOLD SEPARAT

LEVER - brake, R.H.

1шт.

14

D57269

CHAIN (AG)

CHAIN - No. 60, 3 pitches

1шт.

D61164

LEVER

ASSEMBLY - brake, L.H., Includes: Ref. 16 and 17

1шт.

15

NSS

NOT SOLD SEPARAT

LEVER - brake, LH

1шт.

16

D57269

CHAIN (AG)

CHAIN - No. 60, 3 pitches

1шт.

17

D61136

PLATE ASSY.

PLATE - brake

2шт.

18

111-362

CARRIAGE BOLT

CARRIAGE BOLT - 3/8" - 16 NC x 1", plated

2шт.

19

195-525

WASHER,3/8", SAE

- flat, 3/8"

2шт.

20

129-410

WING NUT,3/8"-16

- winged, 3/8" - 16 NC

2шт.

Выбрано товаров: 22