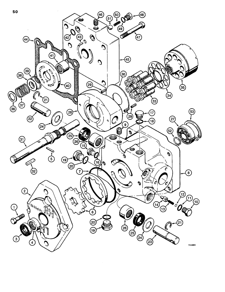
Запчасти Case 1816B (50) - D75993 VARIABLE DISPLACEMENT PUMP (35) - HYDRAULIC SYSTEMS

Схема запчастей Case 1816B - (50) - D75993 VARIABLE DISPLACEMENT PUMP (35) - HYDRAULIC SYSTEMS
FIT
1:1
100%

Артикул

Название

Примечание

Количество

D75993

PUMP

- variable displacement, Sundstrand 15-2044, Includes: Ref. 1 - 53

2шт.

1

113-113

BOLT,Hex, 5/16" - 18 x 7/8", Gr 5

4шт.

2

D63402

FLANGE

- mounting

1шт.

3

H439172

SEAL

- lip (Replaces A50421)

1шт.

4

D65128

NEEDLE BEARING,Needle, 19.05mm ID x 25.4mm OD x 9.53mm W

- flange

1шт.

5

D65123

PIN

- straight

1шт.

6

D63412

SPARE PART

GEROTOR - includes rotor and stator

1шт.

7

H756650

O-RING

-, Serial Range: flange-housing

1шт.

N7058

HOUSING

ASSEMBLY - pump, Includes: Ref. 8 - 19

1шт.

8

NSS

NOT SOLD SEPARAT

HOUSING - pump

1шт.

9

F23137

PLUG

- pipe

2шт.

10

D63405

PLUG

- relief valve

1шт.

12

D63406

SHIM

KIT - relief valve

1шт.

13

D63407

VALVE SPRING

SPRING - relief valve

1шт.

14

D63413

CONE

POPPET - relief valve

1шт.

15

129998

PLUG,1/2" - 20 ORB

Not used on some housings, Incl. Ref. 16 Hex Hd, 1/2"-20 ORB

1шт.

17

76349

PLUG,9/16" - 18 ORB

Not used on some housings, Incl. Ref. 18 Hex Hd, 9/16"-18 ORB

2шт.

18

218-5005

O-RING,0.078" Thk x 0.468" ID, -906, Cl 6, 90 Duro

6-1, 90 Duro, .468" ID x .078" Thk, 218-5155 plug

1шт.

19

214389

PLUG,3/4" - 16 ORB

Not used on some housings, Includes Ref. 20 Hex Hd, 3/4"-16 ORB

1-2шт.

21

D65126

SNAP RING,#68, Ext

Ring, Snap, #68, Ext

2шт.

22

D63408

SHAFT

- trunnion, short

1шт.

23

D63404

SHAFT

- trunnion, long

1шт.

24

H249599

WASHER

- special

2шт.

25

H755884

SEAL

- lip, trunnion shaft

2шт.

26

H756155

NEEDLE BEARING

- trunnion shaft

2шт.

27

D65122

BALL BEARING

- trunnion shaft

1шт.

28

D63399

PLATE

SWASH PLATE - variable

1шт.

29

138-2062

PIN,3/16" x 5/8", Coiled

3шт.

30

D63400

PLATE

- thrust

1шт.

31

D75827

SHAFT

- pump

1шт.

32

D65127

KEY

- shaft, axial

1шт.

D63398

BLOCK

CYLINDER BLOCK ASSEMBLY - kit, Includes: Ref. 33 - 39

1шт.

33

NSS

NOT SOLD SEPARAT

PISTON - pump

9шт.

34

NSS

NOT SOLD SEPARAT

RETAINER - piston

1шт.

35

NSS

NOT SOLD SEPARAT

BLOCK - cylinder

1шт.

36

NSS

NOT SOLD SEPARAT

WASHER - special, front

1шт.

37

NSS

NOT SOLD SEPARAT

SPRING - plate

1шт.

38

NSS

NOT SOLD SEPARAT

WASHER - special, rear

1шт.

39

NSS

NOT SOLD SEPARAT

RING - retaining

1шт.

40

D63411

PLATE

- valve

1шт.

41

D65125

ROLLER BEARING,0.6699" ID x 0.937" OD x 0.62"

BEARING - roller

1шт.

42

F23125

O-RING,0.07" Thk x 0.489" ID, -14, Cl 6, 90 Duro

- cap

2шт.

43

D65124

PIN

- straight

1шт.

44

H255059

GASKET

- housing

1шт.

45

D63397

CYLINDER END CAP

CAP - pump

1шт.

REF

INSTRUCTION

PUMP - variable displacement

1шт.

46

F23137

PLUG

- pipe

2шт.

47

113-257

BOLT,Hex, 3/8" - 16 x 2-1/2", Gr 5

4шт.

48

D63410

PLUG

- check

2шт.

50

D63409

VALVE SPRING

SPRING - check valve

2шт.

51

211-12

BALL,7/16 Dia

- check valve

2шт.

52

16242

SNAP RING,1.852", Int, #185

Ring, Snap, , small 1.852", Int, #185

1шт.

Should be Large

1шт.

53

D46211

SNAP RING,#78, Ext

Ring, Snap, , large #78, Ext

1шт.

Should be Small

1шт.

11

218-5004

O-RING,0.072" Thk x 0.414" ID, -905, Cl 6, 90 Duro

5-1, 90 Duro, .414" ID x .072" Thk, plug

1шт.

16

218-5004

O-RING,0.072" Thk x 0.414" ID, -905, Cl 6, 90 Duro

5-1, 90 Duro, .414" ID x .072" Thk, 218-5154 plug

1шт.

49

218-5004

O-RING,0.072" Thk x 0.414" ID, -905, Cl 6, 90 Duro

5-1, 90 Duro, .414" ID x .072" Thk, plug

2шт.

20

218-5006

O-RING,0.087" Thk x 0.644" ID, -908, Cl 6, 90 Duro

- 218-5156 plug

1шт.

Выбрано товаров: 59