Запчасти Case 1816B (88) - MANURE FORK AND GRAPPLE (89) - TOOLS

Схема запчастей Case 1816B - (88) - MANURE FORK AND GRAPPLE (89) - TOOLS
FIT
1:1
100%

Артикул

Название

Примечание

Количество

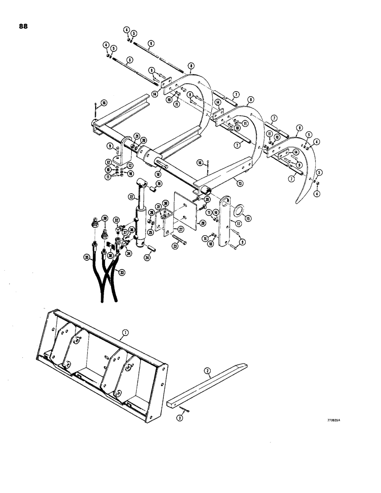
1

D61741

FRAME

- manure fork

1шт.

2

D57626

TOOTH

TINE - fork

7шт.

3

132-154

COTTER PIN,1/4" x 2"

Pin, Split (Cotter), 1/4" x 2"

7шт.

4

129-105

NUT,Hex, 1/2" - 13, Gr 5

Hydraulic grapple attachment, used with manure fork 1/2"-13, G5

4шт.

5

192-23

LOCK WASHER,1/2"

WASHER, LOCK, , Hydraulic grapple attachment, used with manure fork 1/2"

4шт.

6

D61151

AXLE PIN

TIE ROD - grapple, hydraulic attachment, used with manure fork

2шт.

7

D61152

BUSHING

SPACER - hook, hydraulic grapple attachment, used with manure fork

4шт.

8

D61154

HOOK

- grapple, hydraulic attachment, used with manure fork

3шт.

9

113-410

BOLT,Hex, 1/2" - 13 x 1-1/2", Gr 5, Full Thd

Hydraulic grapple attachment, used with manure fork Hex, 1/2"-13 x 1 1/2", G5, Full Thd

12шт.

10

192-23

LOCK WASHER,1/2"

WASHER, LOCK, , Hydraulic grapple attachment, used with manure fork 1/2"

12шт.

11

129-105

NUT,Hex, 1/2" - 13, Gr 5

Hydraulic grapple attachment, used with manure fork 1/2"-13, G5

12шт.

12

195-533

WASHER,1/2", SAE

- flat, 1/2", plated, hydraulic grapple attachment, used with manure fork

2шт.

13

D63054

TONGS

ARM - grapple, hydraulic attachment, used with manure fork

1шт.

14

D61624

SPACER

- arm, hydraulic grapple attachment, used with manure fork

3шт.

15

D25509

WASHER

- special, hydraulic grapple attachment, used with manure fork

2шт.

16

132-159

COTTER PIN,1/4" x 3"

Pin, Split (Cotter), , Hydraulic grapple attachment, used with manure fork 1/4" x 3"

2шт.

17

D64020

BRACKET

SUPPORT - grapple arm, hydraulic attachment, used with manure fork

2шт.

18

113-628

BOLT,Hex, 5/8" - 11 x 3-1/2", Gr 5

- hex head, 5/8" - 11 NC x 2-1/2", plated, hydraulic grapple attachment, used with manure fork

1шт.

19

D58119

BUSHING

- cylinder, hydraulic grapple attachment, used with manure fork

1шт.

20

192-25

LOCK WASHER,5/8"

WASHER, LOCK, , Hydraulic grapple attachment, used with manure fork 5/8"

1шт.

21

129-107

NUT,5/8"-11, G5

Hydraulic grapple attachment, used with manure fork 5/8"-11, G5

1шт.

22

D58638

CYLINDER

- grapple, parts list Figure 84, hydraulic attachment, used with manure fork

1шт.

23

113-618

BOLT,Hex, 5/8" - 11 x 4", Gr 5

- hex head, 5/8" - 11 NC x 4", plated, hydraulic grapple attachment, used with manure fork

1шт.

24

D58692

BUSHING

- cylinder, hydraulic grapple attachment, used with manure fork

1шт.

25

192-25

LOCK WASHER,5/8"

WASHER, LOCK, , Hydraulic grapple attachment, used with manure fork 5/8"

1шт.

26

129-107

NUT,5/8"-11, G5

Hydraulic grapple attachment, used with manure fork 5/8"-11, G5

1шт.

27

D63056

ANCHOR

BRACKET - cylinder, hydraulic grapple attachment, used with manure fork

1шт.

28

D64019

PLATE

- cylinder bracket, hydraulic grapple attachment, used with manure fork

1шт.

29

111-508

CARRIAGE BOLT,Short NK, 1/2"-13 x 1 1/2", G5

BOLT, CARRIAGE, , Hydraulic grapple attachment, used with manure fork Short NK, 1/2"-13 x 1 1/2", G5

2шт.

30

192-23

LOCK WASHER,1/2"

WASHER, LOCK, , Hydraulic grapple attachment, used with manure fork 1/2"

2шт.

31

129-105

NUT,Hex, 1/2" - 13, Gr 5

Hydraulic grapple attachment, used with manure fork 1/2"-13, G5

2шт.

32

218-1053

ELBOW,90 Degree, 9/16"-18, 37 Degree x 3/8"-18, NPTF

- 90 degree, male, hydraulic grapple attachment, used with manure fork

1шт.

33

D60843

HOSE

- at cylinder, rod end, 36" (914 mm) long, hydraulic grapple attachment, used with manure fork

1шт.

34

218-1095

ELBOW,45 Degree, 9/16-18" 37 Degree x 3/8"-18, NPTF

- 45 degree, male, hydraulic grapple attachment, used with manure fork

1шт.

35

D60842

HOSE

- at cylinder, closed end, 32" (813 mm) long, hydraulic grapple attachment, used with manure fork

1шт.

36

113-102

BOLT,Hex, 5/16" - 18 x 3/4", Gr 5

Hex, 5/16"-18 x 3/4", G5, Full Thd, Hydraulic grapple attachment, used with manure fork

1шт.

37

192-20

LOCK WASHER,Helical Spring, 0.318" ID, CST, ZND

WASHER, LOCK, , Hydraulic grapple attachment, used with manure fork 5/16"

1шт.

38

R17319

CLAMP

- hose, hydraulic grapple attachment, used with manure fork

1шт.

39

D60708

COUPLING, BREAK AWAY

COUPLING - quick disconnect, male, hydraulic grapple attachment, used with manure fork

2шт.

Выбрано товаров: 0