Запчасти Case 1818 (9-214) - CHASSIS AND COVERS (09) - CHASSIS/ATTACHMENTS

Схема запчастей Case 1818 - (9-214) - CHASSIS AND COVERS (09) - CHASSIS/ATTACHMENTS
4
27
35
9
37
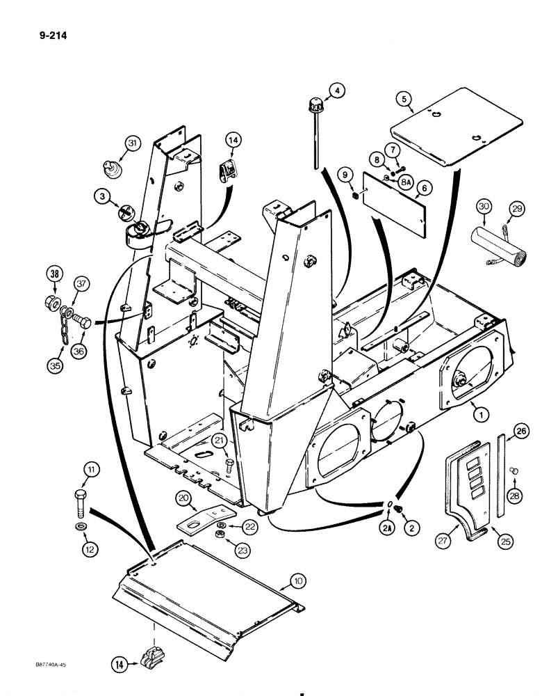
2
8 a
8
31
3
28
1
38
25
6
10
14
21
23
11
12
5
7
2 a
36
20
22
30
29
14
26
FIT
1:1
100%

Артикул

Название

Примечание

Количество

1

E20223

FRAME

CHASSIS uni-loader

1шт.

2

71100209

PLUG,Hex Soc, 3/4"-16 ORB

Incl Ref 2A Hex Soc, 3/4"-16 ORB

6шт.

2a

237-6008

O-RING,0.087" Thk x 0.644" ID, -908, Cl 6, 90 Duro

8-1, 90 Duro, .644" ID x .087" Thk, Plug

1шт.

3

D93757

CAP

fuel, vented

1шт.

4

E99875

CAP

hydraulic oil

1шт.

5

D135018

PLATE

floor

1шт.

6

D135042

PLATE

access

1шт.

7

113-206

BOLT,Hex, 3/8" - 16 x 3/4", Gr 5, Full Thd

2шт.

8

492-11038

LOCK WASHER,3/8"

2шт.

8a

95-6

WASHER,3/8"

plain, 3/8"

2шт.

9

25-226

SQUARE NUT,Sq, 3/8"-16

square, 3/8" - 16 NC

2шт.

10

E20188

COVER

engine Replaces: P/N E99934

1шт.

11

814-5016

BOLT,Hex, M5 x 0.8 x 16mm, Cl 8.8, Full Thd

M5 x 16 mm, plated

4шт.

12

E20240

WASHER

M5, plated

4шт.

14

E20193

SPECIAL NUT

NUT special

4шт.

20

E20230

DRAWBAR

optional

1шт.

21

113-2424

BOLT,Hex, 1/2" - 13 x 1-1/4", Gr 8, Full Thd

1/2" - 13 NC x 1-1/4", plated

2шт.

22

192-23

LOCK WASHER,1/2"

WASHER, LOCK, 1/2"

2шт.

23

129-184

NUT,1/2"-13, G8

1/2" - 13 NC, plated

2шт.

25

E20144

PANEL

door, engine enclosure TBG Germany

2шт.

26

E20145

SEALING STRIP

STRIP sealing, 25 x 3 x 400 mm TBG Germany

2шт.

27

E20227

SEALING STRIP

EDGE protection, 570 mm TBG Germany

2шт.

28

E99287

FASTENER

door TBG Germany

4шт.

29

E20151

STRAP

tool roll, special TBG Germany

1шт.

30

E20152

BAG-TOOL

ROLL tool, 650 x 270 mm TBG Germany

1шт.

31

E98654

CAP

fuel, locking TBG Germany

1шт.

Cap E98654 is NSS for U.S., P/N A32120 locking cap will work

1шт.

35

E20214

CHAIN (CE)

CHAIN door check, 16" 406 mm long

1шт.

36

113-102

BOLT,Hex, 5/16" - 18 x 3/4", Gr 5

5/16" - 18 NC x 5/8" long

1шт.

37

195-521

WASHER,5/16", SAE

flat, 5/16", plated

1шт.

38

131-931

FLANGE NUT,Flg, USR, 5/16"-18

hex, flange type, special locking, 5/16" 18 NC

1шт.

Выбрано товаров: 31