Запчасти Case 1818 (4-132) - BATTERY AND CABLES, GASOLINE MODELS (04) - ELECTRICAL SYSTEMS

Схема запчастей Case 1818 - (4-132) - BATTERY AND CABLES, GASOLINE MODELS (04) - ELECTRICAL SYSTEMS
11
5
4
7
3
6
2
4
1
7 a
9
10
3
5
8
FIT
1:1
100%

Артикул

Название

Примечание

Количество

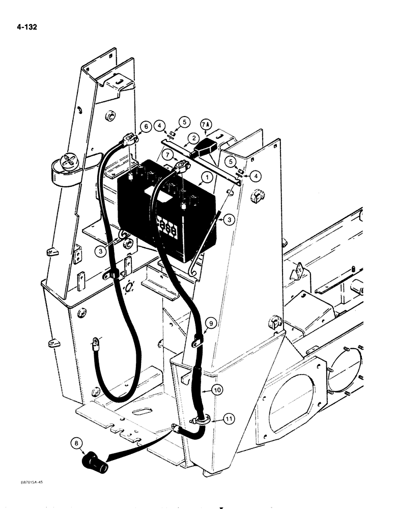
1

BCM24

BATTERY

dry, 12 volt, service replacement

1шт.

2

D59706

ANGLE

battery hold down

1шт.

3

D59707

BOLT

J, battery

2шт.

4

195-104

WASHER,3/8"

flat, , plated 3/8"

2шт.

5

131-52

NUT,3/8"-16, GC

NUT hex, self locking, 3/8" - 16 NC, plated

2шт.

6

D61081

CABLE

battery, negative

1шт.

7

D136982

CABLE

battery, positive, Includes: Ref. 7A

1шт.

7a

A27072

COVER

BOOT battery cable, positive

1шт.

8

E99988

BOOT

COVER positive battery cable, starter end

1шт.

9

49838

CLAMP

P-type, negative battery cable, uses existing lift cylinder hydraulic tube mounting hardware on lower right hand side of chassis

1шт.

10

R40777

CONDUIT

protective, plastic

1шт.

11

L18337

CABLE TIE,9.95"-12.1" lg

STRAP tie, 15 inch, nylon

1шт.

Выбрано товаров: 12