Запчасти Case 1818 (4-28) - HORN (04) - ELECTRICAL SYSTEMS

Схема запчастей Case 1818 - (4-28) - HORN (04) - ELECTRICAL SYSTEMS
9
16
5
10
4
12
2
7
1
15
11
14
8
7
17
13
3
6
FIT
1:1
100%

Артикул

Название

Примечание

Количество

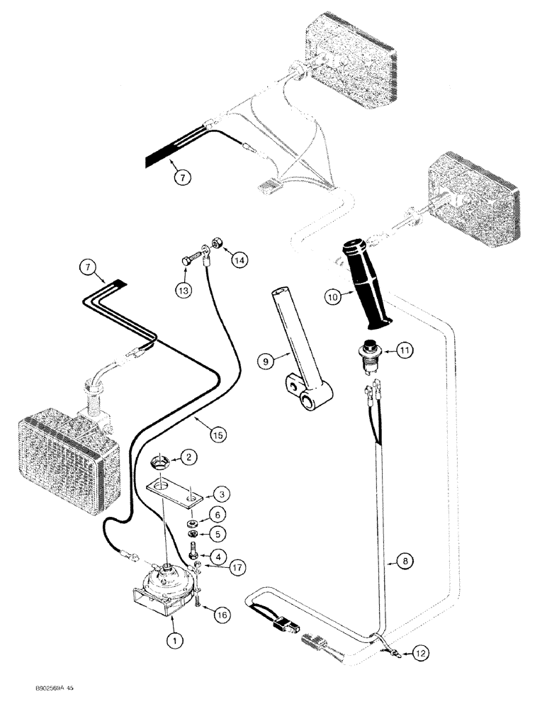
1

D123205

HORN

12 volt

1шт.

2

L30866

LOCK NUT

hex, 7/8 inch NC

1шт.

3

D122734

SUPPORT

BRACKET horn mounting

1шт.

4

413-824

BOLT,Hex, 1/2" - 13 x 1-1/2", Gr 5

1шт.

5

80679

LOCK WASHER,1/20.507 CST ZND

WASHER, LOCK, 1/2"

1шт.

6

195-533

WASHER,1/2", SAE

- flat, 1/2 inch

1шт.

7

D134075

HARNESS

horn

1шт.

8

D134076

HARNESS

horn button

1шт.

9

H674464

CONTROL LEVER

LEVER control, loader

1шт.

10

D133282

HANDLE

GRIP right hand control lever

1шт.

11

D141486

SWITCH

BUTTON horn, Replaces: P/N D91440

1шт.

12

L18337

CABLE TIE,9.95"-12.1" lg

STRAP tie, nylon, 15 inch

1шт.

13

413-510

BOLT,Hex, 5/16" - 18 x 5/8", Gr 5

- hex, 5/16 NC x 5/8 inch

1шт.

14

193-1009

NUT,Keps, w/LW, 5/16"-18

hex, with external tooth lock washer, 5/16 inch NC

1шт.

15

D134077

ELECTRICAL WIRE

WIRE ground

1шт.

16

440-1108

SCREW,Cross Pan Hd, #10-24 x 1/2"

machine, pan head Phillips, No. 10 NC x 1/2 inch

1шт.

17

193-1004

NUT,Keps, #10 - 24, w/ Ext Tooth LW

NUT hex, with external tooth lock washer, No. 10 NC

1шт.

Выбрано товаров: 17