Запчасти Case 1825 (8-06) - HYDRAULIC EQUIPMENT PUMP 120882A1, P.I.N. JAF0096590 AND AFTER (08) - HYDRAULICS

Схема запчастей Case 1825 - (8-06) - HYDRAULIC EQUIPMENT PUMP 120882A1, P.I.N. JAF0096590 AND AFTER (08) - HYDRAULICS
18
7
6
21
3
13
3
10
18
9
16
19
11
3
5
11
2
5
14
15
10
1
12
8
4
15
3
4
20
7
21
17
2
13
FIT
1:1
100%

Артикул

Название

Примечание

Количество

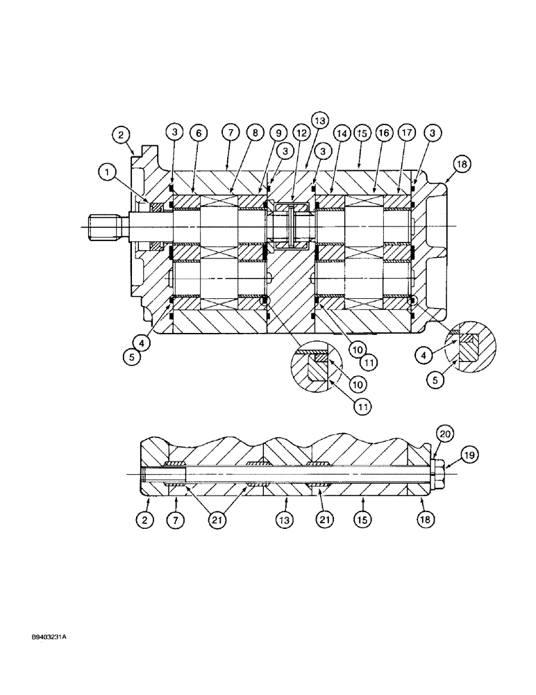
120882A1

PUMP

ASSEMBLY - hydraulic equipment, see Fig. 8-10 for mounting hardware, Includes: Ref. 1 - 21 and seal kit

1шт.

1

143269A1

SEAL

- shaft

1шт.

Part of seal kit P/N 143271A1.

1шт.

2

NSS

NOT SOLD SEPARAT

COVER - front, pump

1шт.

3

NSS

NOT SOLD SEPARAT

O-RING - end covers

4шт.

Part of seal kit P/N 143271A1.

1шт.

4

NSS

NOT SOLD SEPARAT

SEAL - end covers

2шт.

Part of seal kit P/N 143271A1.

1шт.

5

NSS

NOT SOLD SEPARAT

RING - backup, end covers

2шт.

Part of seal kit P/N 143271A1.

1шт.

6

NSS

NOT SOLD SEPARAT

BUSHING - front, first gear set

1шт.

7

NSS

NOT SOLD SEPARAT

HOUSING - first gear set

1шт.

8

NSS

NOT SOLD SEPARAT

GEAR SET - front drive

1шт.

9

NSS

NOT SOLD SEPARAT

BUSHING - rear, front gear set

1шт.

10

NSS

NOT SOLD SEPARAT

SEAL - center section

2шт.

Part of seal kit P/N 143271A1.

1шт.

11

NSS

NOT SOLD SEPARAT

RING - backup

2шт.

Part of seal kit P/N 143271A1.

1шт.

12

NSS

NOT SOLD SEPARAT

COUPLER - gear set

1шт.

13

NSS

NOT SOLD SEPARAT

HOUSING - center section

1шт.

14

NSS

NOT SOLD SEPARAT

BUSHING - front, second gear set

1шт.

15

NSS

NOT SOLD SEPARAT

HOUSING - second gear set

1шт.

16

NSS

NOT SOLD SEPARAT

GEAR SET - rear driven

1шт.

17

NSS

NOT SOLD SEPARAT

BUSHING - rear, second gear set

1шт.

18

NSS

NOT SOLD SEPARAT

COVER - rear, pump

1шт.

19

143270A1

BOLT

- special, grade 8

4шт.

20

492-11038

LOCK WASHER,3/8"

4шт.

21

NSS

NOT SOLD SEPARAT

DOWEL - pump

6шт.

143271A1

SEAL KIT

KIT - seal, Includes: Ref. 1, 3 - 5, 10 and 11

1шт.

Выбрано товаров: 29